Каталог запасных частей к технике: УВЗ ЭО-5126. Пульт-кресло
1
1
1
2
2
2
3
3
4
4
4
8
8
8
8
9
10
11
12
13
13
13
14
14
14
14
15
16
17
18
19
20
21
22
22
22
23
24
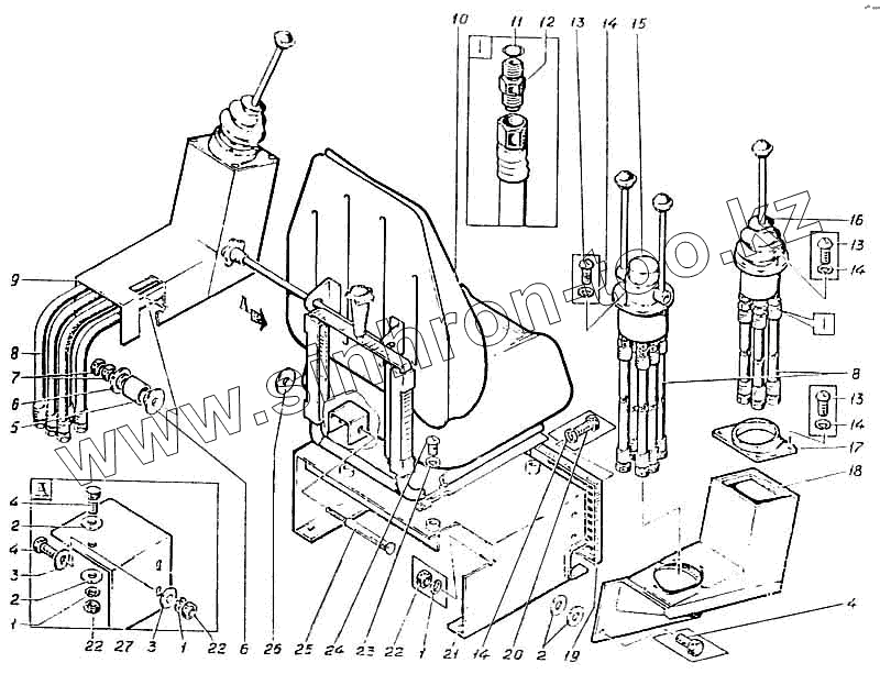
| Позиция на иллюстрации | Заводской номер детали | Название детали | |
|---|---|---|---|
| Э4.04.01.000сб | Э4.04.01.000сб | Пульт-кресло | |
| 1 | Шайба С10.65г.016 [ГОСТ 6402-70] | Шайба С10.65г.016 [ГОСТ 6402-70] | |
| 2 | Шайба 10.01.016 [ГОСТ 11371-78] | Шайба 10.01.016 [ГОСТ 11371-78] | |
| 3 | Шайба С10.01.016 [ГОСТ 11371-78] | Шайба С10.01.016 [ГОСТ 11371-78] | |
| 4 | Болт М10-8qх25.046.016 [ГОСТ 7798-70] | Болт М10-8qх25.046.016 [ГОСТ 7798-70] | |
| 8 | ЭО-5221.04.01.800сб | Рукав | |
| 8 | ЭО-5221.04.01.700сб | Рукав | |
| 8 | Э4.04.01.003сб | Рукав | |
| 9 | Э4.04.01.001сб | Кожух левый | |
| 10 | У7920.016-2-00.000-1 | Сиденье | |
| 11 | Кольцо 012-016025-2-3 [ГОСТ 18829-73] | Кольцо 012-016025-2-3 [ГОСТ 18829-73] | |
| 12 | ЭО-5122.04.11.005 | Штуцер | |
| 13 | Винт М6-8qх16.46.016 [ГОСТ 17473-80] | Винт М6-8qх16.46.016 [ГОСТ 17473-80] | |
| 14 | Шайба 6.65г.016 [ГОСТ 6402-70] | Шайба 6.65г.016 [ГОСТ 6402-70] | |
| 15 | Блок управления 60220Л [ТУ 22-3744-76] | Блок управления 60220Л [ТУ 22-3744-76] | |
| 16 | Блок управления 60120 [ТУ 22-3744-76] | Блок управления 60120 [ТУ 22-3744-76] | |
| 17 | ЭО-5124.04.01.001 | Основание | |
| 18 | ЭО-5221.04.01.600сб | Кожух правый | |
| 19 | 94.04.01.014 | Крышка | |
| 20 | Болт М6-8qх16.46.016 [ГОСТ 7798-70] | Болт М6-8qх16.46.016 [ГОСТ 7798-70] | |
| 21 | Э4.04.01.002сб | Подставка | |
| 22 | Гайка М10-7Н.8.016 [ГОСТ 5915-70] | Гайка М10-7Н.8.016 [ГОСТ 5915-70] | |
| 23 | Шайба 8.65г.016 [ГОСТ 6402-70] | Шайба 8.65г.016 [ГОСТ 6402-70] | |
| 24 | Винт М8-8qх16.46.016 [ГОСТ 17473-80] | Винт М8-8qх16.46.016 [ГОСТ 17473-80] |
Содержащиеся в справочниках-каталогах запасные части и детали не предлагаются к продаже, а носят исключительно информационный характер