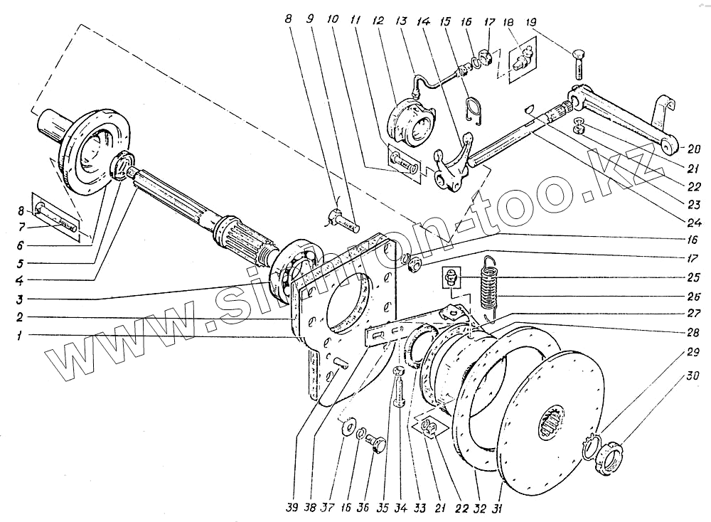
Каталог запасных частей к технике: УВЗ ЭО-5126. Муфта сцепления
1
2
3
4
5
6
7
8
8
9
10
12
13
14
15
16
16
16
17
17
19
20
21
21
22
22
23
24
25
26
27
28
29
30
31
32
33
33
36
37
38
39
| Позиция на иллюстрации | Заводской номер детали | Название детали | |
|---|---|---|---|
| ЭО-5122.11.12.000-2сб | ЭО-5122.11.12.000-2сб | Муфта сцепления | |
| 1 | ЭО-5122.11.12.004-2 | Плита | |
| 2 | 111Г-2А-4 | Прокладка (паронит) | |
| 3 | Подшипник 412 [ГОСТ 8338-75] | Подшипник 412 [ГОСТ 8338-75] | |
| 4 | 111Г-2А-2В | Вал | |
| 5 | 236-1701230 | Сальник крышки подшипника первичного вала | |
| 6 | 236-1701040А | Крышка подшипника первичного вала | |
| 7 | Болт 3М10х80.46 [ГОСТ 7798-70] | Болт 3М10х80.46 [ГОСТ 7798-70] | |
| 8 | Проволока 1,6 L=32000 [ГОСТ 3282-74] | Проволока 1,6 L=32000 [ГОСТ 3282-74] | |
| 9 | Болт 3М16х60.46 [ГОСТ 7798-70] | Болт 3М16х60.46 [ГОСТ 7798-70] | |
| 10 | Шайба 10.65Г.019 [ГОСТ 6402-70] | Шайба 10.65Г.019 [ГОСТ 6402-70] | |
| 12 | 236-1601180-Б2 | Муфта включения сцепления | |
| 13 | 236-1601230 | Шланг смазки муфты включения сцепления | |
| 14 | 236-1601203-Б2 | Вилка включения сцепления | |
| 15 | 236-1601188-А2 | Пружина муфты включения сцепления | |
| 16 | Шайба 10.65Г.016 [ГОСТ 6402-70] | Шайба 10.65Г.016 [ГОСТ 6402-70] | |
| 17 | Гайка М16-6Н.8.016 [ГОСТ 5915-70] | Гайка М16-6Н.8.016 [ГОСТ 5915-70] | |
| 19 | Болт М16х70.46.019 [ГОСТ 7798-70] | Болт М16х70.46.019 [ГОСТ 7798-70] | |
| 20 | ЭО-5122.11.12.100-1сб | Рычаг | |
| 21 | Шайба 10.65Г.019 [ГОСТ 6402-70] | Шайба 10.65Г.019 [ГОСТ 6402-70] | |
| 22 | Гайка М10-6Н.8.016 [ГОСТ 5915-70] | Гайка М10-6Н.8.016 [ГОСТ 5915-70] | |
| 23 | 314004-П2 | Шпонка вилки выключения сцепления | |
| 24 | 236-1601215-Б | Вал вилки выключения сцепления | |
| 25 | Масленка 1.3УХЛ1Ц6 [ГОСТ 19853-74] | Масленка 1.3УХЛ1Ц6 [ГОСТ 19853-74] | |
| 26 | Э4.11.12.001 | Пружина | |
| 27 | 111Г-2А-5 | Прокладка (паронит) | |
| 28 | 111Г-2А-3 | Крышка | |
| 29 | Шайба 48.01 Г [ГОСТ 11872-73] | Шайба 48.01 Г [ГОСТ 11872-73] | |
| 30 | Гайка М48х1,5-050 [ГОСТ 11871-66] | Гайка М48х1,5-050 [ГОСТ 11871-66] | |
| 31 | ЭО-5122.11.12.002-2 | Полумуфта дизеля | |
| 32 | ЭО-5122.11.12.003-1 | Кольцо | |
| 33 | Э4.11.08.002сб | Манжета 1,2-80х105-4 | |
| 33 | Манжета 1.2-8х105-4 [ГОСТ 8752-79] | Манжета 1.2-8х105-4 [ГОСТ 8752-79] | |
| 36 | Болт М16х30.46.019 [ГОСТ 7798-70] | Болт М16х30.46.019 [ГОСТ 7798-70] | |
| 37 | Шайба 2.16.02 [ГОСТ 11371-78] | Шайба 2.16.02 [ГОСТ 11371-78] | |
| 38 | ЭО-5122.11.12.200-1сб | Кронштейн | |
| 39 | Штифт 12М6х30 [ГОСТ 3128-70] | Штифт 12М6х30 [ГОСТ 3128-70] |
Содержащиеся в справочниках-каталогах запасные части и детали не предлагаются к продаже, а носят исключительно информационный характер