Каталог запасных частей к технике: УВЗ ЭО-5126. Гидроаппарат регулирующий
1
1
2
3
3
4
5
6
7
8
8
9
10
11
12
13
14
15
16
17
18
19
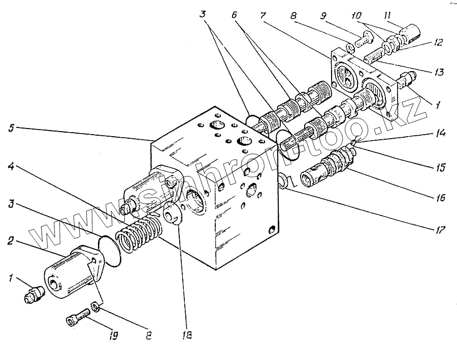
| Позиция на иллюстрации | Заводской номер детали | Название детали | |
|---|---|---|---|
| ЭО-5124.09.06.000сб | ЭО-5124.09.06.000сб | Гидроаппарат регулирующий | |
| 1 | ЭО-5122.05.25.013 | Штуцер К1/4 | |
| 2 | ЭО-5122.06.09.018 | Крышка | |
| 3 | Кольцо 065-070-30-2-3 [ГОСТ 9833-78] | Кольцо 065-070-30-2-3 [ГОСТ 9833-78] | |
| 4 | ЭО-5122.09.06.002-2 | Пружина | |
| 5 | ЭО-5122.09.06.100-3 | Корпус | |
| 6 | ЭО-5122.09.06.011-1 | Золотник | |
| 7 | ЭО-5122.09.06.012-1 | Крышка | |
| 8 | Шайба 12.65Г.05 [ГОСТ 6402-70] | Шайба 12.65Г.05 [ГОСТ 6402-70] | |
| 9 | Болт М12-6gх35.58 [ГОСТ 7798-70] | Болт М12-6gх35.58 [ГОСТ 7798-70] | |
| 10 | 088.16 | Прокладка | |
| 11 | ЭО-5122.06.09.011 | Колпачок | |
| 12 | ЭО-5122.06.09.009 | Гайка | |
| 13 | ЭО-5122.09.06.014 | Винт | |
| 14 | 18677.4.12 | Пломба | |
| 15 | 3882.1 | Проволока | |
| 16 | 510.32.10 | Гидроклапан предохранительный | |
| 17 | ЭО-5122.09.06.015 | Кольцо | |
| 18 | ЭО-5122.09.06.013 | Втулка | |
| 19 | Винт М12-8gх30.109.05 [ГОСТ 11738-84] | Винт М12-8gх30.109.05 [ГОСТ 11738-84] |
Содержащиеся в справочниках-каталогах запасные части и детали не предлагаются к продаже, а носят исключительно информационный характер