Каталог запасных частей к технике: Угличмаш КС-3577. Управления приводом насоса КС-3577.71.000
1
2
3
4
5
6
7
8
9
9
10
10
11
12
13
14
15
16
17
17
18
18
19
19
19
20
20
20
21
21
21
22
23
24
25
26
26
27
27
28
29
29
30
31
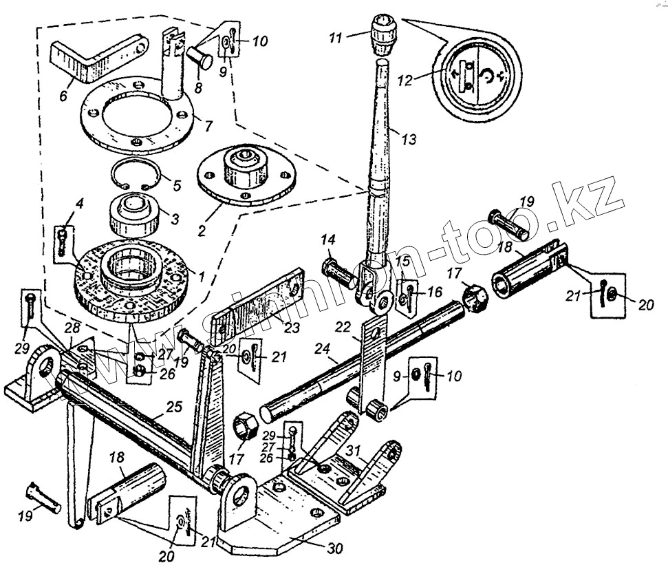
| Позиция на иллюстрации | Заводской номер детали | Название детали | |
|---|---|---|---|
| 1 | КС-3577.71.006 | Корпус | |
| 2 | КС-3577.71.003 | Муфта защитная | |
| 3 | Подшипник 2ШМ-20 [ГОСТ 3635-78] | Подшипник 2ШМ-20 | |
| 4 | Г ОСТ 7798-70 | Болт М10х35.46.019 | |
| 5 | Кольцо Б47 [ГОСТ 13943-68] | Кольцо Б47 | |
| 6 | КС-3577.71.013 | Стопор | |
| 7 | КС-3577.71.020 | Кронштейн | |
| 8 | Ось22-12в12х25.20Ц9Хр [ГОСТ 9650-80] | Ось22-12в12х25.20Ц9Хр | |
| 9 | Шайба 10-01-019 [ГОСТ 11371-78] | Шайба 10-01-019 | |
| 10 | Шплинт 2,5х16.20.019 [ГОСТ 397-78] | Шплинт 2,5х16.20.019 | |
| 11 | КС-3577 70.007 | Ручка | |
| 12 | RС-3577.71.004 | Табличка | |
| 13 | Rс-3577.71.070 | Рычаг | |
| 14 | Ось 22-12в12х36.20Ц9Хр [ГОСТ 9650-80] | Ось 22-12в12х36.20Ц9Хр | |
| 15 | Шайба 12.02.019 [ГОСТ 11371-78] | Шайба 12.02.019 | |
| 16 | Шплинт 3,2х20.20.019 [ГОСТ 397-79] | Шплинт 3,2х20.20.019 | |
| 17 | Гайка М16.5.019 [ГОСТ 5915-70] | Гайка М16.5.019 | |
| 18 | КС-3577.71.012 | Вилка | |
| 19 | Ось 22-8в 12х25.20Ц9Хр [ГОСТ 9650-80] | Ось 22-8в 12х25.20Ц9Хр | |
| 20 | Шайба 8.01.019 [ГОСТ 11371-78] | Шайба 8.01.019 | |
| 21 | Шплинт 2х20.20.019 [ГОСТ 397-79] | Шплинт 2х20.20.019 | |
| 22 | RС-3577.71.060 | Рычаг | |
| 23 | RС3577.71002 | Тяга | |
| 24 | КС-3577.71.001 | Тяга | |
| 25 | КС-3577.71.080 | Рычаг | |
| 26 | Гайка М10.5.019 [ГОСТ 5915-70] | Гайка М10.5.019 | |
| 27 | Шайба 10.65Г.019 [ГОСТ 6402-70] | Шайба 10.65Г.019 | |
| 28 | КС-3577.71.010 | Кронштейн | |
| 29 | Болт М10х30.46.019 [ГОСТ 7798-70] | Болт М10х30.46.019 | |
| 30 | КС-3577. 71.040 | Кронштейн | |
| 31 | КС-3577.71.030 | Кронштейн |
Содержащиеся в справочниках-каталогах запасные части и детали не предлагаются к продаже, а носят исключительно информационный характер