Каталог запасных частей к технике: Угличмаш КС-3577. Лебедка КС-3577.26.000-3
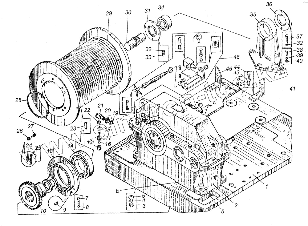
1
2
3
4
5
5
7
8
8
9
10
13
14
15
16
17
18
19
20
21
22
23
24
25
26
27
28
29
30
31
32
32
33
34
35
36
37
38
39
40
41
42
43
44
45
46
| Позиция на иллюстрации | Заводской номер детали | Название детали | |
|---|---|---|---|
| Трубка латунная L=12мм [ГОСТ494-76] | Трубка латунная L=12мм [ГОСТ494-76] | Трубка латунная L=12мм | |
| Лента ЭМ-16Х90 45х460 [ГОСТ 15960-79] | Лента ЭМ-16Х90 45х460 [ГОСТ 15960-79] | Лента ЭМ-16Х90 45х460 | |
| 1 | КС-3577.26.001-4 | Плита | |
| 2 | Редуктор 1Ц27-250-31.5 [ГОСТ 20758-75] | Редуктор 1Ц27-250-31.5 | |
| 3 | Гайка М24.5.019 [ГОСТ 5915-70] | Гайка М24.5.019 | |
| 4 | Шайба 24.65Г.019 [ГОСТ 6402-70] | Шайба 24.65Г.019 | |
| 5 | Шайба 24.02.019 [ГОСТ 11371-78] | Шайба 24.02.019 | |
| 6 | Болт М24х110.46.019 [ГОСТ 7796-70] | Болт М24х110.46.019 | |
| 7 | Болт М12х40.46.019 [ГОСТ7798-70] | Болт М12х40.46.019 | |
| 8 | Шайба М12.65Г.019 [ГОСТ 6402-70] | Шайба М12.65Г.019 | |
| 9 | Штифт 12м 6х30 [ГОСТ 3128-70] | Штифт 12м 6х30 | |
| 10 | КС-3577.26.027-3 | Полумуфта зубчатая | |
| 11 | КС-3577.26.009 | Шайба | |
| 12 | КС-3577.26.008 | Гайка | |
| 13 | КС-3577.26.111-3 | Полумуфта зубчатая | |
| 14 | Подшипник 1224Л [ГОСТ 5720-75] | Подшипник 1224Л | |
| 15 | КС-3577.26.084 | Заглушка | |
| 16 | КС-3577.26.081 | Шайба | |
| 17 | КС-3577.26.085 | Манжета | |
| 18 | КС-3577.26.086 | Трубка | |
| 19 | 122.050 | Прокладка | |
| 20 | КС-3577.26.83 | Гайка | |
| 21 | КС-3577.26.082 | Корпус | |
| 22 | Гайка М14х1.5.04.019 [ГОСТ 5916-70] | Гайка М14х1.5.04.019 | |
| 23 | Винт М4х8.46.019 [ГОСТ 1476-75] | Винт М4х8.46.019 | |
| 24 | Шайба 8.01.019 [ГОСТ 11371-78] | Шайба 8.01.019 | |
| 25 | Шплинт 2х20.016 [ГОСТ 397-79] | Шплинт 2х20.016 | |
| 26 | КС-3577.80.503 | Ролик | |
| 27 | КС-3577.80.502 | Палец | |
| 28 | Кольцо 18215 [ГОСТ 13941-80] | Кольцо 18215 | |
| 29 | КС-3577.26.105 | Барабан | |
| 30 | КС-3077.26.107-3 | Ось | |
| 31 | КС-3577.26.026-01 | Крышка | |
| 32 | Шайба 8.65Г.019 [ГОСТ 6402-70] | Шайба 8.65Г.019 | |
| 33 | Гайка 1.18.5.019 [ГОСТ 5915-70] | Гайка 1.18.5.019 | |
| 34 | Подшипник 3610 [ГОСТ 5721-75] | Подшипник 3610 | |
| 35 | КС-3577.26.017-2 | Кронштейн | |
| 36 | КС-3577.26.026 | Крышка | |
| 37 | Болт М8х60.46.019 [ГОСТ 7798-70] | Болт М8х60.46.019 | |
| 38 | Болт М20х90.46.019 [ГОСТ 7798-70] | Болт М20х90.46.019 | |
| 39 | Шайба 20.65Г.019 [ГОСТ 6402-70] | Шайба 20.65Г.019 | |
| 40 | Гайка М20.5.019 [ГОСТ 5915-70] | Гайка М20.5.019 | |
| 41 | КС-3577.26.004-3 | Кронштейн | |
| 42 | Гайка М12.5.019 [ГОСТ 5915-70] | Гайка М12.5.019 | |
| 43 | Шайба 12.01.019 [ГОСТ11371-78] | Шайба 12.01.019 | |
| 44 | Болт М12х65.46.019 [ГОСТ 7798-70] | Болт М12х65.46.019 | |
| 45 | КС-3577.25.005-3 | Кронштейн | |
| 46 | КС-3577.80.500 | Ограничитель опускания крюка | |
| 47 | КС-3577.26.013 | Прокладка | |
| 48 | КС-3577.26.013-01 | Прокладка | |
| 49 | КС-3577.26.013-02 | Прокладка | |
| 50 | Болт М12х25.46.019 [ГОСТ 7798-70] | Болт М12х25.46.019 | |
| 51 | КС-3577.26.016 | Шайба | |
| 52 | КС-3577.26.032-3 | Звездочка | |
| 53 | КС-3577.26.024 | Полумуфта | |
| 54 | Гайка М16.5.019 [ГОСТ 5915-70] | Гайка М16.5.019 | |
| 55 | Шайба 16.65Г.019 [ГОСТ 6402-70] | Шайба 16.65Г.019 | |
| 56 | Болт М16х65.46.01 [ГОСТ 7798-70] | Болт М16х65.46.01 | |
| 57 | КС-3577.26.007 | Кронштейн | |
| 58 | КС-2573.26.008 | Болт | |
| 59 | КС-3577.26.011 | Шайба | |
| 60 | Гайка М16.5.019 [ГОСТ 59-18-73] | Гайка М16.5.019 | |
| 61 | Гидромотор 303.112-10 | Гидромотор 303.112-10 | |
| 62 | КС-3577.26.342 | Накладка | |
| 63 | КС-3577.26.341 | Лента | |
| 64 | КС-3577.26.343 | Петля | |
| 65 | Заклепка трубчатая 6х8 | Заклепка трубчатая 6х8 | |
| 66 | Шплинт 3,2х20.016 [ГОСТ 397-79] | Шплинт 3,2х20.016 | |
| 67 | КС-3577.26.305 | Основание | |
| 68 | КС-3577.26.310-1 | Размыкатель | |
| 69 | Ось 1,2х12х180, 45Ц9Хр [ГОСТ 9650-80] | Ось 1,2х12х180, 45Ц9Хр | |
| 70 | КС-3577.26.600-3 | Шкив | |
| 71 | Гайка М24Х2.5.019 [ГОСТ 5915-70] | Гайка М24Х2.5.019 | |
| 72 | КС-3577.26.002-3 | Гайка | |
| 73 | Шплинт 4,0х25.016 [ГОСТ 397-79] | Шплинт 4,0х25.016 | |
| 74 | Шайба 16.02.019 [ГОСТ 11371-78] | Шайба 16.02.019 | |
| 75 | Ось 1,2-16х180, 45. ЦЭХр [ГОСТ 9650-60] | Ось 1,2-16х180, 45. ЦЭХр | |
| 76 | КС-3577.26.360 | Кронштейн | |
| 77 | Гайка М10.5.019 | Гайка М10.5.019 | |
| 78 | Винт М10х50.14Н.019 [ГОСТ 1483-84] | Винт М10х50.14Н.019 | |
| 79 | КС-3577.26.350 | Рычаг | |
| 80 | КС-3577.26.306 | Кольцо | |
| 81 | Ось 6-12х45.20. ЦЭхр [ГОСТ 9650-80] | Ось 6-12х45.20. ЦЭхр | |
| 82 | КС-3577.26.308 | Втулка | |
| 83 | КС-3577.26.301 | Пружина | |
| 84 | КС-3577.26.302 | Тарелка | |
| 85 | КС-3577.26.306 | Кольцо | |
| 86 | КС-3577.26.370 | Тяга | |
| 87 | Ось 6-16х90.45.Ц9Хр [ГОСТ 9650-80] | Ось 6-16х90.45.Ц9Хр |
Содержащиеся в справочниках-каталогах запасные части и детали не предлагаются к продаже, а носят исключительно информационный характер