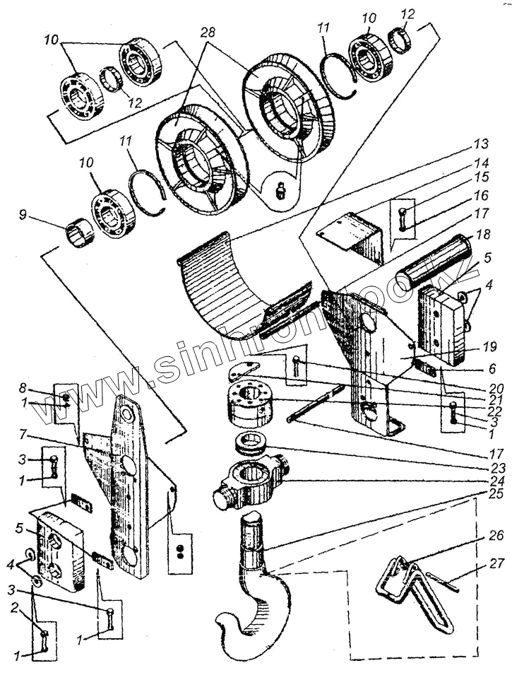
Каталог запасных частей к технике: Угличмаш КС-3577-3. Крюковая обойма КС-3577-3.63.300
1
1
1
1
1
2
3
3
3
4
4
5
5
6
7
8
9
10
10
10
11
11
12
12
13
14
15
16
17
17
18
19
20
21
22
23
24
25
26
27
28
| Позиция на иллюстрации | Заводской номер детали | Название детали | |
|---|---|---|---|
| 1 | Шайба 12.65Г [ГОСТ 6402-70] | Шайба 12.65Г | |
| 2 | Болт 12х45.46.019 [ГОСТ 7798-70] | Болт 12х45.46.019 | |
| 3 | Болт 12х25.46.019 [ГОСТ 7798-70] | Болт 12х25.46.019 | |
| 4 | Кольцо прокладочное 13 | Кольцо прокладочное 13 | |
| 5 | КС-3577.63.307 | Груз | |
| 6 | Оседержатель 40-60.019 [ГОСТ 22-124-71] | Оседержатель 40-60.019 | |
| 7 | КО-3577.63.340 | Обойма | |
| 8 | Гайка М12.5.019 [ГОСТ 5915-70] | Гайка М12.5.019 | |
| 9 | КС-3577.63.103-03 | Втулка | |
| 10 | Подшипник 60314 [ГОСТ 7242-81] | Подшипник 60314 | |
| 11 | КС-3577.63.272 | Кольцо | |
| 12 | КС-3577.63.103-02 | Втулка | |
| 13 | КС-3577.63.308 | Кожух | |
| 14 | КС-3577.63.311 | Уголок | |
| 15 | Болт М8х16.46.019 [ГОСТ 7798-70] | Болт М8х16.46.019 | |
| 16 | Шайба 8.65Г.019 [ГОСТ 6402-70] | Шайба 8.65Г.019 | |
| 17 | Шпилька М12х249.03.019 | Шпилька М12х249.03.019 | |
| 18 | КС-3577.63.309 | Ось | |
| 19 | КС-3577.63.330 | Обойма | |
| 20 | Болт 3М10х25.46.019 [ГОСТ 7798-70] | Болт 3М10х25.46.019 | |
| 21 | КС-3577-3.63.353 | Планка | |
| 22 | КС-3577-3.63.370 | Гайка | |
| 23 | Подшипник 8216 [ГОСТ 6874-75] | Подшипник 8216 | |
| 24 | КС-3577-3.63.355-1 | Траверса | |
| 25 | КС-3577-3.63.356 | Крюк | |
| 26 | Скоба 18-2/1 [ГОСТ 12840-80] | Скоба 18-2/1 | |
| 27 | Штифт 12х120.36.019 [ГОСТ 10774-80] | Штифт 12х120.36.019 | |
| 28 | КС-3577.63.271 | Блок |
Содержащиеся в справочниках-каталогах запасные части и детали не предлагаются к продаже, а носят исключительно информационный характер