Вернуться на главную
Поиск
Каталоги запчастей к технике
Спецтехника
ТВЭКС
WX200
Подключение отопителя
Каталог запасных частей к технике: ТВЭКС WX200. Подключение отопителя
zoom-in
zoom-out
enlarge
shrink
circle-right
circle-left
file-text2
info
cart
Тип техники
Не выбрано
Легковые автомобили
Грузовые автомобили и прицепы
Автобусы
Сельхозтехника
Спецтехника
Двигатели
Мототехника
Марка
Не выбрано
Ammann
BOMAG
CARMIX
CASE IH
Changlin
ChengGong
Dimex
Doosan
DYNAPAC
Foton
HAMM
Hidromek
Hitachi
Hyundai
JCB
JLG
John Deere
Komatsu
LIEBHERR
LiuGong
Lonking (LongGong)
Luneng
MANITOU
Mitsuber
New Holland
PENGPU
RM-Terex
SANY
SDLG
SEM
Shantui
Shehwa HBXG
Soosan
TIGARBO
VOGELE
Volvo
WAY
WIRTGEN
XCMG
XGMA
Xiamen
YTO
Yuchai
Zoomlion
Автокран
АЗСМ
Алтайлесмаш
Амкодор
АОМЗ
Атек
АТЗ
Балканкар Рекорд
БелАЗ
Беловеж
Борекс
Брянский Арсенал
Булат
ВЭКС
ГАЗ
Геомаш
Гидромаш
Донекс
Дормаш
Дормашина
Дорэлектромаш
ДЭЗ
ЕлАЗ
ЗЗГТ
Ижнефтемаш
Канаш-электрокар
КЗКТ
ККЗ
Клевер
Клинцовский автокрановый завод
КМЗ
КМЗ 1 Мая
Ковровец
Коммаш
Кранэкс
КЭЗ
КЭМЗ
ЛЗА
МАЗ
МЗИК
МЗКМ
МЗКТ
Михневский РМЗ
МоАЗ
Мозырский МЗ
МТЗ
ОЗП
Онежец
ПАО "ТЗА"
ППС Детва
Промтрактор
ПТЗ
Раскат
СпецАгрегат
ТВЭКС
ТТМ
УВЗ
Угличмаш
УЗТМ
ХТЗ
ЧЗКМ
ЧСДМ
ЧТЗ
ЭКСКО
ЭКСМАШ
ЮрМаш
Модель
Не выбрано
5846ТМ (ЕА17) (2010)
E145W (ЕК-14)
E145W (ЕК-14) (2005)
E185W (ЕК-18)
E185W (ЕК-18) (2005)
E185W (ЕК-18) (2008)
E225LC (2022)
E225NLC (2022)
TLB 825 (2016)
TLB 825 (2017)
TLB 825 (2019)
TLB 935 (2020)
TLB 935 (2021)
TVEX-140W (2015)
TVEX-180i (2015)
TVEX-180W (2015)
TX220LC (2019)
TX220NLC (2019)
WX200 (2019)
WХ-200 (2015)
WХ-200 (2017) (2017)
ВП-03 (2005)
ВП-05
ВП-05 (2015)
ВП-05 (2005) (2005)
ВП-05 (вариант) (2005)
Е200СН (2018)
Е245СН (2018)
ЕК-12 (2005)
ЕК-12 (2007) (2007)
ЕК-12 (2013) (2013)
ЕК-14-20 (2013)
ЕК-14-90 (2011)
ЕК-14-90 (2015)
ЕК-18-20 (2010)
ЕК-18-40 (2005)
ЕК-18-45-60 (2008)
ЕК-18-90 (2012)
ЕК-18-90 (2015)
ЕК-20-20 (2010)
ЕТ-16 (2005)
ЕТ-16-20 (2007)
ЕТ-18-20 (2005)
ЕТ-20-20 (2012)
ЕТ-25
ЕТ-25-20 (2007)
ЕТ-26i (2010)
ЕТ-26i (2015)
ТХ-210 (2015)
ТХ-210 (2017)
ТХ-220 (2017)
ТХ-270 / 300 (2017)
ТЭП-18 (2012)
ЭО-3122
ЭО-3323
ЭО-3323А (2002)
ЭО-3326 (2000)
ЭОВ-3521 (2007)
ЭОВ-3521М-1 (2007)
ЭОВ-3521М-1 (2017)
ЭОВ-3521М-1 (2017)
Схема
>
Не выбрано
Перечень сборочных единиц
Экскаватор пневмоколесный гидравлический WХ200
Ходовая тележка в сборе
Ходовая тележка в сборе
Ходовая тележка в сборе
Ходовая тележка в сборе
Тележка ходовая
Тележка ходовая
Установка ОПУ
Гидрооборудование ходовой тележки (раздельное управление аутригеров)
Гидрооборудование ходовой тележки (раздельное управление аутригеров)
Гидрооборудование ходовой тележки (раздельное управление аутригеров)
Гидрооборудование ходовой тележки (основной вариант Sungbo)
Гидрооборудование ходовой тележки (основной вариант Sungbo)
Гидрооборудование ходовой тележки (основной вариант Sungbo)
Установка опор с цилиндрами
Гидроцилиндр выносных опор левый
Гидроцилиндр
Установка поддона
Установка колес
Установка колес (заполненных полиуретаном)
Колесо с шиной
Установка отвала
Цилиндр отвала
Гидроцилиндр
Балка аутригерная прикрутная
Установка подножек и крыльев
Ящик инструментальный
Установка противовеса
Платформа поворотная с механизмами
Платформа поворотная с механизмами
Установка стопора
Установка механизма поворота
Установка кабины
Установка интерьера кабины
Установка верхней решетки
Кабина в сборе
Кабина в сборе
Кабина в сборе
Кабина в сборе
Кабина в сборе
Кабина в сборе
Кабина в сборе
Дверь в сборе
Установка передней рамки
Рамка передняя
Дверца задняя в сборе
Форточка задняя
Установка фиксатора двери
Установка нижнего стекла
Пост управления экскаватором
Пост управления экскаватором
Пост управления экскаватором
Установка пультов
Установка пультов
Установка пультов
Установка климатической системы
Регулятор воздуха
Установка зеркал с подогревом
Установка опор кабины
Установка ступени
Установка сиденья оператора
Установка стеклоочистителя
Установка стеклоочистителя
Установка аудиосистемы
Гидроуправление экскаватора
Гидроуправление экскаватора
Гидроуправление экскаватора
Гидроуправление экскаватора
Электроуправление в кабине
Электроуправление в кабине
Электроуправление в кабине
Бак гидравлический
Гидрооборудование на поворотной платформе (механизм поворота “Бош-Рексрот”)
Гидрооборудование на поворотной платформе (механизм поворота “Бош-Рексрот”)
Гидрооборудование на поворотной платформе (механизм поворота “Бош-Рексрот”)
Гидрооборудование на поворотной платформе (механизм поворота “Бош-Рексрот”)
Гидрооборудование на поворотной платформе (механизм поворота “Бош-Рексрот”)
Гидрооборудование на поворотной платформе (механизм поворота “Бош-Рексрот”)
Гидрооборудование на поворотной платформе (механизм поворота “Sungbo”)
Гидрооборудование на поворотной платформе (механизм поворота “Sungbo”)
Гидрооборудование на поворотной платформе (механизм поворота “Sungbo”)
Гидрооборудование на поворотной платформе (механизм поворота “Sungbo”)
Гидрооборудование на поворотной платформе (механизм поворота “Sungbo”)
Гидрооборудование на поворотной платформе (механизм поворота “Sungbo”)
Гидрораспределитель
Электрооборудование на поворотной платформе
Установка АКБ
Кронштейн реле на бак
Задние фонари
Плафон капота
Фары передние
Жгуты поворотной платформы
Установка кондицонера
Установка конденсатора
Установка камеры заднего вида и фары на противовес
Установка фары на противовес
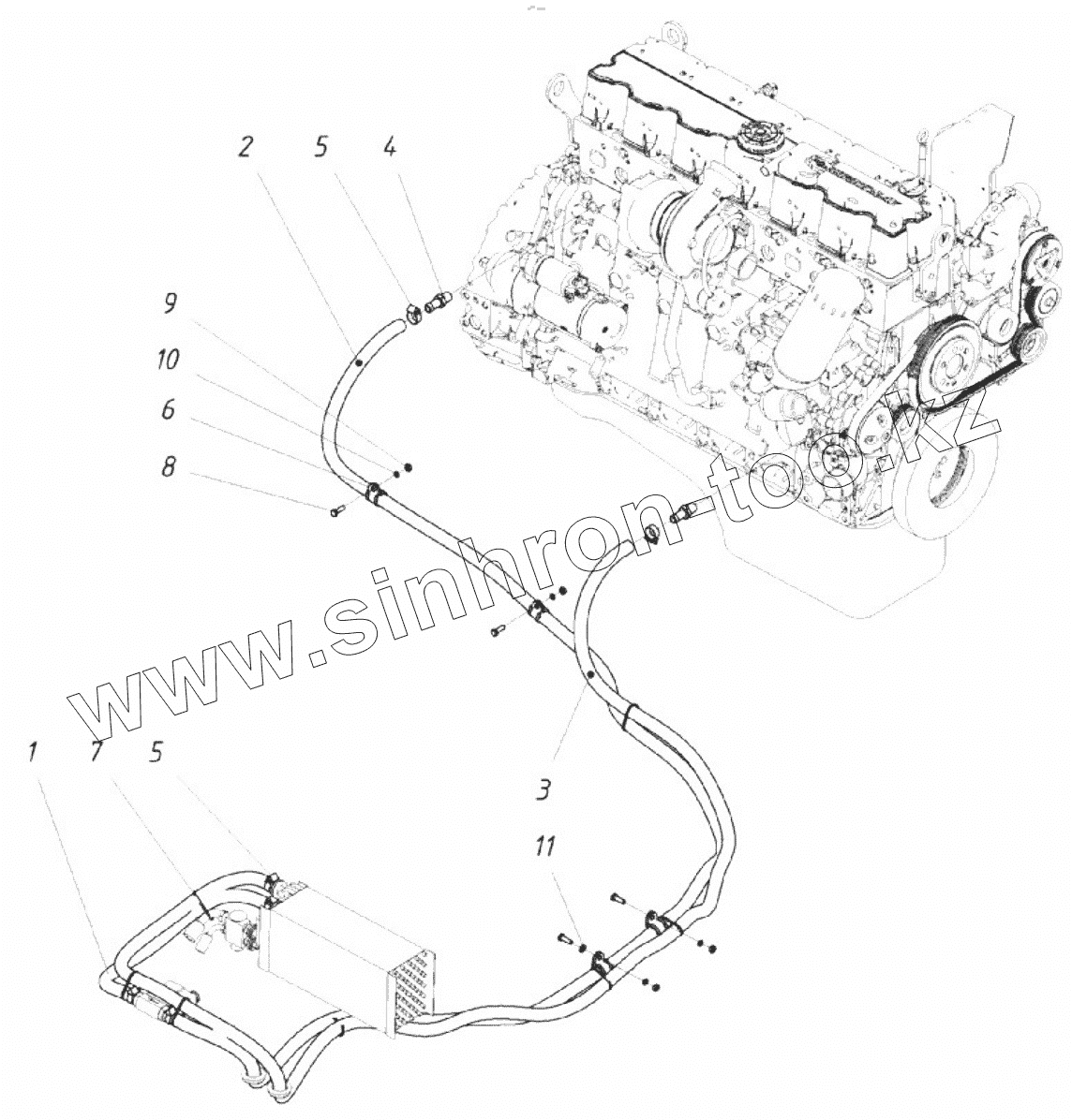
Подключение отопителя
Установка силовая ЯМЗ 536
Установка баков
Бак топливный
Двигатель с опорами
Топливная система
Фильтр предварительной очистки топлива
Радиатор с кронштейнами
Патрубки водяного радиатора и расширительный бачок
Патрубки системы охлаждения
Патрубки интеркулера
Установка воздухоочистителя
Установка глушителя
Установка агрегата насосного
Установка НШ и фильтры двигателя
Установка силовая Cummins
Установка силовая Cummins
Установка силовая Cummins
Установка агрегата насосного
Установка радиатора
Установка радиатора
Установка радиатора
Установка воздухоочистителя
Установка глушителя
Установка НШ
Установка поддонов
Установка капота
Установка капота
Установка капота
Установка капота
Установка капота
Установка рабочего оборудования
Исполнения рабочего оборудования WX-200
Гидроцилиндр стрелы
Гидроцилиндр рукояти
Гидроразводка стрелы с разводкой под гидромолот
Гидроразводка стрелы с тормозными клапанами
Установка рукояти 2920 с разводкой под гидромолот
Установка рукояти 2400 с разводкой под гидромолот
Гидроразводка рукояти 2920 с разводкой под гидромолот
Гидроразводка рукояти 2400 с разводкой под гидромолот
Гидроразводка рукояти 2920 без разводки под гидромолот
Гидроразводка рукояти 2400 без разводки под гидромолот
Установка гидроразводки на грейфер с ротатором с рукоятью 2400
Установка гидроразводки на грейфер с ротатором с рукоятью 2920
Установка гидроразводки на грейфер с ротатором (гидравлика)
Гидроцилиндр ковша
Установка ковша
Установка ковша
Комплект опций
Установка четырех фар на крыше
Установка стабилизаторов
Установка стабилизаторов
Установка стабилизаторов
Стабилизатор
Стабилизатор
Установка стабилизации стрелы
Установка инструментального ящика справа
Установка грунтозацепов
1
2
3
4
5
5
6
7
Позиция на иллюстрации
Заводской номер детали
Название детали
1
202250000001 00
Рукав
2
202250000002 00
Рукав
3
202250000003 00
Рукав
4
225408725003 00
Ниппель
5
000923820303 01
Хомут
6
000923820305 01
Хомут
7
000923820105 01
Кабельный хомут
26
000026400125 01
Болт
34
000026410608 01
Гайка
41
000026440205 01
Шайба
46
000026440608 01
Шайба
Содержащиеся в справочниках-каталогах запасные части и детали не предлагаются к продаже, а носят исключительно информационный характер
Дополнительная информация
×
Название:
Номер:
Примечание: