Вернуться на главную
Поиск
Каталоги запчастей к технике
Спецтехника
ТВЭКС
WХ-200
202121000000 00 Установка силовая ЯМЗ-536
Каталог запасных частей к технике: ТВЭКС WХ-200. 202121000000 00 Установка силовая ЯМЗ-536
zoom-in
zoom-out
enlarge
shrink
circle-right
circle-left
file-text2
info
cart
Тип техники
Не выбрано
Легковые автомобили
Грузовые автомобили и прицепы
Автобусы
Сельхозтехника
Спецтехника
Двигатели
Мототехника
Марка
Не выбрано
Ammann
BOMAG
CARMIX
CASE IH
Changlin
ChengGong
Dimex
Doosan
DYNAPAC
Foton
HAMM
Hidromek
Hitachi
Hyundai
JCB
JLG
John Deere
Komatsu
LIEBHERR
LiuGong
Lonking (LongGong)
Luneng
MANITOU
Mitsuber
New Holland
PENGPU
RM-Terex
SANY
SDLG
SEM
Shantui
Shehwa HBXG
Soosan
TIGARBO
VOGELE
Volvo
WAY
WIRTGEN
XCMG
XGMA
Xiamen
YTO
Yuchai
Zoomlion
Автокран
АЗСМ
Алтайлесмаш
Амкодор
АОМЗ
Атек
АТЗ
Балканкар Рекорд
БелАЗ
Беловеж
Борекс
Брянский Арсенал
Булат
ВЭКС
ГАЗ
Геомаш
Гидромаш
Донекс
Дормаш
Дормашина
Дорэлектромаш
ДЭЗ
ЕлАЗ
ЗЗГТ
Ижнефтемаш
Канаш-электрокар
КЗКТ
ККЗ
Клевер
Клинцовский автокрановый завод
КМЗ
КМЗ 1 Мая
Ковровец
Коммаш
Кранэкс
КЭЗ
КЭМЗ
ЛЗА
МАЗ
МЗИК
МЗКМ
МЗКТ
Михневский РМЗ
МоАЗ
Мозырский МЗ
МТЗ
ОЗП
Онежец
ПАО "ТЗА"
ППС Детва
Промтрактор
ПТЗ
Раскат
СпецАгрегат
ТВЭКС
ТТМ
УВЗ
Угличмаш
УЗТМ
ХТЗ
ЧЗКМ
ЧСДМ
ЧТЗ
ЭКСКО
ЭКСМАШ
ЮрМаш
Модель
Не выбрано
5846ТМ (ЕА17) (2010)
E145W (ЕК-14)
E145W (ЕК-14) (2005)
E185W (ЕК-18)
E185W (ЕК-18) (2005)
E185W (ЕК-18) (2008)
E225LC (2022)
E225NLC (2022)
TLB 825 (2016)
TLB 825 (2017)
TLB 825 (2019)
TLB 935 (2020)
TLB 935 (2021)
TVEX-140W (2015)
TVEX-180i (2015)
TVEX-180W (2015)
TX220LC (2019)
TX220NLC (2019)
WX200 (2019)
WХ-200 (2015)
WХ-200 (2017) (2017)
ВП-03 (2005)
ВП-05
ВП-05 (2015)
ВП-05 (2005) (2005)
ВП-05 (вариант) (2005)
Е200СН (2018)
Е245СН (2018)
ЕК-12 (2005)
ЕК-12 (2007) (2007)
ЕК-12 (2013) (2013)
ЕК-14-20 (2013)
ЕК-14-90 (2011)
ЕК-14-90 (2015)
ЕК-18-20 (2010)
ЕК-18-40 (2005)
ЕК-18-45-60 (2008)
ЕК-18-90 (2012)
ЕК-18-90 (2015)
ЕК-20-20 (2010)
ЕТ-16 (2005)
ЕТ-16-20 (2007)
ЕТ-18-20 (2005)
ЕТ-20-20 (2012)
ЕТ-25
ЕТ-25-20 (2007)
ЕТ-26i (2010)
ЕТ-26i (2015)
ТХ-210 (2015)
ТХ-210 (2017)
ТХ-220 (2017)
ТХ-270 / 300 (2017)
ТЭП-18 (2012)
ЭО-3122
ЭО-3323
ЭО-3323А (2002)
ЭО-3326 (2000)
ЭОВ-3521 (2007)
ЭОВ-3521М-1 (2007)
ЭОВ-3521М-1 (2017)
ЭОВ-3521М-1 (2017)
Схема
>
Не выбрано
200000000000 00 Экскаватор пневмоколесный гидравлический WХ200
201000000000 00 Ходовая тележка в сборе
201010000000 00 Тележка ходовая
201010200000 00 Установка ОПУ
201010300000 00, 201010300000 10 Гидрооборудование ходовой тележки (раздельное управление аутригеров), (основной вариант)
201010400000 00 Установка опор с цилиндрами
002210105600 00 Гидроцилиндр выносных опор левый
000137182000 16 Гидроцилиндр
201010500000 00 Установка поддона
201020000000 00, 201020000000 01 Установка колес
320105000100 00 Колесо с шиной
201030000000 00 Установка отвала
001410105300 00 Цилиндр отвала
100630204000 16 Гидроцилиндр
201040000000 00 Балка аутригерная прикрутная
201010400000 00 Установка подножек и крыльев
001710110500 00 Ящик инструментальный
202000000000 XX Платформа поворотная с механизмами
202000000100 00 Установка стопора
202020000000 01 Установка кабины
202020200000 00 Установка интерьера кабины
202020300000 00 Установка верхней решетки
202020100000 00 Кабина в сборе
202020120000 00 Дверь в сборе
202020130000 00 Установка передней рамки
202020131000 00 Рамка передняя
202020140000 00 Дверца задняя в сборе
202020150000 00 Форточка задняя
202020100500 00 Установка фиксатора двери
202020100600 00 Установка нижнего стекла
202030000000 01 Пост управления экскаватором
202030200000 00 Установка пультов
202030300000 00 Установка климатической системы
001426220100 00 Регулятор воздуха
202030500000 00 Гидроуправление экскаватора
202030600000 01 Электроуправление в кабине
202040000000 10 Установка баков
202040100000 00 Бак топливный
202040200000 10 Бак гидравлический
202050000000 00 Установка противовеса
202070000000 00 Установка механизма поворота
202080000000 00, 202080000000 10 Гидрооборудование на поворотной платформе (двигатель “CUMMINS”), (двигатель “ЯМЗ”)
202080000070 00 Клапан редукционный
002629100020 00 Гидрораспределитель
202090000000 01 Электрооборудование на поворотной платформе
Установка АКБ
Кронштейн реле на бак
Задние фонари
Плафон капота
Фары передние
Жгуты поворотной платформы
202110000000 01 Установка кондицонера
202110100000 00 Установка конденсатора
202121000000 00 Установка силовая ЯМЗ-536
Двигатель с опорами
Топливная система
Фильтр предварительной очистки топлива
202121002000 00 Радиатор с кронштейнами
Патрубки водяного радиатора и расширительный бачок
Патрубки системы охлаждения
Патрубки интеркулера
202121003000 00 Установка воздухоочистителя
202121004000 00 Установка глушителя
202121001000 00 Установка агрегата насосного
202121005000 00 Установка НШ и фильтры двигателя
202130000000 00 Установка поддонов
202190000000 00 Установка ступени
202200000000 01 Установка сиденья оператора
202130000000 00 Установка стеклоочистителя
206000000000 01 Установка аудиосистемы
206000000000 08 Установка камеры заднего вида и фары на противовес
202064000000 00 Установка капота
203000000000 ХХ Установка рабочего оборудования
203020000000 20 Гидроцилиндр стрелы
203040000000 20 Гидроцилиндр рукояти
203030000000 00 Гидроразводка стрелы с разводкой под гидромолот
203080200000 01 Гидроразводка рукояти 2920 без разводки под гидромолот, 203060200000 01 Гидроразводка рукояти 2400 без разводки под гидромолот
203030000000 01 Гидроразводка стрелы с тормозными клапанами
203080000000 00 Установка рукояти 2920 с разводкой под гидромолот, 203060000000 00 Установка рукояти 2400 с разводкой под гидромолот
203080200000 00 Гидроразводка рукояти 2920 с разводкой под гидромолот, 203060200000 00 Гидроразводка рукояти 2400 с разводкой под гидромолот
203060400000 20 Гидроцилиндр ковша
206000000000 00 Комплект опций
206020000000 02 Установка четырех фар на крыше
206090000000 09 Установка фары на противовес
206040000000 04, 206200000000 20 Установка гидроразводки на грейфер с ротатором (с рукоятью 2400), (с рукоятью 2920)
206100000000 10 Установка стабилизаторов
206000020000 00, 206000020000 10 Стабилизатор
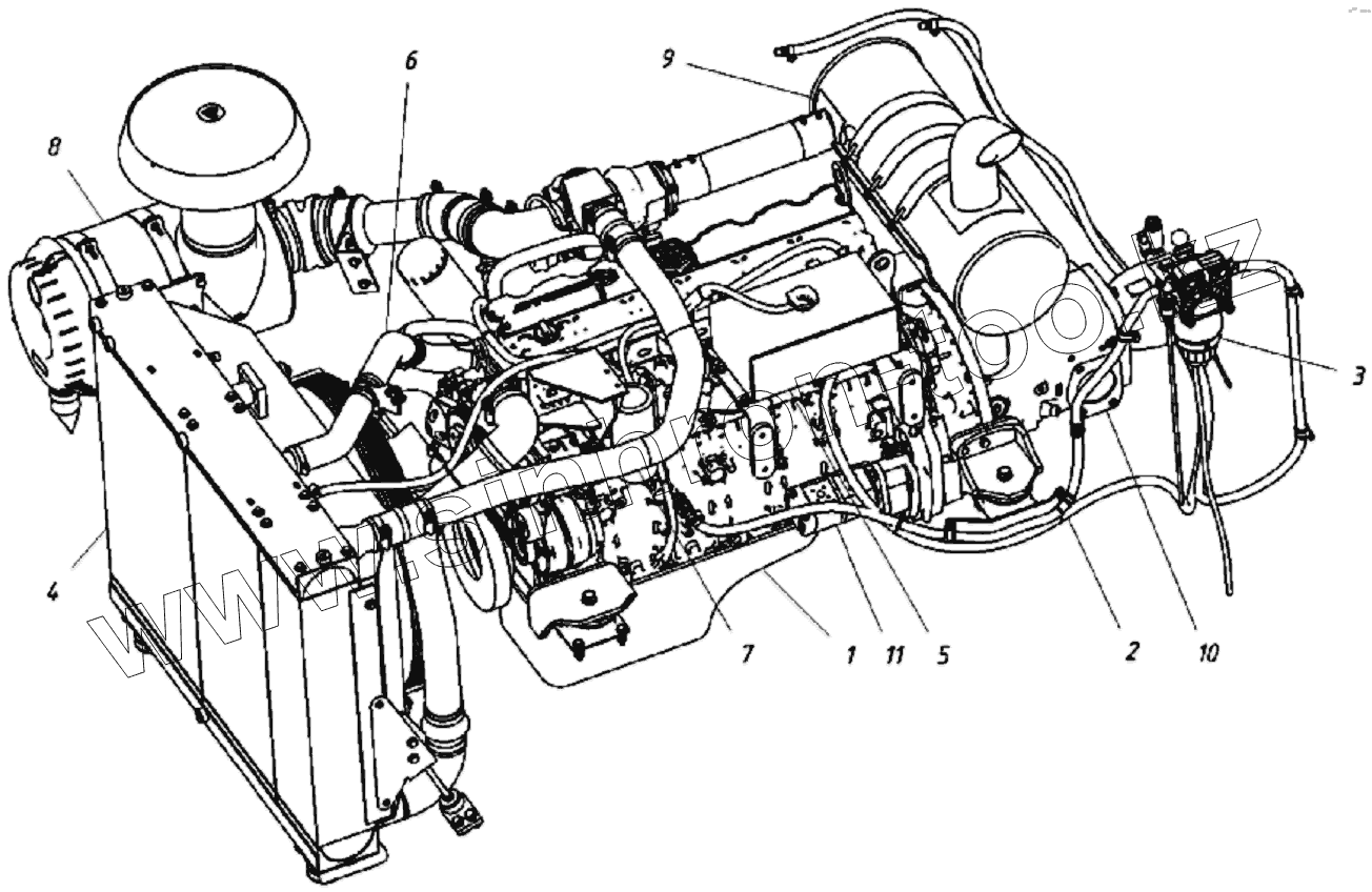
1
2
3
4
5
6
7
8
9
10
11
Позиция на иллюстрации
Заводской номер детали
Название детали
1
Двигатель
Двигатель с опорами
2
Топливнаясистема
Топливная система
3
Фильтр
Фильтр
4
20212100200000
Радиатор с кронштейнами
5
Патрубки
Патрубки
6
Патрубки
Патрубки
7
Патрубки
Патрубки
8
20212100300000
Установка воздуxоочистителя
9
20212100400000
Установка глушителя
10
20212100100000
Установка агрегата насосного
11
20212100500000
Установка НШ и фильтры двигателя
Содержащиеся в справочниках-каталогах запасные части и детали не предлагаются к продаже, а носят исключительно информационный характер
Дополнительная информация
×
Название:
Номер:
Примечание: