Вернуться на главную
Поиск
Каталоги запчастей к технике
Спецтехника
ТВЭКС
TX220NLC
Подключение отопителя
Каталог запасных частей к технике: ТВЭКС TX220NLC. Подключение отопителя
zoom-in
zoom-out
enlarge
shrink
circle-right
circle-left
file-text2
info
cart
Тип техники
Не выбрано
Легковые автомобили
Грузовые автомобили и прицепы
Автобусы
Сельхозтехника
Спецтехника
Двигатели
Мототехника
Марка
Не выбрано
Ammann
BOMAG
CARMIX
CASE IH
Changlin
ChengGong
Dimex
Doosan
DYNAPAC
Foton
HAMM
Hidromek
Hitachi
Hyundai
JCB
JLG
John Deere
Komatsu
LIEBHERR
LiuGong
Lonking (LongGong)
Luneng
MANITOU
Mitsuber
New Holland
PENGPU
RM-Terex
SANY
SDLG
SEM
Shantui
Shehwa HBXG
Soosan
TIGARBO
VOGELE
Volvo
WAY
WIRTGEN
XCMG
XGMA
Xiamen
YTO
Yuchai
Zoomlion
Автокран
АЗСМ
Алтайлесмаш
Амкодор
АОМЗ
Атек
АТЗ
Балканкар Рекорд
БелАЗ
Беловеж
Борекс
Брянский Арсенал
Булат
ВЭКС
ГАЗ
Геомаш
Гидромаш
Донекс
Дормаш
Дормашина
Дорэлектромаш
ДЭЗ
ЕлАЗ
ЗЗГТ
Ижнефтемаш
Канаш-электрокар
КЗКТ
ККЗ
Клевер
Клинцовский автокрановый завод
КМЗ
КМЗ 1 Мая
Ковровец
Коммаш
Кранэкс
КЭЗ
КЭМЗ
ЛЗА
МАЗ
МЗИК
МЗКМ
МЗКТ
Михневский РМЗ
МоАЗ
Мозырский МЗ
МТЗ
ОЗП
Онежец
ПАО "ТЗА"
ППС Детва
Промтрактор
ПТЗ
Раскат
СпецАгрегат
ТВЭКС
ТТМ
УВЗ
Угличмаш
УЗТМ
ХТЗ
ЧЗКМ
ЧСДМ
ЧТЗ
ЭКСКО
ЭКСМАШ
ЮрМаш
Модель
Не выбрано
5846ТМ (ЕА17) (2010)
E145W (ЕК-14)
E145W (ЕК-14) (2005)
E185W (ЕК-18)
E185W (ЕК-18) (2005)
E185W (ЕК-18) (2008)
E225LC (2022)
E225NLC (2022)
TLB 825 (2016)
TLB 825 (2017)
TLB 825 (2019)
TLB 935 (2020)
TLB 935 (2021)
TVEX-140W (2015)
TVEX-180i (2015)
TVEX-180W (2015)
TX220LC (2019)
TX220NLC (2019)
WX200 (2019)
WХ-200 (2015)
WХ-200 (2017) (2017)
ВП-03 (2005)
ВП-05
ВП-05 (2015)
ВП-05 (2005) (2005)
ВП-05 (вариант) (2005)
Е200СН (2018)
Е245СН (2018)
ЕК-12 (2005)
ЕК-12 (2007) (2007)
ЕК-12 (2013) (2013)
ЕК-14-20 (2013)
ЕК-14-90 (2011)
ЕК-14-90 (2015)
ЕК-18-20 (2010)
ЕК-18-40 (2005)
ЕК-18-45-60 (2008)
ЕК-18-90 (2012)
ЕК-18-90 (2015)
ЕК-20-20 (2010)
ЕТ-16 (2005)
ЕТ-16-20 (2007)
ЕТ-18-20 (2005)
ЕТ-20-20 (2012)
ЕТ-25
ЕТ-25-20 (2007)
ЕТ-26i (2010)
ЕТ-26i (2015)
ТХ-210 (2015)
ТХ-210 (2017)
ТХ-220 (2017)
ТХ-270 / 300 (2017)
ТЭП-18 (2012)
ЭО-3122
ЭО-3323
ЭО-3323А (2002)
ЭО-3326 (2000)
ЭОВ-3521 (2007)
ЭОВ-3521М-1 (2007)
ЭОВ-3521М-1 (2017)
ЭОВ-3521М-1 (2017)
Схема
>
Не выбрано
Перечень сборочных единиц
Экскаватор одноковшовый гусеничный гидравлический ТХ220
Ходовая тележка в сборе
Ходовая тележка в сборе
Гидрооборудование тележки (устанавливается фирмы «Bosch-Rexroth»)
Гидрооборудование тележки (устанавливается фирмы Sungbo)
Установка приводов хода
Установка поддонов
Установка ОПУ
Платформа поворотная с механизмами
Платформа поворотная с механизмами
Установка стопора
Установка механизма поворота
Установка кабины
Установка интерьера кабины
Установка верхней решетки
Кабина в сборе
Кабина в сборе
Кабина в сборе
Кабина в сборе
Кабина в сборе
Кабина в сборе
Кабина в сборе
Дверь в сборе
Установка передней рамки
Рамка передняя
Дверца задняя в сборе
Форточка задняя
Установка фиксатора двери
Установка нижнего стекла
Установка опор кабины
Установка ступени
Установка сиденья оператора
Установка стеклоочистителя
Установка стеклоочистителя
Установка аудиосистемы
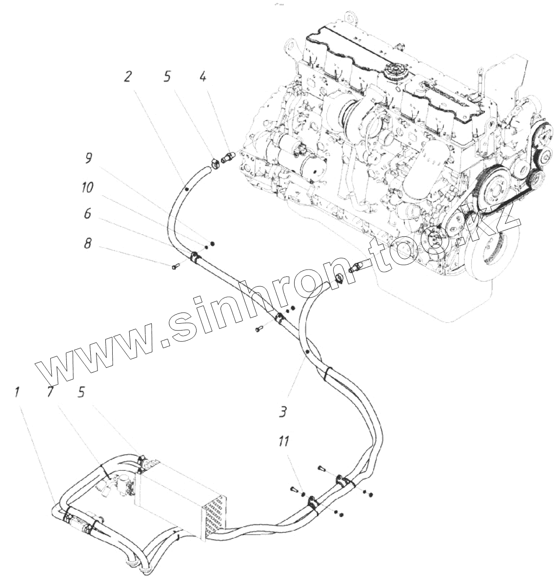
Подключение отопителя
Установка зеркал с подогревом
Пост управления экскаватором
Пост управления экскаватором
Пост управления экскаватором
Установка пультов
Установка пультов
Установка пультов
Регулятор воздуха
Установка противовеса
Гидроуправление экскаватора
Гидроуправление экскаватора
Гидроуправление экскаватора
Бак гидравлический
Гидрооборудование на поворотной платформе (двигатель “ЯМЗ”, мех-м поворота Бош-Рексрот)
Гидрооборудование на поворотной платформе (двигатель “ЯМЗ”, мех-м поворота Бош-Рексрот)
Гидрооборудование на поворотной платформе (двигатель “ЯМЗ”, мех-м поворота Бош-Рексрот)
Гидрооборудование на поворотной платформе (двигатель “ЯМЗ”, мех-м поворота Бош-Рексрот), (двигатель “ЯМЗ”, мех-м поворота Sungbо)
Гидрооборудование на поворотной платформе (двигатель “ЯМЗ”, гидравлика с электороуправлением)
Гидрооборудование на поворотной платформе (двигатель “ЯМЗ”, гидравлика с электороуправлением)
Гидрооборудование на поворотной платформе (двигатель “ЯМЗ”, гидравлика с электороуправлением)
Гидрооборудование на поворотной платформе (двигатель “ЯМЗ”, гидравлика с электороуправлением)
Гидрооборудование на поворотной платформе (двигатель “ЯМЗ”, гидравлика с электороуправлением), (двигатель “ЯМЗ”, гидравлика с электороуправлением и мех-м поворота Sungbо)
Гидрораспределитель
Электроуправление в кабине
Электроуправление в кабине
Электроуправление в кабине
Электрооборудование на поворотной платформе
Установка АКБ
Кронштейн реле на бак
Подсветка номерного знака
Плафон капота
Сигнал
Жгуты поворотной платформы
Установка кондицонера
Установка конденсатора
Установка климатической системы
Установка камеры заднего вида и фары на противовес
Установка четырех фар на крыше
Установка фары на противовес
Установка баков
Бак топливный
Установка силовая ЯМЗ 536
Двигатель с опорами
Топливная система
Фильтр предварительной очистки топлива
Радиатор с кронштейнами
Патрубки водяного радиатора и расширительный бачок
Патрубки системы охлаждения
Патрубки интеркулера
Установка воздухоочистителя
Установка глушителя
Установка агрегата насосного
Установка капота
Установка капота
Установка капота
Установка капота
Установка капота
Установка рабочего оборудования
Исполнения рабочего оборудования TX-210
Гидроцилиндр стрелы
Гидроцилиндр рукояти
Гидроразводка стрелы с разводкой под гидромолот
Гидроразводка стрелы с тормозными клапанами
Установка рукояти 2920 с разводкой под гидромолот
Установка рукояти 2400 с разводкой под гидромолот
Гидроразводка рукояти 2920 с разводкой под гидромолот
Гидроразводка рукояти 2400 с разводкой под гидромолот
Гидроразводка рукояти 2920 без разводки под гидромолот
Гидроразводка рукояти 2400 без разводки под гидромолот
Гидроцилиндр ковша
Установка ковша
Установка ковша
Комплект опций
Установка гидроразводки на грейфер с ротатором с рукоятью 2400
Установка гидроразводки на грейфер с ротатором с рукоятью 2920
Установка гидроразводки на грейфер с ротатором (гидравлика)
Установка стабилизации стрелы
1
2
3
4
5
5
6
7
Позиция на иллюстрации
Заводской номер детали
Название детали
1
202250000001 00
Рукав
2
202250000002 00
Рукав
3
202250000003 00
Рукав
4
225408725003 00
Ниппель
5
000923820303 01
Хомут
6
000923820305 01
Хомут
7
000923820105 01
Кабельный хомут
26
000026400125 01
Болт
34
000026410608 01
Гайка
41
000026440205 01
Шайба
46
000026440608 01
Шайба
Содержащиеся в справочниках-каталогах запасные части и детали не предлагаются к продаже, а носят исключительно информационный характер
Дополнительная информация
×
Название:
Номер:
Примечание: