Вернуться на главную
Поиск
Каталоги запчастей к технике
Спецтехника
ТВЭКС
TVEX-180W
314208006000 00 Установка маслоохладительная
Каталог запасных частей к технике: ТВЭКС TVEX-180W. 314208006000 00 Установка маслоохладительная
zoom-in
zoom-out
enlarge
shrink
circle-right
circle-left
file-text2
info
cart
Тип техники
Не выбрано
Легковые автомобили
Грузовые автомобили и прицепы
Автобусы
Сельхозтехника
Спецтехника
Двигатели
Мототехника
Марка
Не выбрано
Ammann
BOMAG
CARMIX
CASE IH
Changlin
ChengGong
Dimex
Doosan
DYNAPAC
Foton
HAMM
Hidromek
Hitachi
Hyundai
JCB
JLG
John Deere
Komatsu
LIEBHERR
LiuGong
Lonking (LongGong)
Luneng
MANITOU
Mitsuber
New Holland
PENGPU
RM-Terex
SANY
SDLG
SEM
Shantui
Shehwa HBXG
Soosan
TIGARBO
VOGELE
Volvo
WAY
WIRTGEN
XCMG
XGMA
Xiamen
YTO
Yuchai
Zoomlion
Автокран
АЗСМ
Алтайлесмаш
Амкодор
АОМЗ
Атек
АТЗ
Балканкар Рекорд
БелАЗ
Беловеж
Борекс
Брянский Арсенал
Булат
ВЭКС
ГАЗ
Геомаш
Гидромаш
Донекс
Дормаш
Дормашина
Дорэлектромаш
ДЭЗ
ЕлАЗ
ЗЗГТ
Ижнефтемаш
Канаш-электрокар
КЗКТ
ККЗ
Клевер
Клинцовский автокрановый завод
КМЗ
КМЗ 1 Мая
Ковровец
Коммаш
Кранэкс
КЭЗ
КЭМЗ
ЛЗА
МАЗ
МЗИК
МЗКМ
МЗКТ
Михневский РМЗ
МоАЗ
Мозырский МЗ
МТЗ
ОЗП
Онежец
ПАО "ТЗА"
ППС Детва
Промтрактор
ПТЗ
Раскат
СпецАгрегат
ТВЭКС
ТТМ
УВЗ
Угличмаш
УЗТМ
ХТЗ
ЧЗКМ
ЧСДМ
ЧТЗ
ЭКСКО
ЭКСМАШ
ЮрМаш
Модель
Не выбрано
5846ТМ (ЕА17) (2010)
E145W (ЕК-14)
E145W (ЕК-14) (2005)
E185W (ЕК-18)
E185W (ЕК-18) (2005)
E185W (ЕК-18) (2008)
E225LC (2022)
E225NLC (2022)
TLB 825 (2016)
TLB 825 (2017)
TLB 825 (2019)
TLB 935 (2020)
TLB 935 (2021)
TVEX-140W (2015)
TVEX-180i (2015)
TVEX-180W (2015)
TX220LC (2019)
TX220NLC (2019)
WX200 (2019)
WХ-200 (2015)
WХ-200 (2017) (2017)
ВП-03 (2005)
ВП-05
ВП-05 (2015)
ВП-05 (2005) (2005)
ВП-05 (вариант) (2005)
Е200СН (2018)
Е245СН (2018)
ЕК-12 (2005)
ЕК-12 (2007) (2007)
ЕК-12 (2013) (2013)
ЕК-14-20 (2013)
ЕК-14-90 (2011)
ЕК-14-90 (2015)
ЕК-18-20 (2010)
ЕК-18-40 (2005)
ЕК-18-45-60 (2008)
ЕК-18-90 (2012)
ЕК-18-90 (2015)
ЕК-20-20 (2010)
ЕТ-16 (2005)
ЕТ-16-20 (2007)
ЕТ-18-20 (2005)
ЕТ-20-20 (2012)
ЕТ-25
ЕТ-25-20 (2007)
ЕТ-26i (2010)
ЕТ-26i (2015)
ТХ-210 (2015)
ТХ-210 (2017)
ТХ-220 (2017)
ТХ-270 / 300 (2017)
ТЭП-18 (2012)
ЭО-3122
ЭО-3323
ЭО-3323А (2002)
ЭО-3326 (2000)
ЭОВ-3521 (2007)
ЭОВ-3521М-1 (2007)
ЭОВ-3521М-1 (2017)
ЭОВ-3521М-1 (2017)
Схема
>
Не выбрано
Базовое исполнение экскаваторов TVEX-180W
Перечень сборочных единиц
318920000000 00 Экскаватор пневмоколесный гидравлический TVEX-180W
318920000000 00 Экскаватор пневмоколесный гидравлический TVEX-180W
318922000000 00 Платформа поворотная с механизмами (механизм поворота РМР), 3189220000000 01 (механизм поворота Poclain)
314938000000 10, 314938000000 30 Гидрооборудование на поворотной платформе
314928001000 10, 314928001000 Трубопроводы на поворотной платформе
314928001000 10, 314928001000 Трубопроводы на поворотной платформе
314928001000 10, 314928001000 Трубопроводы на поворотной платформе
318508001040 00 Клапан предохранительный
004029000030 00 Гидрораспределитель
314928004000 00, 314928004000 Гидроуправление экскаватора
314928004000 00, 314928004000 Гидроуправление экскаватора
314928004000 00, 314928004000 Гидроуправление экскаватора
314208006000 00 Установка маслоохладительная
314928009000 00 Бак гидравлический
001426100000 00 Кабина
001426104000 00 Дверь в сборе
001426108000 00 Установка стеклоочистителя
001426210000 00 Управление экскаватором
314220400000 30 Установка силовая
314220400000 30 Установка силовая
314220400000 30 Установка силовая
314220405000 10 Установка радиаторов
314220405000 10 Установка радиаторов
314220406000 00 Установка агрегата насосного
314220407000 10 Установка воздухоочистителя
314220407000 10 Установка воздухоочистителя
314220408000 30 Установка глушителя
314220412000 00 Управление двигателем
314920650000 00 Установка бака топливного
314238100000 20 Пневмоуправление на поворотной платформе
318902100000 00 Рабочее оборудование обратной лопаты
318902100000 00 Рабочее оборудование обратной лопаты
318902100000 00 Рабочее оборудование обратной лопаты
318902100000 00 Рабочее оборудование обратной лопаты
318922380000 00 Трубопроводы рабочего оборудования
318902180500 00 Гидроразводка рукояти 2200
318902180550 00 Гидроразводка рукояти 2800
318902180600 10 Гидроразводка рукояти 3400
318922107100 10 Ковш обратной лопаты
320002107400 10 Ковш обратной лопаты
320002107600 10 Ковш обратной лопаты
320002107500 10 Ковш обратной лопаты
125801109000 16 Гидроцилиндр
318002191000 13 Гидроцилиндр
125901403000 00 Гидроцилиндр
001426501000 00 Электрооборудование
001710100000 40 Тележка ходовая
001710106000 00 Установка отвала
001710107000 00 Установка ОПРУ
001710111000 00 Установка подножек
001410105000 00 Гидрооборудование тележки
318027200300 05 Гидроцилиндр выносных опор правый
001410105210 00 Гидроцилиндр выносных опор правый
318027200400 05 Гидроцилиндр выносных опор левый
001410105200 00 Гидроцилиндр выносных опор левый
002210102000 00 Установка опор
314921400000 00 Установка кондиционера
314931401000 00 Установка компрессора
314931402000 00 Установка конденсатора
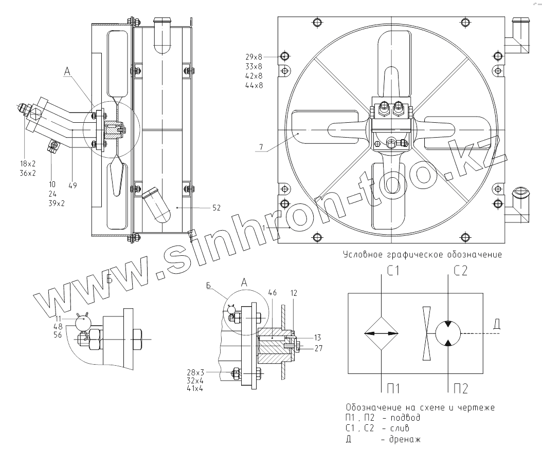
1
7
10
11
12
13
18
24
27
28
29
32
33
36
39
41
42
44
46
48
49
52
56
Позиция на иллюстрации
Заводской номер детали
Название детали
1
31420800601000
Диффузор
7
00007020420000
Крыльчатка
10
00350800401010
Втулка
11
31420800610200
Болт
12
31300800600200
Шайба
13
31300800600300
Шайба
18
00023071300500
Штуцер
24
00350800400100
Болт
27
М6-6gх14.58.016
Болт
28
М8-6gх30.58.016
Болт
29
М10-6gх25.58.016
Болт
32
М8-6Н.5.016
Гайка
33
М10-6Н.5.016
Гайка
36
018-022-25-2-3
Кольцо
39
Прокладка
Прокладка
41
8.65Г.016
Шайба
42
10.65Г.016
Шайба
44
С10.01.08кп.019
Шайба
46
2-6х6х32
Шпонка
48
10/6.5
Пломба
49
00010310120101
Гидромотор
52
00093324513401
Калорифер
56
1-О-С
Проволока
Содержащиеся в справочниках-каталогах запасные части и детали не предлагаются к продаже, а носят исключительно информационный характер
Дополнительная информация
×
Название:
Номер:
Примечание: