Вернуться на главную
Поиск
Каталоги запчастей к технике
Спецтехника
ТВЭКС
TVEX-140W
314208006000 00 Установка маслоохладительная
Каталог запасных частей к технике: ТВЭКС TVEX-140W. 314208006000 00 Установка маслоохладительная
zoom-in
zoom-out
enlarge
shrink
circle-right
circle-left
file-text2
info
cart
Тип техники
Не выбрано
Легковые автомобили
Грузовые автомобили и прицепы
Автобусы
Сельхозтехника
Спецтехника
Двигатели
Мототехника
Марка
Не выбрано
Ammann
BOMAG
CARMIX
CASE IH
Changlin
ChengGong
Dimex
Doosan
DYNAPAC
Foton
HAMM
Hidromek
Hitachi
Hyundai
JCB
JLG
John Deere
Komatsu
LIEBHERR
LiuGong
Lonking (LongGong)
Luneng
MANITOU
Mitsuber
New Holland
PENGPU
RM-Terex
SANY
SDLG
SEM
Shantui
Shehwa HBXG
Soosan
TIGARBO
VOGELE
Volvo
WAY
WIRTGEN
XCMG
XGMA
Xiamen
YTO
Yuchai
Zoomlion
Автокран
АЗСМ
Алтайлесмаш
Амкодор
АОМЗ
Атек
АТЗ
Балканкар Рекорд
БелАЗ
Беловеж
Борекс
Брянский Арсенал
Булат
ВЭКС
ГАЗ
Геомаш
Гидромаш
Донекс
Дормаш
Дормашина
Дорэлектромаш
ДЭЗ
ЕлАЗ
ЗЗГТ
Ижнефтемаш
Канаш-электрокар
КЗКТ
ККЗ
Клевер
Клинцовский автокрановый завод
КМЗ
КМЗ 1 Мая
Ковровец
Коммаш
Кранэкс
КЭЗ
КЭМЗ
ЛЗА
МАЗ
МЗИК
МЗКМ
МЗКТ
Михневский РМЗ
МоАЗ
Мозырский МЗ
МТЗ
ОЗП
Онежец
ПАО "ТЗА"
ППС Детва
Промтрактор
ПТЗ
Раскат
СпецАгрегат
ТВЭКС
ТТМ
УВЗ
Угличмаш
УЗТМ
ХТЗ
ЧЗКМ
ЧСДМ
ЧТЗ
ЭКСКО
ЭКСМАШ
ЮрМаш
Модель
Не выбрано
5846ТМ (ЕА17) (2010)
E145W (ЕК-14)
E145W (ЕК-14) (2005)
E185W (ЕК-18)
E185W (ЕК-18) (2005)
E185W (ЕК-18) (2008)
E225LC (2022)
E225NLC (2022)
TLB 825 (2016)
TLB 825 (2017)
TLB 825 (2019)
TLB 935 (2020)
TLB 935 (2021)
TVEX-140W (2015)
TVEX-180i (2015)
TVEX-180W (2015)
TX220LC (2019)
TX220NLC (2019)
WX200 (2019)
WХ-200 (2015)
WХ-200 (2017) (2017)
ВП-03 (2005)
ВП-05
ВП-05 (2015)
ВП-05 (2005) (2005)
ВП-05 (вариант) (2005)
Е200СН (2018)
Е245СН (2018)
ЕК-12 (2005)
ЕК-12 (2007) (2007)
ЕК-12 (2013) (2013)
ЕК-14-20 (2013)
ЕК-14-90 (2011)
ЕК-14-90 (2015)
ЕК-18-20 (2010)
ЕК-18-40 (2005)
ЕК-18-45-60 (2008)
ЕК-18-90 (2012)
ЕК-18-90 (2015)
ЕК-20-20 (2010)
ЕТ-16 (2005)
ЕТ-16-20 (2007)
ЕТ-18-20 (2005)
ЕТ-20-20 (2012)
ЕТ-25
ЕТ-25-20 (2007)
ЕТ-26i (2010)
ЕТ-26i (2015)
ТХ-210 (2015)
ТХ-210 (2017)
ТХ-220 (2017)
ТХ-270 / 300 (2017)
ТЭП-18 (2012)
ЭО-3122
ЭО-3323
ЭО-3323А (2002)
ЭО-3326 (2000)
ЭОВ-3521 (2007)
ЭОВ-3521М-1 (2007)
ЭОВ-3521М-1 (2017)
ЭОВ-3521М-1 (2017)
Схема
>
Не выбрано
Базовое исполнение экскаваторов TVEX-140W
Перечень сборочных единиц
314930000000 00 Экскаватор одноковшовый пневмоколесный Перечень сборочных единиц
314932000000 00 Платформа поворотная (мех-м поворота РМР), 314932000000 01 (мех-м поворота Poclain)
314938000000 00, 314938000000 20 Гидрооборудование на поворотной платформе
314928001000 00, 314928001000 20 Трубопроводы на поворотной платформе
314928001000 00, 314928001000 20 Трубопроводы на поворотной платформе
314928001000 00, 314928001000 20 Трубопроводы на поворотной платформе
314928004000 00, 314928004000 20 Гидроуправление экскаватора
314928004000 00, 314928004000 20 Гидроуправление экскаватора
314928004000 00, 314928004000 20 Гидроуправление экскаватора
318508001040 00 Клапан предохранительный
004029000030 00 Гидрораспределитель
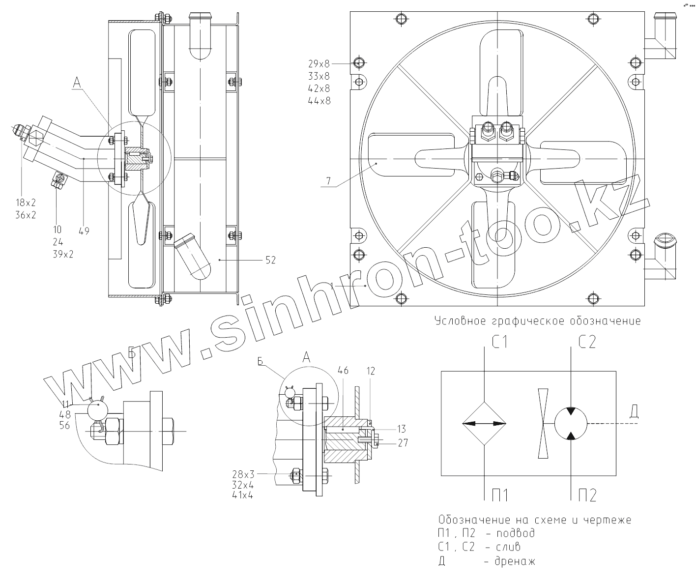
314208006000 00 Установка маслоохладительная
314928009000 00 Бак гидравлический
001426100000 00 Кабина
001426104000 00 Дверь в сборе
001426108000 00 Установка стеклоочистителя
001426210000 00 Управление экскаватором
314220400000 40 Установка силовая
314220405000 10 Установка радиаторов
314220411000 00 Установка агрегата насосного
314220407000 20 Установка воздухоочистителя
314220408000 30 Установка глушителя
314220412000 00 Управление двигателем
314920650000 00 Установка бака топливного
001410100000 00 Тележка ходовая
001410100000 00 Тележка ходовая
001410100000 00 Тележка ходовая
001410100000 00 Тележка ходовая
001410105000 00 Гидрооборудование тележки
001410105000 00 Гидрооборудование тележки
318027200300 05 Гидроцилиндр выносных опор правый
002210105600 00 Гидроцилиндр выносных опор правый
318027200400 05 Гидроцилиндр выносных опор левый
002210105500 00 Гидроцилиндр выносных опор левый
001410107000 00 Установка ОПРУ
314921400000 00 Установка кондиционера
314931401000 00 Установка компрессора
314931402000 00 Установка конденсатора
314922300000 00 Рабочее оборудование обратной лопаты
314032321100 10 Ковш обратной лопаты
318142107030 00 Зуб в сборе
314032321200 10 Ковш обратной лопаты
312002805100 10 Ковш обратной лопаты
314032321300 10 Ковш обратной лопаты
314902380000 00 Трубопроводы рабочего оборудования
314902380500 00 Гидроразводка рукояти 2200
314902380550 00 Гидроразводка рукояти 2800
314902380600 00 Гидроразводка рукояти 3400
110700901000 16 Гидроцилиндр (110х70х900)
313002395000 16 Гидроцилиндр (110х70х1100)
125901102000 16 Гидроцилиндр (125х90х1100)
001426501000 00 Электрооборудование
1
7
10
11
12
13
18
24
27
28
29
32
33
36
39
41
42
44
46
48
49
52
56
Позиция на иллюстрации
Заводской номер детали
Название детали
1
31420800601000
Диффузор
7
00007020420000
Крыльчатка
10
00350800401010
Втулка
11
31420800610200
Болт
12
31300800600200
Шайба
13
31300800600300
Шайба
18
00023071300500
Штуцер
24
00350800400100
Болт
27
М6-6gх14.58.016
Болт
28
М8-6gх30.58.016
Болт
29
М10-6gх25.58.016
Болт
32
М8-6Н.5.016
Гайка
33
М10-6Н.5.016
Гайка
36
018-022-25-2-3
Кольцо
39
ПрокладкаM12
Прокладка
41
8.65Г.016
Шайба
42
10.65Г.016
Шайба
44
С10.01.08кп.019
Шайба
46
2-6х6х32
Шпонка
48
10/6.5
Пломба
49
00010310120101
Гидромотор
52
00093324513401
Калорифер
56
1-О-С
Проволока
Содержащиеся в справочниках-каталогах запасные части и детали не предлагаются к продаже, а носят исключительно информационный характер
Дополнительная информация
×
Название:
Номер:
Примечание: