Каталог запасных частей к технике: ТВЭКС TLB 935. Шассии, стабилизаторы
1
1
2
3
3
4
5
5
5
5
5
5
5
6
7
8
9
10
10
10
10
10
10
10
11
12
13
13
14
14
15
15
16
16
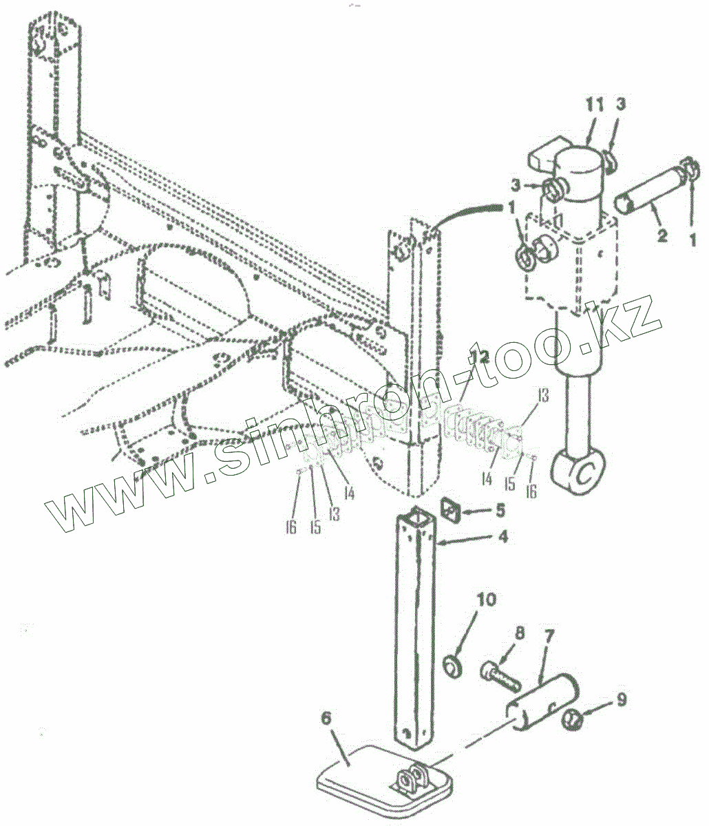
| Позиция на иллюстрации | Заводской номер детали | Название детали | |
|---|---|---|---|
| 1 | 000815000803 01 | Стопорное кольцо | |
| 2 | 825102300014 00 | Палец | |
| 3 | 825108003006 00 | Распорка | |
| 4 | 815005010200 00 | Опора | |
| 5 | 000815000813 01 | Фрикционная колодка | |
| 5 | 000815091141 01 | Фрикционная колодка | |
| 5 | 000815091132 01 | Фрикционная колодка | |
| 5 | 000815091137 01 | Фрикционная колодка | |
| 5 | 000815091138 01 | Фрикционная колодка | |
| 5 | 000815000817 01 | Фрикционная колодка | |
| 5 | 000815000818 01 | Фрикционная колодка | |
| 6 | 815005010100 30 | Башмак | |
| 7 | 825102300017 00 | Палец | |
| 8 | 000815000804 01 | Винт | |
| 9 | 000026401010 01 | Гайка | |
| 10 | 000815000815 01 | Колодка | |
| 10 | 000815091135 01 | Упорная пластина | |
| 10 | 000815091132 01 | Фрикционная колодка | |
| 10 | 000815091137 01 | Фрикционная колодка | |
| 10 | 000815091138 01 | Фрикционная колодка | |
| 10 | 000815000817 01 | Фрикционная колодка | |
| 10 | 000815000818 01 | Фрикционная колодка | |
| 11 | 070450600000 02 | Гидроцилиндр выносных опор | |
| 12 | 825108001018 00 | Прокладка | |
| 13 | 825108001400 00 | Прижимная пластина | |
| 14 | 000815091168 01 | Накладка упорная | |
| 15 | 000026440207 01 | Шайба | |
| 16 | 000026400329 01 | Болт |
Содержащиеся в справочниках-каталогах запасные части и детали не предлагаются к продаже, а носят исключительно информационный характер