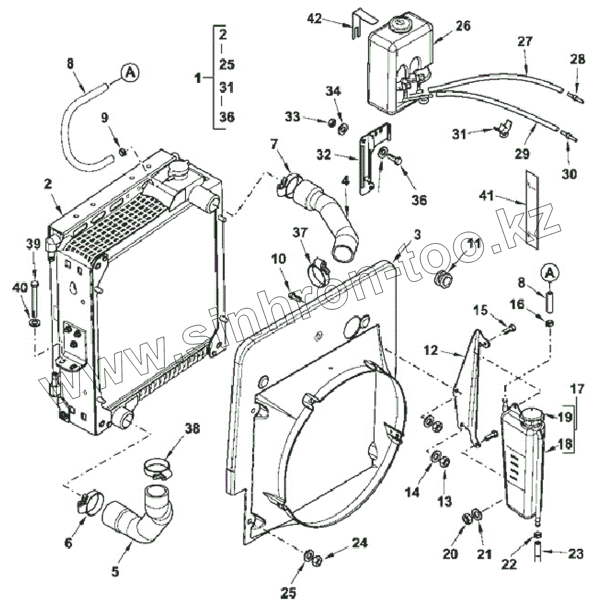
Каталог запасных частей к технике: ТВЭКС TLB 935. Радиатор / маслянный радиатор

zoom-in zoom-out enlarge shrink circle-right circle-left file-text2 info cart
1
2
2
3
4
5
6
7
8
8
9
10
11
12
13
14
15
16
17
18
19
20
21
22
23
24
25
25
26
27
28
29
30
31
31
32
33
34
36
36
37
38
38
39
41
42
Позиция на иллюстрации Заводской номер детали Название детали
1 6112448M91 Радиатор в сборе
2 6109204M91 Радиатор в сборе
3 6110011M1 Кожух вентилятора
4 6110104M1 Шланг вентилятора
5 6109171M1 Шланг вентилятора
6 3517415M1 Зажим
7 3517415M1 Зажим
8 6109001M1 Шланг расширительный
9 6100555M1 Зажим
10 3009493X1 Болт
11 3522133M2 Уплотнительное кольцо
12 6108999M1 Кронштейн бачока
13 1441932X1 Гайка
14 390734X1 Шайба
15 339123X1 Болт
16 6100555M1 Зажим
17 6109901M91 Расширительный бачок
18 RESERVOIR Бачок
19 CAP Крышка
20 1441461X1 Гайка
21 390972X1 Шайба
22 6100555M1 Зажим
23 6109001M2 Шланг расширительный
24 1441932X1 Гайка
25 390734X1 Шайба
26 6112450M91 Бачок омывателя
27 3516102M1 Трубка
28 3516103M1 Переходник
29 3516102M1 Трубка
30 3516103M1 Переходник
31 3520363M1 Фиксатор
32 6112240M2 Кронштейн
33 1441932X1 Гайка
34 390734X1 Шайба
35 390734X1 Шайба
36 3009493X1 Болт
37 3517415M1 Зажим
38 3517415M1 Зажим
38 339020X1 Болт
39 385363X1 Гайка
41 6100661M1 Наклейка
42 6112353М1 Фиксатор-кронштейн
Содержащиеся в справочниках-каталогах запасные части и детали не предлагаются к продаже, а носят исключительно информационный характер