Вернуться на главную
Поиск
Каталоги запчастей к технике
Спецтехника
ТВЭКС
TLB 935
Гидравлический бак
Каталог запасных частей к технике: ТВЭКС TLB 935. Гидравлический бак
zoom-in
zoom-out
enlarge
shrink
circle-right
circle-left
file-text2
info
cart
Тип техники
Не выбрано
Легковые автомобили
Грузовые автомобили и прицепы
Автобусы
Сельхозтехника
Спецтехника
Двигатели
Мототехника
Марка
Не выбрано
Ammann
BOMAG
CARMIX
CASE IH
Changlin
ChengGong
Dimex
Doosan
DYNAPAC
Foton
HAMM
Hidromek
Hitachi
Hyundai
JCB
JLG
John Deere
Komatsu
LIEBHERR
LiuGong
Lonking (LongGong)
Luneng
MANITOU
Mitsuber
New Holland
PENGPU
RM-Terex
SANY
SDLG
SEM
Shantui
Shehwa HBXG
Soosan
TIGARBO
VOGELE
Volvo
WAY
WIRTGEN
XCMG
XGMA
Xiamen
YTO
Yuchai
Zoomlion
Автокран
АЗСМ
Алтайлесмаш
Амкодор
АОМЗ
Атек
АТЗ
Балканкар Рекорд
БелАЗ
Беловеж
Борекс
Брянский Арсенал
Булат
ВЭКС
ГАЗ
Геомаш
Гидромаш
Донекс
Дормаш
Дормашина
Дорэлектромаш
ДЭЗ
ЕлАЗ
ЗЗГТ
Ижнефтемаш
Канаш-электрокар
КЗКТ
ККЗ
Клевер
Клинцовский автокрановый завод
КМЗ
КМЗ 1 Мая
Ковровец
Коммаш
Кранэкс
КЭЗ
КЭМЗ
ЛЗА
МАЗ
МЗИК
МЗКМ
МЗКТ
Михневский РМЗ
МоАЗ
Мозырский МЗ
МТЗ
ОЗП
Онежец
ПАО "ТЗА"
ППС Детва
Промтрактор
ПТЗ
Раскат
СпецАгрегат
ТВЭКС
ТТМ
УВЗ
Угличмаш
УЗТМ
ХТЗ
ЧЗКМ
ЧСДМ
ЧТЗ
ЭКСКО
ЭКСМАШ
ЮрМаш
Модель
Не выбрано
5846ТМ (ЕА17) (2010)
E145W (ЕК-14)
E145W (ЕК-14) (2005)
E185W (ЕК-18)
E185W (ЕК-18) (2005)
E185W (ЕК-18) (2008)
E225LC (2022)
E225NLC (2022)
TLB 825 (2016)
TLB 825 (2017)
TLB 825 (2019)
TLB 935 (2020)
TLB 935 (2021)
TVEX-140W (2015)
TVEX-180i (2015)
TVEX-180W (2015)
TX220LC (2019)
TX220NLC (2019)
WX200 (2019)
WХ-200 (2015)
WХ-200 (2017) (2017)
ВП-03 (2005)
ВП-05
ВП-05 (2015)
ВП-05 (2005) (2005)
ВП-05 (вариант) (2005)
Е200СН (2018)
Е245СН (2018)
ЕК-12 (2005)
ЕК-12 (2007) (2007)
ЕК-12 (2013) (2013)
ЕК-14-20 (2013)
ЕК-14-90 (2011)
ЕК-14-90 (2015)
ЕК-18-20 (2010)
ЕК-18-40 (2005)
ЕК-18-45-60 (2008)
ЕК-18-90 (2012)
ЕК-18-90 (2015)
ЕК-20-20 (2010)
ЕТ-16 (2005)
ЕТ-16-20 (2007)
ЕТ-18-20 (2005)
ЕТ-20-20 (2012)
ЕТ-25
ЕТ-25-20 (2007)
ЕТ-26i (2010)
ЕТ-26i (2015)
ТХ-210 (2015)
ТХ-210 (2017)
ТХ-220 (2017)
ТХ-270 / 300 (2017)
ТЭП-18 (2012)
ЭО-3122
ЭО-3323
ЭО-3323А (2002)
ЭО-3326 (2000)
ЭОВ-3521 (2007)
ЭОВ-3521М-1 (2007)
ЭОВ-3521М-1 (2017)
ЭОВ-3521М-1 (2017)
Схема
>
Не выбрано
Идентификация узлов
Идентификация узлов
Двигатель без кондиционера
Фильтр масленный
Фильтр топливный
Генератор
Радиатор / маслянный радиатор
Топливный бак
Система впускная
Система выпуска
Топливная система
Гидрооборудование
Установка трансмиссии
Щуп кпп
Установка заднего привода
Установка переднего привода
Задний мост
Колеса
Блок контрольный
Рабочий тормоз, схема тормоза
Рабочий тормоз, схема тормоза
Ведущие колёса и колонка
Передний мост
Корпус / Стёкла
Дверь
Заднее окно
Внешняя крыша кабины
Внутренняя крыша кабины
Установка кабины
Пластина пола
Панели
Стеклоочиститель переднего стекла
Коврики
Передняя установка отопителя
Установка заднего отопителя
Передняя консоль
Передний пульт, выключатель вперед/назад
Блок управления
Передний пульт, приборная панель
Отопитель
Пульт боковой
Пульт боковой
Плата реле и предохранителей
Установка сиденья / кабина
Шасси / боковое смещение
Капот двигателя / белый
Капот двигателя / белый
Аккумуляторный отсек
Аккумуляторный отсек
Передние крылья
Задние крылья / предохранение от грязи
Электрооборудование шасси
Кабель батареи
Сигнал хода назад
Передние фары освещения
Заднее освещение
Компоновка оборудования
Компоновка оборудования
Компоновка оборудования
Компоновка оборудования
Компоновка оборудования
Гидравлический бак
Погрузчик / Рукоять / Механический
Соединения
Распорка безопасности
Управление / 7.1 Управление
Управление
Гидроооборудование погрузчика
Гидроооборудование погрузчика
Механизм самовыравнивания
Механизм самовыравнивания
Погрузочный ковш/стандарт
Установка ковша
Стрела
Рукоять
Механизмы поворота экскаваторного оборудования
Механизмы смещения экскаваторного оборудования
Гидрооборудование экскаваторное
Гидрооборудование экскаваторное
Шассии, стабилизаторы
Гидрооборудование экскаваторное, стабилизаторы
Гидрооборудование экскаваторное, стабилизаторы, замки
Гидрооборудование экскаваторное, зажим
Управление стабилизаторами
Управление стабилизаторами
Управление экскаваторным оборудованием
Гидрооборудование экскаваторное, привод стрелы
Гидрооборудование экскаваторное, привод рукояти
Гидрооборудование экскаваторное, привод ковша
Гидрооборудование экскаваторное, телескопическое, привод ковша
Экскаваторный ковш. соединение
Экскаваторный ковш
Крылья задние
Трос стояночного тормоза
Трос блокировки стрелы
Трос дросселирования
Гидроцилиндр перемещения каретки
Гидроцилиндр телескопа
Гидроцилиндр ковша 7 в 1
Гидроцилиндр выносных опор
Гидроцилиндр стрелы погрузочного оборудования
Гидроцилиндр поворота каретки
Гидроцилиндр ковша
Гидроцилиндр ковша погрузочного оборудования
Гидроцилиндр стрелы
Гидроцилиндр рукояти
Телескопическая рукоять, установка
Дополнительная гидравлическая линия, педаль
Зеркало, кабина
Проблесковый маяк магнитный
Комплект подлокотников
Подголовник
Рукоятка руля
Солнцезащитный козырек
Литература
Инструмент
1
2
3
4
5
6
7
8
9
10
11
12
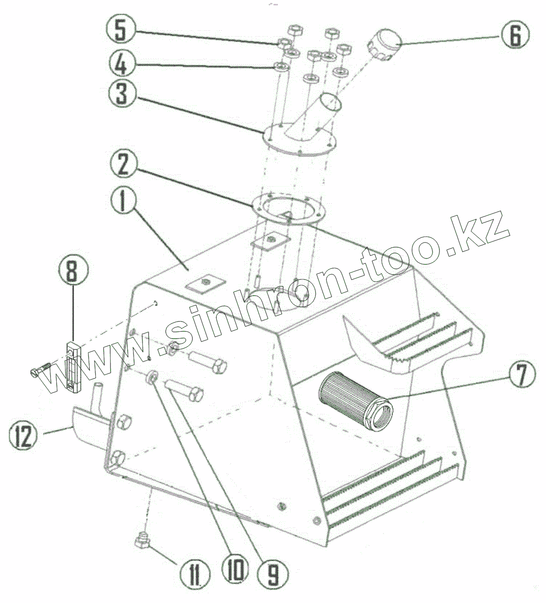
Позиция на иллюстрации
Заводской номер детали
Название детали
1
815000701000 00
Бак гидравлический
2
000815071196 01
Прокладка
3
815000701400 00
Горловина заливная
4
000026440205 01
Шайба
5
000026410608 01
Гайка
6
000913178104 01
Крышка фильтра
7
000815080048 01
Всасывающий фильтрующий элемент
8
000918102603 01
Указатель уровня
9
000026400225 01
Болт
10
000026440610 01
Шайба
11
000815070066 01
Заглушка уловитель
12
815000701300 00
Кожух
Содержащиеся в справочниках-каталогах запасные части и детали не предлагаются к продаже, а носят исключительно информационный характер
Дополнительная информация
×
Название:
Номер:
Примечание: