Вернуться на главную
Поиск
Каталоги запчастей к технике
Спецтехника
ТВЭКС
TLB 825
ЗАДНИЙ МОСТ
Каталог запасных частей к технике: ТВЭКС TLB 825. ЗАДНИЙ МОСТ
zoom-in
zoom-out
enlarge
shrink
circle-right
circle-left
file-text2
info
cart
Тип техники
Не выбрано
Легковые автомобили
Грузовые автомобили и прицепы
Автобусы
Сельхозтехника
Спецтехника
Двигатели
Мототехника
Марка
Не выбрано
Ammann
BOMAG
CARMIX
CASE IH
Changlin
ChengGong
Dimex
Doosan
DYNAPAC
Foton
HAMM
Hidromek
Hitachi
Hyundai
JCB
JLG
John Deere
Komatsu
LIEBHERR
LiuGong
Lonking (LongGong)
Luneng
MANITOU
Mitsuber
New Holland
PENGPU
RM-Terex
SANY
SDLG
SEM
Shantui
Shehwa HBXG
Soosan
TIGARBO
VOGELE
Volvo
WAY
WIRTGEN
XCMG
XGMA
Xiamen
YTO
Yuchai
Zoomlion
Автокран
АЗСМ
Алтайлесмаш
Амкодор
АОМЗ
Атек
АТЗ
Балканкар Рекорд
БелАЗ
Беловеж
Борекс
Брянский Арсенал
Булат
ВЭКС
ГАЗ
Геомаш
Гидромаш
Донекс
Дормаш
Дормашина
Дорэлектромаш
ДЭЗ
ЕлАЗ
ЗЗГТ
Ижнефтемаш
Канаш-электрокар
КЗКТ
ККЗ
Клевер
Клинцовский автокрановый завод
КМЗ
КМЗ 1 Мая
Ковровец
Коммаш
Кранэкс
КЭЗ
КЭМЗ
ЛЗА
МАЗ
МЗИК
МЗКМ
МЗКТ
Михневский РМЗ
МоАЗ
Мозырский МЗ
МТЗ
ОЗП
Онежец
ПАО "ТЗА"
ППС Детва
Промтрактор
ПТЗ
Раскат
СпецАгрегат
ТВЭКС
ТТМ
УВЗ
Угличмаш
УЗТМ
ХТЗ
ЧЗКМ
ЧСДМ
ЧТЗ
ЭКСКО
ЭКСМАШ
ЮрМаш
Модель
Не выбрано
5846ТМ (ЕА17) (2010)
E145W (ЕК-14)
E145W (ЕК-14) (2005)
E185W (ЕК-18)
E185W (ЕК-18) (2005)
E185W (ЕК-18) (2008)
E225LC (2022)
E225NLC (2022)
TLB 825 (2016)
TLB 825 (2017)
TLB 825 (2019)
TLB 935 (2020)
TLB 935 (2021)
TVEX-140W (2015)
TVEX-180i (2015)
TVEX-180W (2015)
TX220LC (2019)
TX220NLC (2019)
WX200 (2019)
WХ-200 (2015)
WХ-200 (2017) (2017)
ВП-03 (2005)
ВП-05
ВП-05 (2015)
ВП-05 (2005) (2005)
ВП-05 (вариант) (2005)
Е200СН (2018)
Е245СН (2018)
ЕК-12 (2005)
ЕК-12 (2007) (2007)
ЕК-12 (2013) (2013)
ЕК-14-20 (2013)
ЕК-14-90 (2011)
ЕК-14-90 (2015)
ЕК-18-20 (2010)
ЕК-18-40 (2005)
ЕК-18-45-60 (2008)
ЕК-18-90 (2012)
ЕК-18-90 (2015)
ЕК-20-20 (2010)
ЕТ-16 (2005)
ЕТ-16-20 (2007)
ЕТ-18-20 (2005)
ЕТ-20-20 (2012)
ЕТ-25
ЕТ-25-20 (2007)
ЕТ-26i (2010)
ЕТ-26i (2015)
ТХ-210 (2015)
ТХ-210 (2017)
ТХ-220 (2017)
ТХ-270 / 300 (2017)
ТЭП-18 (2012)
ЭО-3122
ЭО-3323
ЭО-3323А (2002)
ЭО-3326 (2000)
ЭОВ-3521 (2007)
ЭОВ-3521М-1 (2007)
ЭОВ-3521М-1 (2017)
ЭОВ-3521М-1 (2017)
Схема
>
Не выбрано
ИДЕНТИФИКАЦИЯ УЗЛОВ
ДВИГАТЕЛЬ RG38100 (БЕЗ КОНДИЦИОНЕРА)
ФИЛЬТР МАСЛЕННЫЙ
ФИЛЬТР ТОПЛИВНЫЙ
ДВИГАТЕЛЬ RG38043 (С КОНДИЦИОНЕРОМ)
ГЕНЕРАТОР
ГЕНЕРАТОР
РАДИАТОР / МАСЛЯНЫЙ РАДИАТОР
РАДИАТОР / МАСЛЯНЫЙ РАДИАТОР
РАДИАТОР / МАСЛЯНЫЙ/ КОНДЕНСАТОР
РАДИАТОР / МАСЛЯНЫЙ/ КОНДЕНСАТОР
ТОПЛИВНЫЙ БАК
СИСТЕМА ВПУСКНАЯ
СИСТЕМА ВПУСКНАЯ
СИСТЕМА ВЫПУСКА
ТОПЛИВНАЯ СИСТЕМА
СЕПАРАТОР
ГИДРООБОРУДОВАНИЕ
ПРЕОБРАЗОВАТЕЛЬ МОМЕНТА
УСТАНОВКА ТРАНСМИССИИ
ЩУП КПП
УСТАНОВКА ЗАДНЕГО ПРИВОДА
УСТАНОВКА ПЕРЕДНЕГО ПРИВОДА
НАСОС ТРАНСМИССИИ
СЛИВНОЙ ФИЛЬТР
КОРОБКА / 4 ПРИВОД КОЛЕС
ВХОДНОЙ ВАЛ / 4 ПРИВОД КОЛЕС
ОБРАТНЫЙ И ГЛАВНЫЙ ВАЛ
ВЫХОДНОЙ ВАЛ КПП ЗАДНИЙ
ВЫХОДНОЙ ВАЛ КПП ПЕРЕДНИЙ
УПРАВЛЕНИЕ СКОРОСТЬЮ
КЛАПАН ЭЛЕКТРОГИДРАВЛИЧЕСКИЙ
ЭЛЕКТРОГИДРАВЛИЧЕСКИЙ ПРИВОД
РЫЧАГ УПРАВЛЕНИЯ
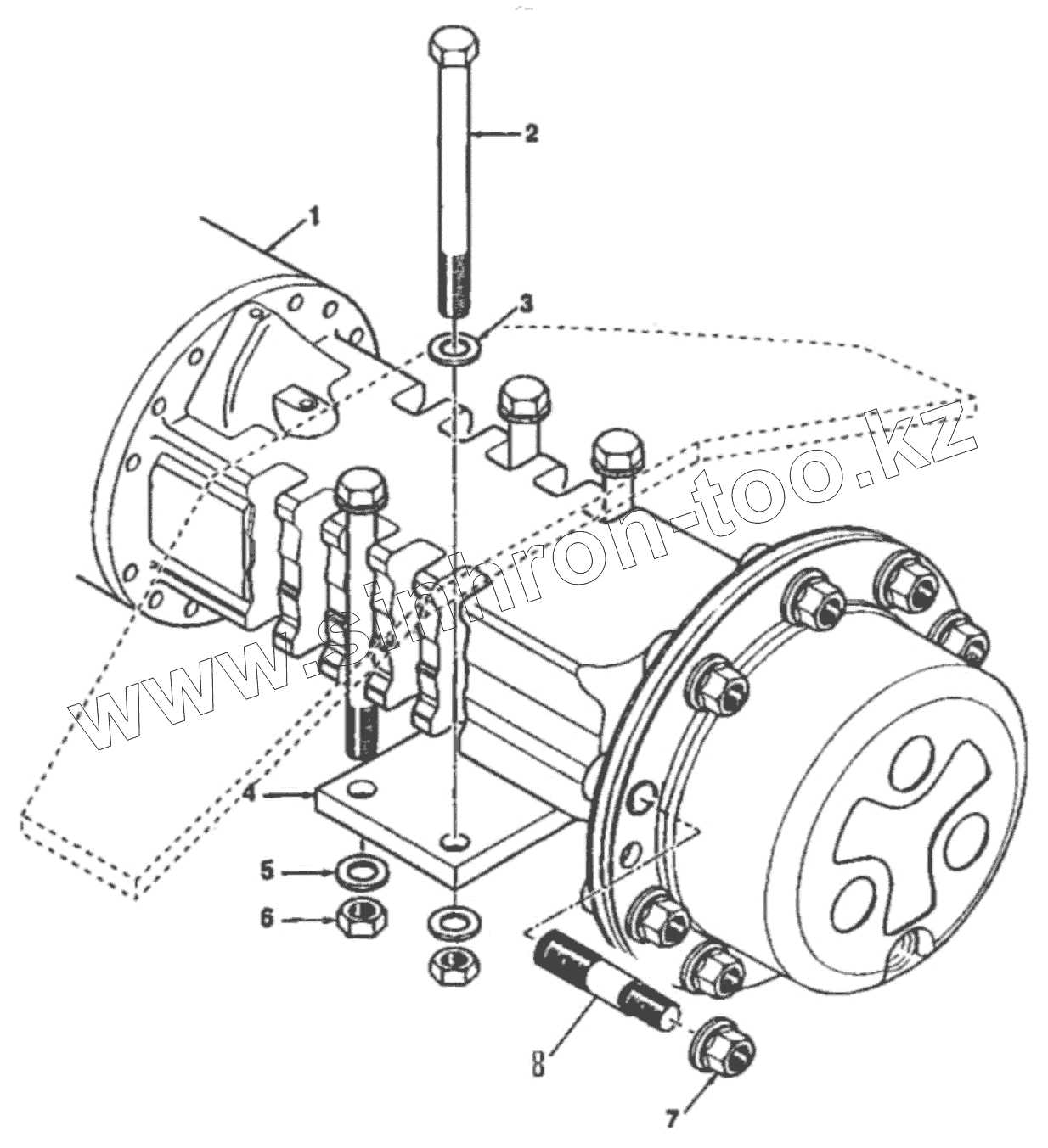
ЗАДНИЙ МОСТ
КОРПУС
МЕХАНИЗМ ДИФФЕРЕНЦИАЛА
ДИФФЕРЕНЦИАЛ
ДИФФЕРЕНЦИАЛ/МЕХАНИЗМ БЛОКИРОВКИ /2 УПРАВЛЯЕМЫХ КОЛЕСА
ТОРМОЗА
ВТУЛКА КОЛЕСА
ПЛАНЕТАРНЫЙ МЕХАНИЗМ
СУППОРТ ТОРМОЗА
СУППОРТ ТОРМОЗА
ЗАДНИЕ КОЛЕСА
БЛОК КОНТРОЛЬНЫЙ
ЦИЛИНДРЫ ТОРМОЗНЫЕ
СХЕМА ТОРМОЗА
СХЕМА ТОРМОЗА
ВЕДУЩИЕ КОЛЕСА И КОЛОНКА
РУЛЕВОЕ УПРАВЛЕНИЕ
ПЕРЕДНИЙ МОСТ
КОРПУС ПЕРЕДНЕГО МОСТА
ПРИВОД КОЛЕС
ПЕРЕДНИЕ КОЛЕСА СТАНДАРТНЫЙ ТИП (12.5-18)
КОНИЧЕСКАЯ ПЕРЕДАЧА
ДИФФЕРЕНЦИАЛ
ОСЬ ВАЛА
ВТУЛКА КОЛЕСА ПЕРЕДНЯЯ
ПЛАНЕТАРНАЯ ПЕРЕДАЧА
КОРПУС / СТЕКЛА
ДВЕРЬ
ЗАДНЕЕ ОКНО
ВНЕШНЯЯ КРЫША
КРЫША ВНУТРЕННЯЯ
УСТАНОВКА КАБИНЫ
ПЛАСТИНА ПОЛА
ПАНЕЛИ
СТЕКЛООЧИСТИТЕЛЬ ПЕРЕДНЕГО СТЕКЛА
КОВРИКИ
ПЕРЕДНЯЯ УСТАНОВКА ОТОПИТЕЛЯ
УСТАНОВКА ЗАДНЕГО ОТОПИТЕЛЯ
ОБОГРЕВАТЕЛЬ
КОНДИЦИОНЕР
КОНДИЦИОНЕР
ПЕРЕДНЯЯ КОНСОЛЬ
ПЕРЕДНЯЯ КОНСОЛЬ
ВЫКЛЮЧАТЕЛЬ ВПЕРЕД/НАЗАД
ПРИБОРНАЯ ПАНЕЛЬ
ОТОПИТЕЛЬ
ПУЛЬТ БОКОВОЙ
ПУЛЬТ БОКОВОЙ
ПРИБОРНАЯ ПАНЕЛЬ/ БЛОК ВЫКЛЮЧАТЕЛЕЙ
ПЛАТА РЕЛЕ И ПРЕДОХРАНИТЕЛЕЙ
УСТАНОВКА СИДЕНЬЯ / КАБИНА
ШАССИ / БОКОВОЕ СМЕЩЕНИЕ
КАПОТ ДВИГАТЕЛЯ / БЕЛЫЙ
АККУМУЛЯТОРНЫЙ ОТСЕК
АККУМУЛЯТОРНЫЙ ОТСЕК
ПЕРЕДНИЕ КРЫЛЬЯ
ЗАДНИЕ КРЫЛЬЯ / ПРЕДОХРАНЕНИЕ ОТ ГРЯЗИ
ЭЛЕКТРООБОРУДОВАНИЕ ШАССИ
СИГНАЛ ХОДА НАЗАД
КАБЕЛЬ БАТАРЕИ
ПЕРЕДНИЕ ФАРЫ ОСВЕЩЕНИЯ
ЗАДНЕЕ ОСВЕЩЕНИЕ
НАСОС
МАСЛЯНЫЙ ФИЛЬТР
ОХЛАДИТЕЛЬ
БАК ГИДРАВЛИЧЕСКИЙ
КОМПОНОВКА ГИДРООБОРУДОВАНИЯ
ГИДРОРАСПРЕДЕЛИТЕЛЬ 3-Х ЗОЛОТНИКОВЫЙ WALVOIL
ГИДРОРАСПРЕДЕЛИТЕЛЬ 7-ТИ ЗОЛОТНИКОВЫЙ
ГИДРОРАСПРЕДЕЛИТЕЛЬ С ОТКРЫТЫМ ЦЕНТРОМ WALVOIL 3 ЗОЛОТНИКА
ГИДРОРАСПРЕДЕЛИТЕЛЬ С ОТКРЫТЫМ ЦЕНТРОМ WALVOIL 7 ЗОЛОТНИКОВ
ПОГРУЗЧИК / СТРЕЛА
СОЕДИНЕНИЯ
РАСПОРКА БЕЗОПАСНОСТИ
УПРАВЛЕНИЕ / 7.1 УПРАВЛЕНИЕ
УПРАВЛЕНИЕ
ТРУБОПРОВОДЫ 3-Х ЗОЛОТНИКОВОГО РАСПРЕДЕЛИТЕЛЯ
ЦИЛИНДР ПОДЪЕМА
ГИДРООБОРУДОВАНИЕ / ЦИЛИНДР КОВША
ГИДРООБОРУДОВАНИЕ / ЦИЛИНДР КОВША 7 В 1
МЕХАНИЗМ САМОВЫРАВНИВАНИЯ
МЕХАНИЗМ САМОВЫРАВНИВАНИЯ
ПОГРУЗОЧНЫЙ КОВШ/СТАНДАРТ
УСТАНОВКА КОВША
СТРЕЛА
РУКОЯТЬ
МЕХАНИЗМЫ ПОВОРОТА, СМЕЩЕНИЯ ЭКСКАВАТОРНОГО ОБОРУДОВАНИЯ
КОМПОНЕНТЫ ПОВОРОТА
ГИДРООБОРУДОВАНИЕ ЭКСКАВАТОРНОЕ
СТАБИЛИЗАТОРЫ ШАССИ
СТАБИЛИЗАТОРЫ ГИДРООБОРУДОВАНИЕ ЭКСКАВАТОРНОЕ
СТАБИЛИЗАТОРЫ, ЗАМКИ ГИДРООБОРУДОВАНИЕ ЭКСКАВАТОРНОЕ
ЗАЖИМ ГИДРООБОРУДОВАНИЕ ЭКСКАВАТОРНОЕ
УПРАВЛЕНИЕ СТАБИЛИЗАТОРАМИ
УПРАВЛЕНИЕ СТАБИЛИЗАТОРАМИ
УПРАВЛЕНИЕ ЭКСКАВАТОРНЫМ ОБОРУДОВАНИЕМ
ПРИВОД СТРЕЛЫ ГИДРООБОРУДОВАНИЕ ЭКСКАВАТОРНОЕ
ПРИВОД РУКОЯТИ ГИДРООБОРУДОВАНИЕ ЭКСКАВАТОРНОЕ
ПРИВОД КОВША ГИДРООБОРУДОВАНИЕ ЭКСКАВАТОРНОЕ
ПРИВОД КОВША ГИДРООБОРУДОВАНИЕ ЭКСКАВАТОРНОЕ ТЕЛЕСКОПИЧЕСКОЕ
ЭКСКАВАТОРНЫЙ КОВШ. СОЕДИНЕНИЕ
ЭКСКАВАТОРНЫЙ КОВШ
ЭКСКАВАТОРНЫЙ КОВШ
КРЫЛЬЯ ЗАДНИИ
ТРОС СТОЯНОЧНОГО ТОРМОЗА
ТРОС БЛОКИРОВКИ СТРЕЛЫ
ТРОС ДРОССЕЛИРОВАНИЯ
ЦИЛИНДР УПРАВЛЕНИЯ
ЦИЛИНДР УПРАВЛЕНИЯ
ЦИЛИНДР ПОДЪЕМА ГИДРООБОРУДОВАНИЕ ПОГРУЗЧИКА
ЦИЛИНДР НАКЛОНА КОВША ГИДРООБОРУДОВАНИЕ ПОГРУЗЧИКА
ЦИЛИНДР ПОВОРОТА/55 D. ПОВОРОТНАЯ ОСЬ ЭКСКАВАТОРА
ЦИЛИНДР ПОВОРОТА/45 D. ПОВОРОТНАЯ ОСЬ ЭКСКАВАТОРА
ЦИЛИНДР СТАБИЛИЗАТОРА ШАССИ
ЦИЛИНДР СТРЕЛЫ
ЦИЛИНДР РУКОЯТИ ГИДРООБОРУДОВАНИЕ ЭКСКАВАТОРА
ЦИЛИНДР КОВША ГИДРАВЛИКА ЭКСКАВАТОРА
ЦИЛИНДР КОВША ГИДРАВЛИКА ЭКСКАВАТОРА
7 IN 1 ЦИЛИНДР КОВША ГИДРАВЛИКА ЭКСКАВАТОРА
УСТАНОВКА ТЕЛЕСКОПИЧЕСКАЯ РУКОЯТЬ
ДИВЕРТЕР ШАССИ ДОПОЛНИТЕЛЬНАЯ ГИДРАВЛИЧЕСКАЯ ЛИНИЯ
РУКАВА ДОПОЛНИТЕЛЬНАЯ ГИДРАВЛИЧЕСКАЯ ЛИНИЯ
ПЕДАЛЬ ДОПОЛНИТЕЛЬНАЯ ГИДРАВЛИЧЕСКАЯ ЛИНИЯ
ЗЕРКАЛО ЗАДНЕГО ВИДА
ПРОБЛЕСКОВЫЙ МАЯК МАГНИТНЫЙ
КОМПЛЕКТ ПОДЛОКОТНИКОВ
ПОДГОЛОВНИК СИДЕНИЯ
РУКОЯТКА РУЛЯ
СОЛНЦЕЗАЩИТНЫЙ КОЗЫРЕК
ЛИТЕРАТУРА
ИНСТРУМЕНТ
1
2
3
4
5
6
7
8
8
Позиция на иллюстрации
Заводской номер детали
Название детали
1
1K0160
Задний мост
2
6106980M2
Болт
3
385365X1
Шайба
4
6106096M1
Прижимная пластина
5
385365X1
Шайба
6
3522225M3
Гайка
7
6106829M91
Гайка
8
6190302M1
Шпилька
8
1K0048
Шпилька
Содержащиеся в справочниках-каталогах запасные части и детали не предлагаются к продаже, а носят исключительно информационный характер
Дополнительная информация
×
Название:
Номер:
Примечание: