Вернуться на главную
Поиск
Каталоги запчастей к технике
Спецтехника
ТВЭКС
TLB 825
THROTTLE CABLE
Каталог запасных частей к технике: ТВЭКС TLB 825. THROTTLE CABLE
zoom-in
zoom-out
enlarge
shrink
circle-right
circle-left
file-text2
info
cart
Тип техники
Не выбрано
Легковые автомобили
Грузовые автомобили и прицепы
Автобусы
Сельхозтехника
Спецтехника
Двигатели
Мототехника
Марка
Не выбрано
Ammann
BOMAG
CARMIX
CASE IH
Changlin
ChengGong
Dimex
Doosan
DYNAPAC
Foton
HAMM
Hidromek
Hitachi
Hyundai
JCB
JLG
John Deere
Komatsu
LIEBHERR
LiuGong
Lonking (LongGong)
Luneng
MANITOU
Mitsuber
New Holland
PENGPU
RM-Terex
SANY
SDLG
SEM
Shantui
Shehwa HBXG
Soosan
TIGARBO
VOGELE
Volvo
WAY
WIRTGEN
XCMG
XGMA
Xiamen
YTO
Yuchai
Zoomlion
Автокран
АЗСМ
Алтайлесмаш
Амкодор
АОМЗ
Атек
АТЗ
Балканкар Рекорд
БелАЗ
Беловеж
Борекс
Брянский Арсенал
Булат
ВЭКС
ГАЗ
Геомаш
Гидромаш
Донекс
Дормаш
Дормашина
Дорэлектромаш
ДЭЗ
ЕлАЗ
ЗЗГТ
Ижнефтемаш
Канаш-электрокар
КЗКТ
ККЗ
Клевер
Клинцовский автокрановый завод
КМЗ
КМЗ 1 Мая
Ковровец
Коммаш
Кранэкс
КЭЗ
КЭМЗ
ЛЗА
МАЗ
МЗИК
МЗКМ
МЗКТ
Михневский РМЗ
МоАЗ
Мозырский МЗ
МТЗ
ОЗП
Онежец
ПАО "ТЗА"
ППС Детва
Промтрактор
ПТЗ
Раскат
СпецАгрегат
ТВЭКС
ТТМ
УВЗ
Угличмаш
УЗТМ
ХТЗ
ЧЗКМ
ЧСДМ
ЧТЗ
ЭКСКО
ЭКСМАШ
ЮрМаш
Модель
Не выбрано
5846ТМ (ЕА17) (2010)
E145W (ЕК-14)
E145W (ЕК-14) (2005)
E185W (ЕК-18)
E185W (ЕК-18) (2005)
E185W (ЕК-18) (2008)
E225LC (2022)
E225NLC (2022)
TLB 825 (2016)
TLB 825 (2017)
TLB 825 (2019)
TLB 935 (2020)
TLB 935 (2021)
TVEX-140W (2015)
TVEX-180i (2015)
TVEX-180W (2015)
TX220LC (2019)
TX220NLC (2019)
WX200 (2019)
WХ-200 (2015)
WХ-200 (2017) (2017)
ВП-03 (2005)
ВП-05
ВП-05 (2015)
ВП-05 (2005) (2005)
ВП-05 (вариант) (2005)
Е200СН (2018)
Е245СН (2018)
ЕК-12 (2005)
ЕК-12 (2007) (2007)
ЕК-12 (2013) (2013)
ЕК-14-20 (2013)
ЕК-14-90 (2011)
ЕК-14-90 (2015)
ЕК-18-20 (2010)
ЕК-18-40 (2005)
ЕК-18-45-60 (2008)
ЕК-18-90 (2012)
ЕК-18-90 (2015)
ЕК-20-20 (2010)
ЕТ-16 (2005)
ЕТ-16-20 (2007)
ЕТ-18-20 (2005)
ЕТ-20-20 (2012)
ЕТ-25
ЕТ-25-20 (2007)
ЕТ-26i (2010)
ЕТ-26i (2015)
ТХ-210 (2015)
ТХ-210 (2017)
ТХ-220 (2017)
ТХ-270 / 300 (2017)
ТЭП-18 (2012)
ЭО-3122
ЭО-3323
ЭО-3323А (2002)
ЭО-3326 (2000)
ЭОВ-3521 (2007)
ЭОВ-3521М-1 (2007)
ЭОВ-3521М-1 (2017)
ЭОВ-3521М-1 (2017)
Схема
>
Не выбрано
BACKHOE LOADER
ENGINE, NO AIR CONDITIONING
OIL FILTER
FUEL FILTER
ENGINE, WITH AIR CONDITIONING
GENERATOR
GENERATOR
RADIATOR / OIL COOLER
RADIATOR / OIL COOLER
RADIATOR / OIL COOLER/ CONDENSER
RADIATOR / OIL COOLER/ CONDENSER
FUEL TANK
INTAKE SYSTEM
INTAKE SYSTEM
EXHAUST SYSTEM
FUEL SYSTEM
SEPARATOR
HYDRAULIC EQUIPMENT
TORQUE CONVERTER
GEARBOX MOUNTING
GB DIPSTICK
REAR DRIVE INSTALLATION
FRONT DRIVE INSTALLATION
GEARBOX PUMP
DRAIN FILTER
BOX/4 WHEEL DRIVE
INPUT SHAFT / 4 WHEEL DRIVE
COUNTERSHAFT AND MAINSHAFT
GEARBOX OUTPUT SHAFT REAR
GEARBOX OUTPUT SHAFT FRONT
SPEED CONTROL
ELECTROHYDRAULIC VALVE
ELECTROHYDRAULIC DRIVE
CONTROL LEVER
REAR AXLE
REAR AXLE
DIFFERENTIAL MECHANISM
DIFFERENTIAL
DIFFERENTIAL/LOCK MECHANISM/ 2 DRIVING WHEELS
BRAKES
WHEEL HUB
PLANETARY MECHANISM
BRAKE CALIPER
BRAKE CALIPER
REAR WHEELS
CONTROL BOX
BRAKE CYLINDERS
BRAKE DIAGRAM
BRAKE DIAGRAM
DRIVE WHEELS AND COLUMN
STEERING
FRONT AXLE
FRONT AXLE BODY
WHEEL DRIVE
FRONT WHEELS
BEVEL GEAR
DIFFERENTIAL
SHAFT AXLE
FRONT WHEEL HUB
PLANETARY GEAR
ENCLOSURE / WINDOWS
DOOR
REAR WINDOW
UPPER COVER
INNER COVER
CAB MOUNTING
FLOORING PLATE
CONSOLE
FRONT WINDSHIELD WIPER
FLOORMATS
FRONT HEATER UNIT
REAR HEATER UNIT
HEATER UNIT
CONDITIONER
CONDITIONER
FRONT CONSOLE
FRONT CONSOLE
FRONT/AFT SWITCH
INSTRUMENT PANEL
HEATER
LATERAL CONSOLE
LATERAL CONSOLE
INSTRUMENT PANEL/ SWITCH BOX
RELAY AND FUSE BOARD
SEAT MOUNTING / CAB
CHASSIS / SIDESHIFT
ENGINE HOOD / WHITE
BATTERY COMPARTMENT
BATTERY COMPARTMENT
FRONT FENDERS
REAR FENDERS / MUDGUARDS
CHASSIS ELECTRIC EQUIPMENT
BATTERY CABLE
FRONT LIGHT
REAR LIGHTS
PUMP
OIL FILTER
COOLER
HYDRAULIC TANK
HYDRAULIC EQUIPMENT ARRANGEMENT
3-SPOOL DIRECTIONAL CONTROL VALVE WALVOIL
7-SPOOL DIRECTIONAL CONTROL VALVE
3-SPOOLS
7-SPOOLS
LOADER / HANDLE / MECHANICAL
JOINTS
SAFETY BRACE
CONTROLS / 7.1 CONTROLS
CONTROLS
3-SPOOL DIRECTIONAL CONTROL VALVE PIPELINES
LIFT CYLINDER
HYDRAULIC EQUIPMENT / BUCKET CYLINDER
HYDRAULIC EQUIPMENT / BUCKET CYLINDER 7 IN 1
SELF-LEVELLING MECHANISM
SELF-LEVELLING MECHANISM
LOADING BUCKET/STANDARD
BUCKET MOUNTING
BOOM
HANDLE
EXCAVATING EQUIPMENT TURN, SIDESHIFT MECHANISMS
TURNING COMPONENTS
EXCAVATING EQUIPMENT
STABILIZERS
STABILIZERS
STABILIZERS, LOCKS
CLAMP
STABILIZER CONTROL
STABILIZER CONTROL
EXCAVATING EQUIPMENT CONTROL
BOOM DRIVE
HANDLE DRIVE
BUCKET DRIVE
BUCKET DRIVE
EXCAVATOR BUCKET. JOINT
EXCAVATOR BUCKET
EXCAVATOR BUCKET
REAR FENDERS
PARKING BRAKE CABLE
BOOM LOCK CABLE
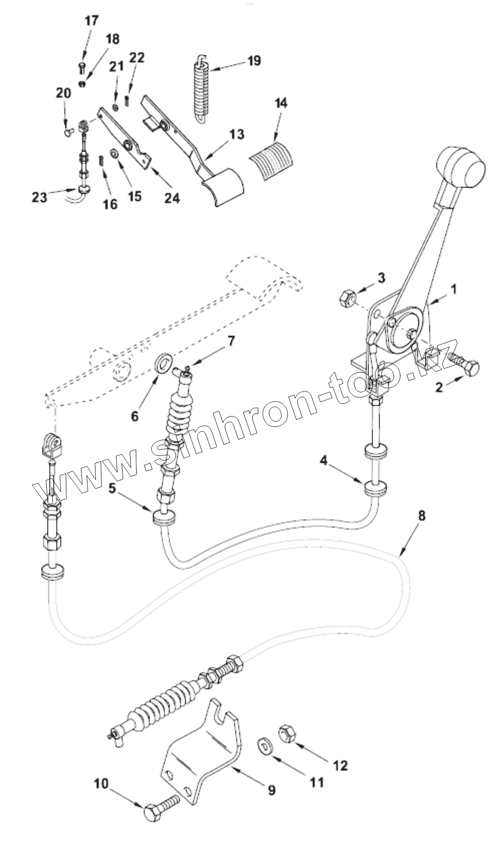
THROTTLE CABLE
CONTROL CYLINDER
CONTROL CYLINDER
LIFT CYLINDER
BUCKET TILT CYLINDER
SWIVEL CYLINDER/55 D.
SWIVEL CYLINDER/45 D.
STABILIZER CYLINDER
BOOM CYLINDER
HANDLE CYLINDER
BUCKET CYLINDER
BUCKET CYLINDER
7 IN 1 BUCKET CYLINDER
TELESCOPIC HANDLE MOUNTING
CHASSIS DIVERTER
HOSES
PEDAL
MIRROR
MAGNET FLASHING BEACON
ARMRESTS KIT
HEADREST
STEERING WHEEL HANDLE
LITERATURE
TOOLS
1
2
3
4
5
6
7
8
9
10
11
12
13
14
15
16
17
18
19
20
21
22
23
24
Позиция на иллюстрации
Заводской номер детали
Название детали
1
6100620M91
Рычаг ручной в сборе
2
3009667X1
Болт
3
390995X1
Гайка
4
6101552M1
Уплотнитель
5
6102367M1
Уплотнитель
6
390971X1
Шайба
7
3517074M1
Палец
8
6110669M93
Кабель
9
6109751M1
Кронштейн троса
10
339804X1
Болт шестигранный
11
390971X1
Шайба
12
1441500X1
Контргайка нейлоновой вставкой
13
6111952M91
Педаль
14
6100585M1
Накладка педали
15
390735X1
Шайба
16
1442965X1
Фиксатор
17
339337X1
Болт
18
392309X1
Гайка
19
1470592M1
Пружина
20
195446M1
Палец
21
353753X1
Шайба
22
354039X1
Фиксатор
23
6102367M1
Уплотнитель
24
6111955M91
Пластина
Содержащиеся в справочниках-каталогах запасные части и детали не предлагаются к продаже, а носят исключительно информационный характер
Дополнительная информация
×
Название:
Номер:
Примечание: