Каталог запасных частей к технике: ТВЭКС TLB 825. Установка телескопической рукояти
1
2
3
4
5
6
6
6
7
8
9
10
10
11
12
13
14
15
16
17
18
19
20
21
22
23
24
25
26
27
28
29
30
30
30
30
31
32
32
33
34
35
36
37
38
39
39
40
41
42
43
44
45
46
47
48
49
50
51
52
53
54
55
56
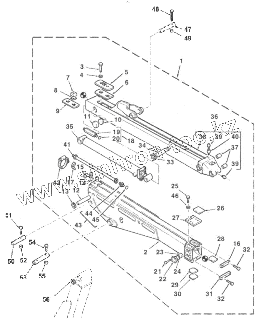
| Позиция на иллюстрации | Заводской номер детали | Название детали | |
|---|---|---|---|
| 1 | 6109586М92 | Рукоять стрелы | |
| 2 | 6100743M96 | Корпус в сборе | |
| 3 | 3517491M1 | Винт | |
| 4 | 896–11024 | Шайба | |
| 5 | 6102519M91 | Пластина | |
| 6 | 3501975M2 | Прокладка | |
| 6 | 3502975M2 | Прокладка | |
| 6 | 3502976M2 | Прокладка | |
| 7 | 3501655M2 | Распорная втулка | |
| 8 | 6102518M1 | Подкладка | |
| 9 | 6102559M1 | Подкладка | |
| 10 | 3510644M1 | Прокладка | |
| 10 | 3502477M1 | Прокладка | |
| 11 | 3502473M2 | Подкладка | |
| 12 | 3501624M1 | Ось | |
| 13 | 355973X1 | Удерживающее кольцо | |
| 14 | 6108900M1 | Ось | |
| 15 | 810285M92 | Ось стопорения | |
| 16 | 6102971M1 | Фиксатор | |
| 17 | D142787 | Подкладка резиновая | |
| 18 | 6100603M91 | Муфта | |
| 19 | Муфта | Муфта | |
| 20 | 835024M1 | Уплотнение | |
| 21 | 3009492X1 | Винт | |
| 22 | 6106121M1 | Корпус | |
| 23 | 3502475M2 | Подкладка | |
| 24 | 3510645M1 | Прокладка | |
| 25 | 3009464X1 | Винт | |
| 26 | 3511101M2 | Наклейка | |
| 27 | 6102970M1 | Пластина | |
| 28 | 3501658M2 | Подкладка | |
| 29 | 3501658M2 | Подкладка | |
| 30 | 3502940M1 | Прокладка | |
| 30 | 3502939M1 | Прокладка | |
| 30 | 3502938M1 | Прокладка | |
| 30 | 3510862M1 | Прокладка | |
| 31 | 6106164M1 | Пластина | |
| 32 | 6007797M1 | Винт | |
| 33 | 355973X1 | Удерживающее кольцо | |
| 34 | 3501625M1 | Ось | |
| 35 | 6111074M91 | Цилиндр в сборе | |
| 36 | 3504158M98 | Выступ в сборе | |
| 37 | 3500009M3 | Втулка | |
| 38 | Корпус | Корпус зажима | |
| 39 | 339608X1 | Масленка | |
| 40 | 3504012M1 | Переходник пресс-масленки | |
| 41 | 6100599M91 | Труба в сборе | |
| 42 | 3517728M1 | Хомут | |
| 43 | 835013M91 | Муфта в сборе | |
| 44 | Муфта | Муфта | |
| 45 | 835024M1 | Уплотнение | |
| 46 | 385363X1 | Гайка | |
| 47 | 3522720M2 | Ось ковша | |
| 48 | 3501289M1 | Винт | |
| 49 | 1440329X1 | Гайка | |
| 50 | 3522693M2 | Палец | |
| 51 | 3501289M1 | Винт | |
| 52 | 1440329X1 | Гайка | |
| 53 | 3522693M2 | Палец | |
| 54 | 3501289M1 | Винт | |
| 55 | 1440329X1 | Гайка | |
| 56 | 3501027M1 | Шайба |
Содержащиеся в справочниках-каталогах запасные части и детали не предлагаются к продаже, а носят исключительно информационный характер