Вернуться на главную
Поиск
Каталоги запчастей к технике
Спецтехника
ТВЭКС
TLB 825
Стабилизаторы шасси
Каталог запасных частей к технике: ТВЭКС TLB 825. Стабилизаторы шасси
zoom-in
zoom-out
enlarge
shrink
circle-right
circle-left
file-text2
info
cart
Тип техники
Не выбрано
Легковые автомобили
Грузовые автомобили и прицепы
Автобусы
Сельхозтехника
Спецтехника
Двигатели
Мототехника
Марка
Не выбрано
Ammann
BOMAG
CARMIX
CASE IH
Changlin
ChengGong
Dimex
Doosan
DYNAPAC
Foton
HAMM
Hidromek
Hitachi
Hyundai
JCB
JLG
John Deere
Komatsu
LIEBHERR
LiuGong
Lonking (LongGong)
Luneng
MANITOU
Mitsuber
New Holland
PENGPU
RM-Terex
SANY
SDLG
SEM
Shantui
Shehwa HBXG
Soosan
TIGARBO
VOGELE
Volvo
WAY
WIRTGEN
XCMG
XGMA
Xiamen
YTO
Yuchai
Zoomlion
Автокран
АЗСМ
Алтайлесмаш
Амкодор
АОМЗ
Атек
АТЗ
Балканкар Рекорд
БелАЗ
Беловеж
Борекс
Брянский Арсенал
Булат
ВЭКС
ГАЗ
Геомаш
Гидромаш
Донекс
Дормаш
Дормашина
Дорэлектромаш
ДЭЗ
ЕлАЗ
ЗЗГТ
Ижнефтемаш
Канаш-электрокар
КЗКТ
ККЗ
Клевер
Клинцовский автокрановый завод
КМЗ
КМЗ 1 Мая
Ковровец
Коммаш
Кранэкс
КЭЗ
КЭМЗ
ЛЗА
МАЗ
МЗИК
МЗКМ
МЗКТ
Михневский РМЗ
МоАЗ
Мозырский МЗ
МТЗ
ОЗП
Онежец
ПАО "ТЗА"
ППС Детва
Промтрактор
ПТЗ
Раскат
СпецАгрегат
ТВЭКС
ТТМ
УВЗ
Угличмаш
УЗТМ
ХТЗ
ЧЗКМ
ЧСДМ
ЧТЗ
ЭКСКО
ЭКСМАШ
ЮрМаш
Модель
Не выбрано
5846ТМ (ЕА17) (2010)
E145W (ЕК-14)
E145W (ЕК-14) (2005)
E185W (ЕК-18)
E185W (ЕК-18) (2005)
E185W (ЕК-18) (2008)
E225LC (2022)
E225NLC (2022)
TLB 825 (2016)
TLB 825 (2017)
TLB 825 (2019)
TLB 935 (2020)
TLB 935 (2021)
TVEX-140W (2015)
TVEX-180i (2015)
TVEX-180W (2015)
TX220LC (2019)
TX220NLC (2019)
WX200 (2019)
WХ-200 (2015)
WХ-200 (2017) (2017)
ВП-03 (2005)
ВП-05
ВП-05 (2015)
ВП-05 (2005) (2005)
ВП-05 (вариант) (2005)
Е200СН (2018)
Е245СН (2018)
ЕК-12 (2005)
ЕК-12 (2007) (2007)
ЕК-12 (2013) (2013)
ЕК-14-20 (2013)
ЕК-14-90 (2011)
ЕК-14-90 (2015)
ЕК-18-20 (2010)
ЕК-18-40 (2005)
ЕК-18-45-60 (2008)
ЕК-18-90 (2012)
ЕК-18-90 (2015)
ЕК-20-20 (2010)
ЕТ-16 (2005)
ЕТ-16-20 (2007)
ЕТ-18-20 (2005)
ЕТ-20-20 (2012)
ЕТ-25
ЕТ-25-20 (2007)
ЕТ-26i (2010)
ЕТ-26i (2015)
ТХ-210 (2015)
ТХ-210 (2017)
ТХ-220 (2017)
ТХ-270 / 300 (2017)
ТЭП-18 (2012)
ЭО-3122
ЭО-3323
ЭО-3323А (2002)
ЭО-3326 (2000)
ЭОВ-3521 (2007)
ЭОВ-3521М-1 (2007)
ЭОВ-3521М-1 (2017)
ЭОВ-3521М-1 (2017)
Схема
>
Не выбрано
Эскаватор погрузчик
Двигатель Rg38100 без кондиционера
Фильтр масленный
Фильтр топливный
Двигатель Rg38043 с кондиционером
Генератор
Генератор двигателя с кондиционером
Радиатор/Масляный радиатор
Радиатор/Масляный радиатор
Радиатор/Масляный/Конденсатор
Радиатор/Масляный/Конденсатор
Топливный бак
Система впускная
Система впускная
Система выпуска
Топливная система
Сепаратор топливной системы
Гидрооборудование
Преобразователь момента
Установка трансмиссии
Щуп КПП
Установка заднего привода
Установка переднего привода
Насос трансмиссии
Сливной фильтр
Коробка для 4 приводных колес
Входной вал для 4 приводных колес
Обратный и главный вал
Выходной вал КПП задний
Выходной вал КПП передний
Управление скоростью
Клапан электрогидравлический
Электрогидравлический привод
Рычаг управления
Задний мост
Корпус
Механизм дифференциала
Дифференциал
Дифференциал/механизм блокировки
Тормоза
Втулка колеса
Планетарный механизм
Суппорт тормоза
Суппорт тормоза
Задние колёса
Блок контрольный
Цилиндры тормозные
Схема тормоза
Схема тормоза
Ведущие колеса и колонка
Рулевое управление
Передний мост
Корпус переднего моста
Привод колёс управляемого шарнира
Передние колёса
Коническая передача
Дифференциал
Ось вала
Втулка колеса
Планетарная передача
Корпус/Стекла
Дверь
Заднее окно
Внешняя крыша
Внутренняя крыша
Установка кабины
Пластина пола
Панели
Стеклоочиститель переднего стекла
Коврики
Передняя установка отопителя
Установка заднего отопителя
Обогреватель
Кондиционер
Кондиционер
Передняя консоль
Передняя консоль
Выключатель вперед/назад на переднем пульте
Приборная панель переднего пульта
Отопитель
Пульт боковой
Пульт боковой
Приборная панель/блок выключателей
Плата реле и предохранителей
Установка сиденья в кабине
Шасси/Боковое смещение
Капот двигателя/Белый
Аккумуляторный отсек
Аккумуляторный отсек
Передние крылья
Задние крылья/предохранение от грязи
Электрооборудование шасси
Кабель батареи
Передние фары освещения
Заднее освещение
Насос
Масляный фильтр
Охладитель
Гидравлический бак
Компоновка гидрооборудования
Гидрораспределитель 3-х золотниковый Walvoil
Гидрораспределитель 7-ти золотниковый Walvoil
Гидрораспределитель с открытым центром 3-х золотниковый Walvoil
Гидрораспределитель с открытым центром 7-ти золотниковый Walvoil
Погрузчик/Рукоять/Механический
Соединения
Распорка безопасности
Управление/7.1 Управление
Управление
Трубопроводы 3-х золотникового распределителя
Цилиндр подъема
Гидрооборудование/Цилиндр ковша
Гидрооборудование/Цилиндр ковша 7 в 1
Механизм самовыравнивания
Механизм самовыравнивания
Погрузочный ковш/стандарт
Установка ковша
Стрела
Рукоять
Механизмы поворота, смещения экскаваторного оборудования
Компоненты поворота
Гидрооборудование экскаваторное
Стабилизаторы шасси
Стабилизаторы гидрооборудования экскаваторного
Стабилизаторы, замки гидрооборудования экскаваторного
Зажим гидрооборудования экскаваторного
Управление стабилизаторами
Управление стабилизаторами
Управление экскаваторным оборудованием
Привод стрелы гидрооборудования экскаваторного
Привод рукояти гидрооборудования экскаваторного
Привод ковша гидрооборудования экскаваторного
Привод ковша гидрооборудования экскаваторного телескопического
Экскаваторный ковш соединение
Экскаваторный ковш
Экскаваторный ковш
Крылья задние
Трос стояночного тормоза
Трос блокировки стрелы
Трос дросселирования
Цилиндр управления
Цилиндр управления
Цилиндр подъема
Цилиндр наклона ковша
Цилиндр поворотной осиэкскаватора/55 o
Цилиндр поворотной осиэкскаватора/45 o
Цилиндр стабилизатора шасси
Цилиндр стрелы
Цилиндр рукояти
Цилиндр ковша
Цилиндр ковша
7 в 1 Цилиндр ковша
Установка телескопической рукояти
Дополнительная гидравлическая линия - дивертер шасси
Дополнительная гидравлическая линия - рукава
Дополнительная гидравлическая линия - педаль
Зеркало кабины
Проблесковый маяк магнитный
Комплект подлокотников
Подголовник
Рукоятка руля
Литература
Инструмент
1
1
2
3
3
4
5
5
5
5
5
5
5
6
7
8
9
10
10
10
10
10
10
10
11
12
13
13
14
14
15
15
16
16
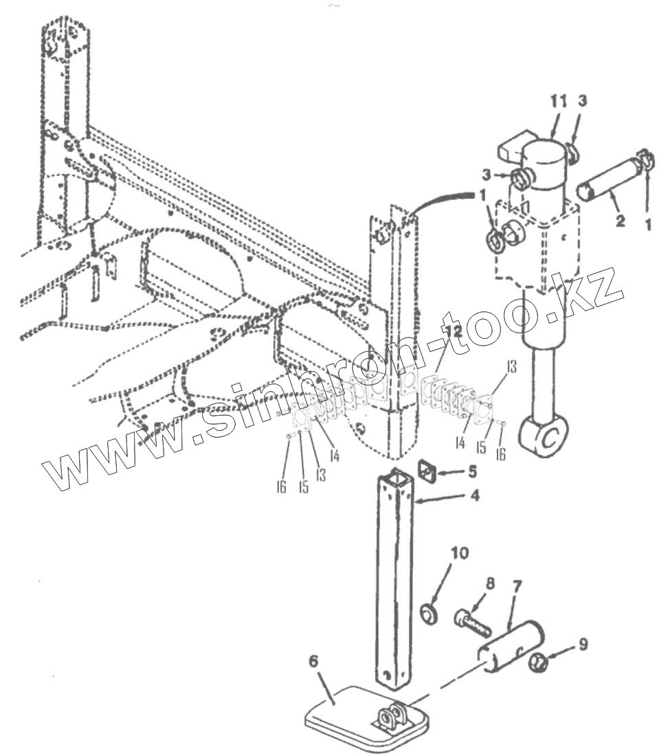
Позиция на иллюстрации
Заводской номер детали
Название детали
1
1440478X1
Кольцо-защелка
2
3521289M3
Палец
3
3521279M2
Втулка
4
6112163M91
Подвижная часть стабилизатора
5
3516684M2
Колодка
5
3521199M3
Упорная пластина
5
3517077M1
Упорная пластина
5
3518965M1
Упорная пластина
5
3518936M1
Упорная пластина
5
6108416M1
Колодка
5
6108417M1
Колодка
6
1B0327
Пята стабилизатора
7
3522879M2
Палец
8
1442169X1
Винт
9
1440329X1
Гайка
10
3519712M1
Колодка
10
3519713M1
Упорная пластина
10
3519714M1
Упорная пластина
10
3519715M1
Упорная пластина
10
3519716M1
Упорная пластина
10
6108418M1
Колодка
10
6108419M1
Колодка
11
1H0020
Цилиндр в сборе
12
1TB0030M1
Прокладка
13
1TB0017M91
Крышка плоская
14
6112168M1
Накладка упорная
15
339369X1
Шайба
16
6007798M1
Болт
Содержащиеся в справочниках-каталогах запасные части и детали не предлагаются к продаже, а носят исключительно информационный характер
Дополнительная информация
×
Название:
Номер:
Примечание: