Каталог запасных частей к технике: ТВЭКС TLB 825. Клапан электрогидравлический
2
3
4
5
6
7
8
9
10
11
12
13
14
15
16
19
20
21
22
23
24
25
26
27
28
29
31
32
33
34
35
36
37
38
39
40
41
42
43
44
45
46
47
48
49
50
51
52
53
54
55
56
57
58
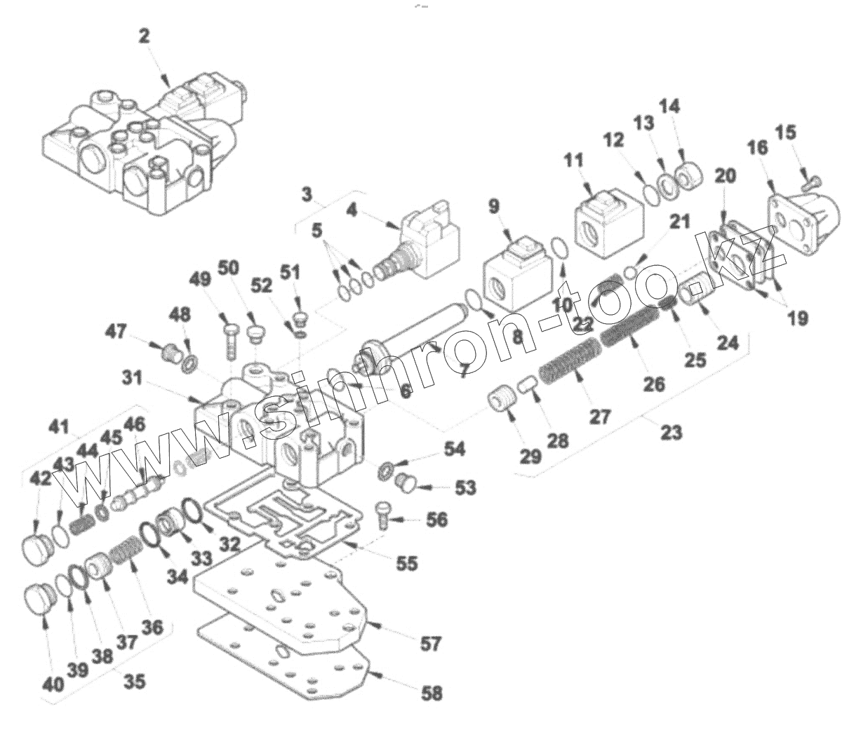
| Позиция на иллюстрации | Заводской номер детали | Название детали | |
|---|---|---|---|
| 1 | Трансмиссия в сборе | Трансмиссия в сборе | |
| 2 | 6194733M91 | Клапан в сборе | |
| 3 | 6194452M91 | Клапан электрогидравлический | |
| 4 | Клапан | Клапан | |
| 5 | 6194453M91 | Комплект уплотнений | |
| 6 | Кольцевое уплотнение | Кольцевое уплотнение | |
| 7 | 6194486M1 | Трубка электромагнитного клапана | |
| 8 | Кольцевое уплотнение | Кольцевое уплотнение | |
| 9 | 6194483M1 | Катушка | |
| 10 | Кольцевое уплотнение | Кольцевое уплотнение | |
| 11 | 6194483M1 | Катушка | |
| 12 | Кольцевое уплотнение | Кольцевое уплотнение | |
| 13 | 6194481M1 | Шайба | |
| 14 | 6194482M1 | Заглушка | |
| 15 | Болт | Болт | |
| 16 | 6194479M1 | Крышка клапаеа | |
| 17 | 6194742M91 | Комплект клапана в сборе | |
| 18 | 6194740M91 | Комплект пластин | |
| 19 | Прокладка | Прокладка | |
| 20 | Пластина | Пластина | |
| 21 | Шарик | Шарик | |
| 22 | Пружина | Пружина | |
| 23 | 6194739M91 | Клапан в сборе | |
| 24 | Плунжер | Плунжер | |
| 25 | Пружина | Пружина | |
| 26 | Пружина | Пружина | |
| 27 | Пружина | Пружина | |
| 28 | Ось | Ось | |
| 29 | Поршень | Поршень | |
| 30 | 6194741M91 | Корпус управляющего клапана в сборе | |
| 31 | Корпус | Корпус зажима | |
| 32 | Кольцо | Кольцо | |
| 33 | Втулка | Втулка | |
| 34 | Кольцо | Кольцо | |
| 35 | 6194735M91 | Делитель поршневой | |
| 36 | Пружина | Пружина | |
| 37 | Кольцо | Кольцо | |
| 38 | Кольцо | Кольцо | |
| 39 | Уплотнение | Уплотнение | |
| 40 | Заглушка | Заглушка | |
| 41 | 6194734M91 | Золотник | |
| 42 | Заглушка | Заглушка | |
| 43 | Уплотнение | Уплотнение | |
| 44 | Пружина | Пружина | |
| 45 | Шайба | Шайба | |
| 46 | Золотник | Золотник | |
| 47 | Заглушка | Заглушка | |
| 48 | Шайба | Шайба | |
| 49 | Болт | Болт | |
| 50 | Заглушка | Заглушка | |
| 51 | Заглушка | Заглушка | |
| 52 | Шайба | Шайба | |
| 53 | Заглушка | Заглушка | |
| 54 | Шайба медная | Шайба медная | |
| 55 | Прокладка | Прокладка | |
| 56 | Болт | Болт | |
| 57 | 6194467M1 | Пластина | |
| 58 | Прокладка | Прокладка | |
| NI | 6194736M91 | Ремкомплект болтов | |
| NI | 6194737M91 | Ремкомплект уплотнений | |
| NI | 6194738M91 | Ремкомплект прокладок |
Содержащиеся в справочниках-каталогах запасные части и детали не предлагаются к продаже, а носят исключительно информационный характер