Вернуться на главную
Поиск
Каталоги запчастей к технике
Спецтехника
ТВЭКС
ТХ-270 / 300
272020160000 00 Установка климатической системы
Каталог запасных частей к технике: ТВЭКС ТХ-270 / 300. 272020160000 00 Установка климатической системы
zoom-in
zoom-out
enlarge
shrink
circle-right
circle-left
file-text2
info
cart
Тип техники
Не выбрано
Легковые автомобили
Грузовые автомобили и прицепы
Автобусы
Сельхозтехника
Спецтехника
Двигатели
Мототехника
Марка
Не выбрано
Ammann
BOMAG
CARMIX
CASE IH
Changlin
ChengGong
Dimex
Doosan
DYNAPAC
Foton
HAMM
Hidromek
Hitachi
Hyundai
JCB
JLG
John Deere
Komatsu
LIEBHERR
LiuGong
Lonking (LongGong)
Luneng
MANITOU
Mitsuber
New Holland
PENGPU
RM-Terex
SANY
SDLG
SEM
Shantui
Shehwa HBXG
Soosan
TIGARBO
VOGELE
Volvo
WAY
WIRTGEN
XCMG
XGMA
Xiamen
YTO
Yuchai
Zoomlion
Автокран
АЗСМ
Алтайлесмаш
Амкодор
АОМЗ
Атек
АТЗ
Балканкар Рекорд
БелАЗ
Беловеж
Борекс
Брянский Арсенал
Булат
ВЭКС
ГАЗ
Геомаш
Гидромаш
Донекс
Дормаш
Дормашина
Дорэлектромаш
ДЭЗ
ЕлАЗ
ЗЗГТ
Ижнефтемаш
Канаш-электрокар
КЗКТ
ККЗ
Клевер
Клинцовский автокрановый завод
КМЗ
КМЗ 1 Мая
Ковровец
Коммаш
Кранэкс
КЭЗ
КЭМЗ
ЛЗА
МАЗ
МЗИК
МЗКМ
МЗКТ
Михневский РМЗ
МоАЗ
Мозырский МЗ
МТЗ
ОЗП
Онежец
ПАО "ТЗА"
ППС Детва
Промтрактор
ПТЗ
Раскат
СпецАгрегат
ТВЭКС
ТТМ
УВЗ
Угличмаш
УЗТМ
ХТЗ
ЧЗКМ
ЧСДМ
ЧТЗ
ЭКСКО
ЭКСМАШ
ЮрМаш
Модель
Не выбрано
5846ТМ (ЕА17) (2010)
E145W (ЕК-14)
E145W (ЕК-14) (2005)
E185W (ЕК-18)
E185W (ЕК-18) (2005)
E185W (ЕК-18) (2008)
E225LC (2022)
E225NLC (2022)
TLB 825 (2016)
TLB 825 (2017)
TLB 825 (2019)
TLB 935 (2020)
TLB 935 (2021)
TVEX-140W (2015)
TVEX-180i (2015)
TVEX-180W (2015)
TX220LC (2019)
TX220NLC (2019)
WX200 (2019)
WХ-200 (2015)
WХ-200 (2017) (2017)
ВП-03 (2005)
ВП-05
ВП-05 (2015)
ВП-05 (2005) (2005)
ВП-05 (вариант) (2005)
Е200СН (2018)
Е245СН (2018)
ЕК-12 (2005)
ЕК-12 (2007) (2007)
ЕК-12 (2013) (2013)
ЕК-14-20 (2013)
ЕК-14-90 (2011)
ЕК-14-90 (2015)
ЕК-18-20 (2010)
ЕК-18-40 (2005)
ЕК-18-45-60 (2008)
ЕК-18-90 (2012)
ЕК-18-90 (2015)
ЕК-20-20 (2010)
ЕТ-16 (2005)
ЕТ-16-20 (2007)
ЕТ-18-20 (2005)
ЕТ-20-20 (2012)
ЕТ-25
ЕТ-25-20 (2007)
ЕТ-26i (2010)
ЕТ-26i (2015)
ТХ-210 (2015)
ТХ-210 (2017)
ТХ-220 (2017)
ТХ-270 / 300 (2017)
ТЭП-18 (2012)
ЭО-3122
ЭО-3323
ЭО-3323А (2002)
ЭО-3326 (2000)
ЭОВ-3521 (2007)
ЭОВ-3521М-1 (2007)
ЭОВ-3521М-1 (2017)
ЭОВ-3521М-1 (2017)
Схема
>
Не выбрано
Исполнения экскаваторов ТХ270, ТХ300
Перечень сборочных единиц
270ХХХХХХХХХ ХХ, 300ХХХХХХХХХ ХХ Экскаватор одноковшовый гусеничный гидравлический ТХ270, ТХ300
271000000000 ХХ, 301000000000 ХХ Тележка ходовая
271030000000 20 Гидрооборудование тележки
271040000000 01 Установка приводов хода
271050000000 00 Установка ОПРУ
272000000000 05, 302000000000 06 Платформа поворотная с механизмами
202000000100 00 Установка стопора
272020000000 00 Установка кабины
272020200000 00 Установка интерьера кабины
272020300000 00 Установка верхней решетки
272020100000 00 Кабина в сборе
272020100000 00 Кабина в сборе
272020100000 00 Кабина в сборе
272020100000 00 Кабина в сборе
272020100000 00 Кабина в сборе
272020100000 00 Кабина в сборе
272020100000 00 Кабина в сборе
202020120000 00 Дверь в сборе
202020130000 00 Установка передней рамки
202020131000 00 Рамка передняя
202020140000 00 Дверца задняя в сборе
202020150000 00 Форточка задняя
202020100500 00 Установка фиксатора двери
202020100600 00 Установка нижнего стекла
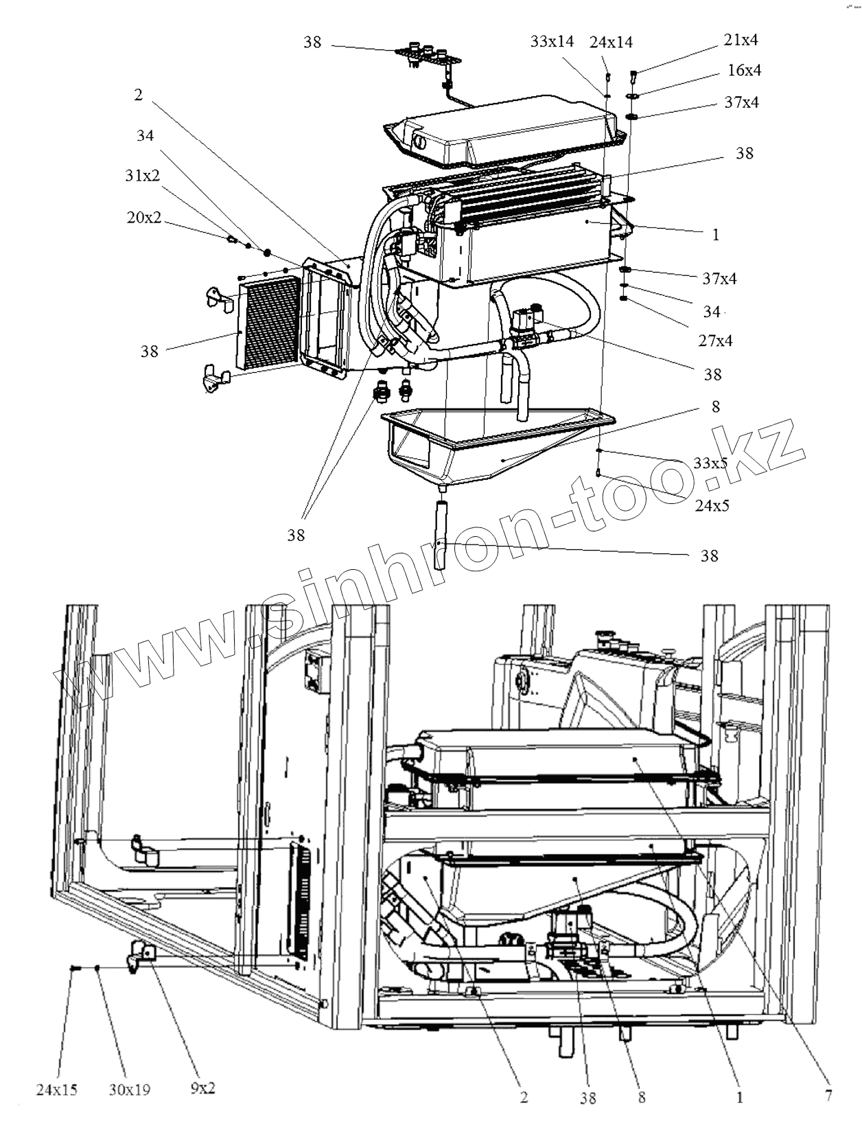
272020160000 00 Установка климатической системы
272030000000 02 Пост управления экскаватором
272030200000 02 Установка пультов
272030204000 00 Механизм выключателя
Гидроуправление в кабине
Гидроуправление в кабине
Гидроуправление в кабине (монтажная схема)
272030600000 01 Электроуправление в кабине
272030600000 01 Электроуправление в кабине
272030600000 01 Электроуправление в кабине
272040000000 00 Установка баков
272040300000 00 Бак топливный
272040400000 00 Бак гидравлический
272050000000 04 Установка противовеса
272070000000 01 Установка механизма поворота
272080000000 00, 272080000000 10 Гидрооборудование на поворотной платформе (гидравлика Бош-Рексрот), (гидравлика Sungbo)
272080000000 00, 272080000000 10 Гидрооборудование на поворотной платформе (гидравлика Бош-Рексрот), (гидравлика Sungbo)
272080000000 00, 272080000000 10 Гидрооборудование на поворотной платформе (гидравлика Бош-Рексрот), (гидравлика Sungbo)
272080000000 00, 272080000000 10 Гидрооборудование на поворотной платформе (гидравлика Бош-Рексрот), (гидравлика Sungbo)
272080000000 00, 272080000000 10 Гидрооборудование на поворотной платформе (гидравлика Бош-Рексрот), (гидравлика Sungbo)
272080000000 00, 272080000000 10 Гидрооборудование на поворотной платформе (гидравлика Бош-Рексрот), (гидравлика Sungbo)
272080000000 00, 272080000000 10 Гидрооборудование на поворотной платформе (гидравлика Бош-Рексрот), (гидравлика Sungbo)
272080000200 00 Установка антикавитационного клапана
272090000000 01 Электрооборудование на поворотной платформе
Установка АКБ
Кронштейн реле на бак
Установка номерного знака
Плафон капота
Фары передние
202110000000 02 Установка кондицонера
202110100000 01 Установка конденсатора
272121000000 04 Установка силовая
Двигатель с опорами
Топливная система
Фильтр предварительной очистки топлива
212120002000 00 Радиатор с кронштейнами
Патрубки водяного радиатора и расширительный бачок
Патрубки системы охлаждения
Патрубки интеркулера
202120003000 00 Установка воздухоочистителя
212120004000 00 Установка глушителя
202121001000 00 Установка агрегата насосного
Фильтры двигателя
202170000000 00 Установка зеркал с подогревом
202210000000 00 Установка стеклоочистителя
206000000000 08 Установка камеры заднего вида и фары на противовес
272060100000 02 Установка капота
272060100000 02 Установка капота
272060100000 02 Установка капота
272060100000 02 Установка капота
272060100000 02 Установка капота
272060100000 02 Установка капота
272060100400 00 Петля
272060100000 02 Капот верхний
202250000000 00 Подключение отопителя
273000000000 17, 303000000000 18 Установка рабочего оборудования
273070000000 17, 303080000000 18 Установка рукояти
273050401000 00, 303080200000 00 Гидроцилиндр ковша
273070300000 00, 303080300000 00 Гидроразводка рукояти 3000 м, 3200 м
273020100000 00, 303020100000 00 Гидроцилиндр стрелы
273040100000 00, 303050000000 00 Гидроцилиндр рукояти
273030200000 00, 303030100000 00 Гидроразводка стрелы
274000000000 08, 304000000000 07 Установка ковша
206000000000 41 Комплект опций
206020000000 02 Установка четырех фар на крыше
206090000000 09 Установка фары на противовес
1
1
2
2
7
8
8
9
16
20
21
24
24
24
27
30
31
33
33
34
34
37
37
38
38
38
38
38
38
38
Позиция на иллюстрации
Заводской номер детали
Название детали
1
27202016010000
Корпус климатической системы
2
27202016020000
Регулятор воздуха
7
27202020002700
Крышка отопителя
8
27202020002800
Воздуховод заборника
9
27202016000100
Фиксатор
16
00023040401800
Шайба
20
00002640012101
Болт M8-6gx20.58.016
21
00002640012701
Болт М8-6gх25.58.016
24
00002640031201
Винт
25
00002640031501
Винт
27
00002641060601
Гайка М6-6Н.5.016
30
00002644020401
Шайба 6.65Г.016
31
00002644020501
Шайба 8.65Г.016
33
00002644060601
Шайба плоская
34
00002644060801
Шайба С8.01.08кп.016
37
00010310416501
Прокладка крепления кронштейна
38
00092381007301
Климатическая система кабины
Содержащиеся в справочниках-каталогах запасные части и детали не предлагаются к продаже, а носят исключительно информационный характер
Дополнительная информация
×
Название:
Номер:
Примечание: