Вернуться на главную
Поиск
Каталоги запчастей к технике
Спецтехника
ТВЭКС
ТХ-210
Фильтр предварительной очистки топлива
Каталог запасных частей к технике: ТВЭКС ТХ-210. Фильтр предварительной очистки топлива
zoom-in
zoom-out
enlarge
shrink
circle-right
circle-left
file-text2
info
cart
Тип техники
Не выбрано
Легковые автомобили
Грузовые автомобили и прицепы
Автобусы
Сельхозтехника
Спецтехника
Двигатели
Мототехника
Марка
Не выбрано
Ammann
BOMAG
CARMIX
CASE IH
Changlin
ChengGong
Dimex
Doosan
DYNAPAC
Foton
HAMM
Hidromek
Hitachi
Hyundai
JCB
JLG
John Deere
Komatsu
LIEBHERR
LiuGong
Lonking (LongGong)
Luneng
MANITOU
Mitsuber
New Holland
PENGPU
RM-Terex
SANY
SDLG
SEM
Shantui
Shehwa HBXG
Soosan
TIGARBO
VOGELE
Volvo
WAY
WIRTGEN
XCMG
XGMA
Xiamen
YTO
Yuchai
Zoomlion
Автокран
АЗСМ
Алтайлесмаш
Амкодор
АОМЗ
Атек
АТЗ
Балканкар Рекорд
БелАЗ
Беловеж
Борекс
Брянский Арсенал
Булат
ВЭКС
ГАЗ
Геомаш
Гидромаш
Донекс
Дормаш
Дормашина
Дорэлектромаш
ДЭЗ
ЕлАЗ
ЗЗГТ
Ижнефтемаш
Канаш-электрокар
КЗКТ
ККЗ
Клевер
Клинцовский автокрановый завод
КМЗ
КМЗ 1 Мая
Ковровец
Коммаш
Кранэкс
КЭЗ
КЭМЗ
ЛЗА
МАЗ
МЗИК
МЗКМ
МЗКТ
Михневский РМЗ
МоАЗ
Мозырский МЗ
МТЗ
ОЗП
Онежец
ПАО "ТЗА"
ППС Детва
Промтрактор
ПТЗ
Раскат
СпецАгрегат
ТВЭКС
ТТМ
УВЗ
Угличмаш
УЗТМ
ХТЗ
ЧЗКМ
ЧСДМ
ЧТЗ
ЭКСКО
ЭКСМАШ
ЮрМаш
Модель
Не выбрано
5846ТМ (ЕА17) (2010)
E145W (ЕК-14)
E145W (ЕК-14) (2005)
E185W (ЕК-18)
E185W (ЕК-18) (2005)
E185W (ЕК-18) (2008)
E225LC (2022)
E225NLC (2022)
TLB 825 (2016)
TLB 825 (2017)
TLB 825 (2019)
TLB 935 (2020)
TLB 935 (2021)
TVEX-140W (2015)
TVEX-180i (2015)
TVEX-180W (2015)
TX220LC (2019)
TX220NLC (2019)
WX200 (2019)
WХ-200 (2015)
WХ-200 (2017) (2017)
ВП-03 (2005)
ВП-05
ВП-05 (2015)
ВП-05 (2005) (2005)
ВП-05 (вариант) (2005)
Е200СН (2018)
Е245СН (2018)
ЕК-12 (2005)
ЕК-12 (2007) (2007)
ЕК-12 (2013) (2013)
ЕК-14-20 (2013)
ЕК-14-90 (2011)
ЕК-14-90 (2015)
ЕК-18-20 (2010)
ЕК-18-40 (2005)
ЕК-18-45-60 (2008)
ЕК-18-90 (2012)
ЕК-18-90 (2015)
ЕК-20-20 (2010)
ЕТ-16 (2005)
ЕТ-16-20 (2007)
ЕТ-18-20 (2005)
ЕТ-20-20 (2012)
ЕТ-25
ЕТ-25-20 (2007)
ЕТ-26i (2010)
ЕТ-26i (2015)
ТХ-210 (2015)
ТХ-210 (2017)
ТХ-220 (2017)
ТХ-270 / 300 (2017)
ТЭП-18 (2012)
ЭО-3122
ЭО-3323
ЭО-3323А (2002)
ЭО-3326 (2000)
ЭОВ-3521 (2007)
ЭОВ-3521М-1 (2007)
ЭОВ-3521М-1 (2017)
ЭОВ-3521М-1 (2017)
Схема
>
Не выбрано
Исполнения экскаваторов ТХ210
Перечень сборочных единиц
210ХХХХХХХХХ ХХ- Экскаватор гусеничный гидравлический ТХ210
211000000000 ХХ Ходовая тележка в сборе
211030000000 00 Гидрооборудование тележки (Bosch-Rexroth), 211030000000 10 (Sungbo)
211040000000 ХХ Установка приводов хода
201010200000 00 Установка ОПУ
212000000000 ХХ Платформа поворотная с механизмами
202000000100 00 Установка стопора
202020000000 00 Установка кабины
202020200000 00 Установка интерьера кабины
202020300000 00 Установка верхней решетки
202020100000 00 Кабина в сборе
202020100000 00 Кабина в сборе
202020100000 00 Кабина в сборе
202020100000 00 Кабина в сборе
202020100000 00 Кабина в сборе
202020100000 00 Кабина в сборе
202020100000 00 Кабина в сборе
202020120000 00 Дверь в сборе
202020130000 00 Установка передней рамки
202020131000 00 Рамка передняя
202020140000 00 Дверца задняя в сборе
202020150000 00 Форточка задняя
202020100500 00 Установка фиксатора двери
202020100600 00 Установка нижнего стекла
212030000000 01 Пост управления экскаватором
202030200000 00 Установка пультов
202030300000 00 Установка климатической системы
001426220100 00 Регулятор воздуха
212030500000 00 Гидроуправление экскаватора
212030500000 00 Гидроуправление экскаватора
212030500000 00 Гидроуправление экскаватора (Монтажная схема)
202030600000 01 Электроуправление в кабине
202030600000 01 Электроуправление в кабине
202030600000 01 Электроуправление в кабине
202040000000 10 Установка баков
202040100000 00 Бак топливный
202040200000 10 Бак гидравлический
202050000000 00 Установка противовеса
202070000000 ХХ Установка механизма поворота
212080000000 10 Гидрооборудование на поворотной платформе (механизм поворота Бош-Рексрот)
212080000000 10 Гидрооборудование на поворотной платформе (механизм поворота Бош-Рексрот)
212080000000 10 Гидрооборудование на поворотной платформе (механизм поворота Бош-Рексрот)
212080000000 10 Гидрооборудование на поворотной платформе (механизм поворота Бош-Рексрот), 212080000000 20 (механизм поворота Sungbо)
212080000000 30 Гидрооборудование на поворотной платформе (гидравлика с электороуправлением)
212080000000 30 Гидрооборудование на поворотной платформе (гидравлика с электороуправлением)
212080000000 30 Гидрооборудование на поворотной платформе (гидравлика с электороуправлением)
212080000000 30 Гидрооборудование на поворотной платформе (гидравлика с электороуправлением)
212080000000 30 Гидрооборудование на поворотной платформе (гидравлика с электороуправлением) 212080000000 40 (механизм поворота Sungbо)
002629100020 00 Гидрораспределитель
202090000000 01 Электрооборудование на поворотной платформе
Установка АКБ
Кронштейн реле на бак
Подсветка номерного знака
Плафон капота
Сигнал
Жгуты поворотной платформы
202110000000 01 Установка кондицонера
202110100000 00 Установка конденсатора
212120000000 00 Установка силовая
Двигатель с опорами
Топливная система
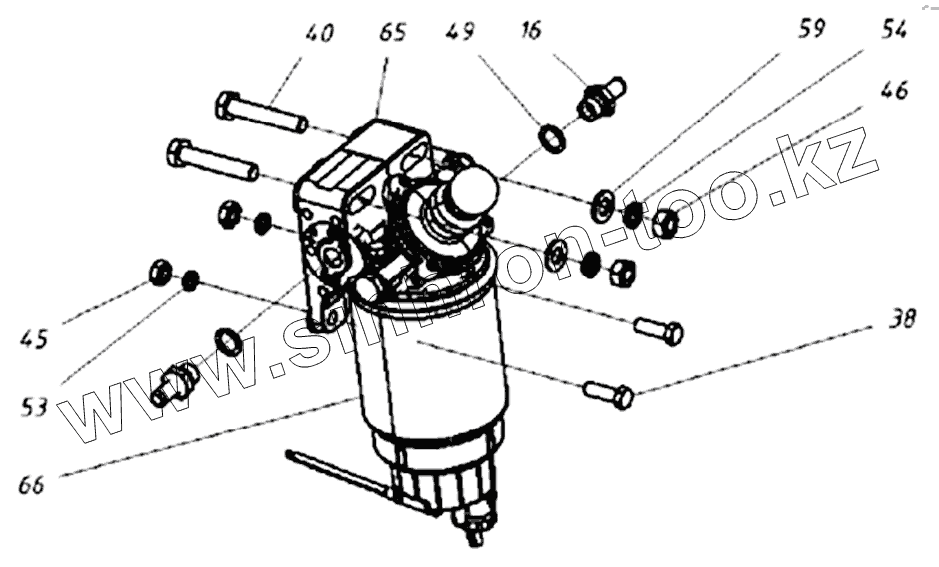
Фильтр предварительной очистки топлива
212120002000 00 Радиатор с кронштейнами
Патрубки водяного радиатора и расширительный бачок
Патрубки системы охлаждения
Патрубки интеркулера
202120003000 00 Установка воздухоочистителя
212120004000 00 Установка глушителя
202121001000 00 Установка агрегата насосного
202120005000 00 Установка НШ и фильтры двигателя
202130000000 01 Установка поддонов
202170000000 00 Установка зеркал с подогревом
202180000000 00 Установка опор кабины
202190000000 00 Установка ступени
202200000000 01 Установка сиденья оператора
202130000000 00 Установка стеклоочистителя
206000000000 01 Установка аудиосистемы
206000000000 08 Установка камеры заднего вида и фары на противовес
202064000000 00 Установка капота
202064000000 00 Установка капота
202064000000 00 Установка капота
202064000000 00 Установка капота
202064000000 00 Установка капота
202250000000 00 Подключение отопителя
203000000000 00 Установка рабочего оборудования
203ХХ0000000 ХХ Исполнения рабочего оборудования TX-210
203020000000 20 Гидроцилиндр стрелы
203040000000 20 Гидроцилиндр рукояти
203030000000 00 Гидроразводка стрелы с разводкой под гидромолот
203030000000 01 Гидроразводка стрелы с тормозными клапанами
203080000000 00, 203060000000 00 Установка рукояти 2920, 2400 с разводкой под гидромолот
203080200000 00, 203060200000 00 Гидроразводка рукояти 2920,2400 с разводкой под гидромолот
203080200000 01, 203060200000 01 Гидроразводка рукояти 2920, 2400 без разводки под гидромолот
203060400000 20 Гидроцилиндр ковша
204000000000 02 Установка ковша
204000000000 03 Установка ковша
206000000000 00 Комплект опций
206020000000 02 Установка четырех фар на крыше
206040000000 04, 206200000000 20 Установка гидроразводки на грейфер с ротатором с рукоятью 2400, 2920
206040000000 04 Установка гидроразводки на грейфер с ротатором (гидравлика)
206090000000 09 Установка фары на противовес
206110000000 11 Установка стабилизации стрелы
16
38
40
45
46
49
53
54
59
65
66
Позиция на иллюстрации
Заводской номер детали
Название детали
16
20212100000100
Штуцер
38
00002640023201
Болт М10-6gх35.88.016
40
00002640036401
Болт М12х65.88.019
45
00002641061001
Гайка M10-6H.5.016
46
00002641061201
Гайка M12-6H.5.016
49
00000233581600
Прокладка 16М3
53
00002644020601
Шайба 10.65Г.016
54
00002644020701
Шайба 12.65Г.016
59
00002644061201
Шайба 12.01.08кп.019
65
00093110080101
Фильтр
66
00093110081601
Фильтр сменный для топлива
Содержащиеся в справочниках-каталогах запасные части и детали не предлагаются к продаже, а носят исключительно информационный характер
Дополнительная информация
×
Название:
Номер:
Примечание: