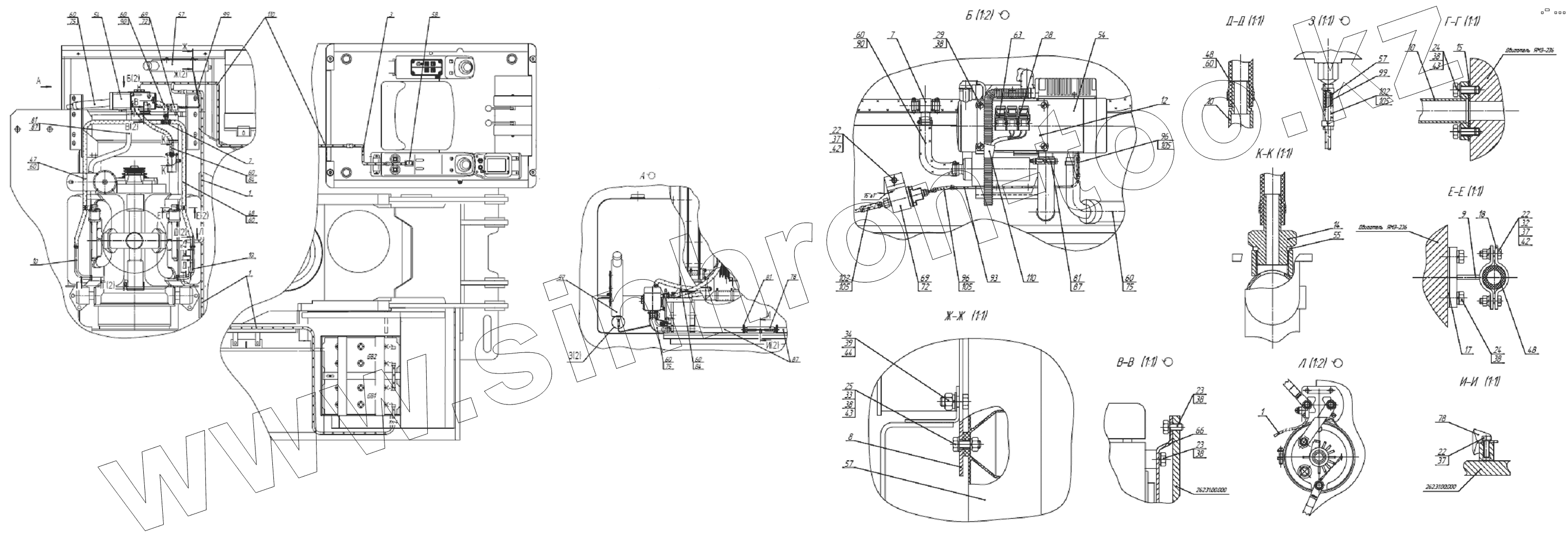
Каталог запасных частей к технике: ТВЭКС ЕТ-26i. 262.01.00.500-01 Установка подогревателя
1
1
1
3
7
7
8
9
10
10
10
10
12
14
15
17
18
22
22
22
23
23
24
24
25
28
29
32
33
34
37
37
37
38
38
38
38
38
38
39
42
42
43
43
44
47
48
48
48
54
54
55
57
57
57
57
58
60
60
60
60
60
60
60
60
60
60
63
66
69
69
72
72
75
75
75
78
81
81
81
84
84
87
87
87
90
90
93
96
96
99
99
102
102
105
105
105
105
110
110
| Позиция на иллюстрации | Заводской номер детали | Название детали | |
|---|---|---|---|
| 1 | 262.01.00.510 | Жгут проводов | |
| 3 | 262.01.00.530 | Жгут проводов | |
| 7 | 262.01.00.210 | Тройник | |
| 8 | 262.01.00.270 | Кронштейн | |
| 9 | 4225А.15.51.130 | Кронштейн | |
| 10 | 4225А.15.51.180 | Труба сварная | |
| 12 | 262.01.00.201 | Лист | |
| 14 | 262.01.00.203 | Штуцер | |
| 15 | 4225.11.54.001 | Прокладка | |
| 17 | 4225А.15.51.021 | Прокладка | |
| 18 | 4225А.15.51.131-01 | Скоба | |
| 22 | 7798.М6-8gх20.56.019 | Болт | |
| 23 | 7798.М8-8gх16.56.019 | Болт | |
| 24 | 7798.М8-8gх20.56.019 | Болт | |
| 25 | 7798.М8-8gх25.56.019 | Болт | |
| 28 | 17473.В.М4-8gх16.46.019 | Винт | |
| 29 | 17473.В.М8-8gх16.46.019 | Винт | |
| 32 | 5915.М6-7H.5.019 | Гайка | |
| 33 | 5915.М8-7H.5.019 | Гайка | |
| 34 | 5915.М10-7H.5.019 | Гайка | |
| 37 | 6402.6Т.65Г.06 | Шайба | |
| 38 | 6402.8Т.65Г.06 | Шайба | |
| 39 | 6402.10Т.65Г.06 | Шайба | |
| 42 | 11371.6.0112 | Шайба | |
| 43 | 11371.8.0112 | Шайба | |
| 44 | 11371.10.0112 | Шайба | |
| 47 | 10362.18х27-1,6 | Рукав | |
| 48 | 10362.18х27-1,6 | Рукав | |
| 54 | 252161050000 | Жидкостный подогреватель | |
| 55 | USITR-16 | Прокладка | |
| 57 | 221000201800 | Топливный бачок | |
| 58 | 221000328800 | Таймер | |
| 60 | 102067020032 | Хомут червячный | |
| 63 | 221000310600 | Блок предохранителей | |
| 66 | 251816800001 | Кронштейн | |
| 69 | 251963460000 | Дозировочный насос | |
| 72 | 221000500600 | Хомут крепления дозировочного насоса | |
| 75 | 251786800200 | Впускной шумогаситель | |
| 78 | 251806800100 | Выхлопной глушитель | |
| 81 | 15210061 | Хомут | |
| 84 | 201645890001 | Рукав | |
| 87 | 251816800800 | Гибкий газоотводящий шланг | |
| 90 | 201645890002 | Рукав | |
| 93 | 89031118 | Трубка | |
| 96 | 36075300 | Шланг 3,5х9,5 | |
| 99 | 89031125 | Трубка | |
| 102 | 36075350 | Шланг 5х3 | |
| 105 | 102068011098 | Хомут | |
| 110 | 262.01.00.520-01 | Жгут проводов |
Содержащиеся в справочниках-каталогах запасные части и детали не предлагаются к продаже, а носят исключительно информационный характер