Каталог запасных частей к технике: ТВЭКС ЕТ-16. Платформа поворотная с механизмом
1
1
1
2
3
3
4
4
4
5
6
7
8
8
9
9
10
11
11
12
13
14
15
15
16
16
17
18
19
20
21
22
23
24
25
26
27
28
29
30
31
32
33
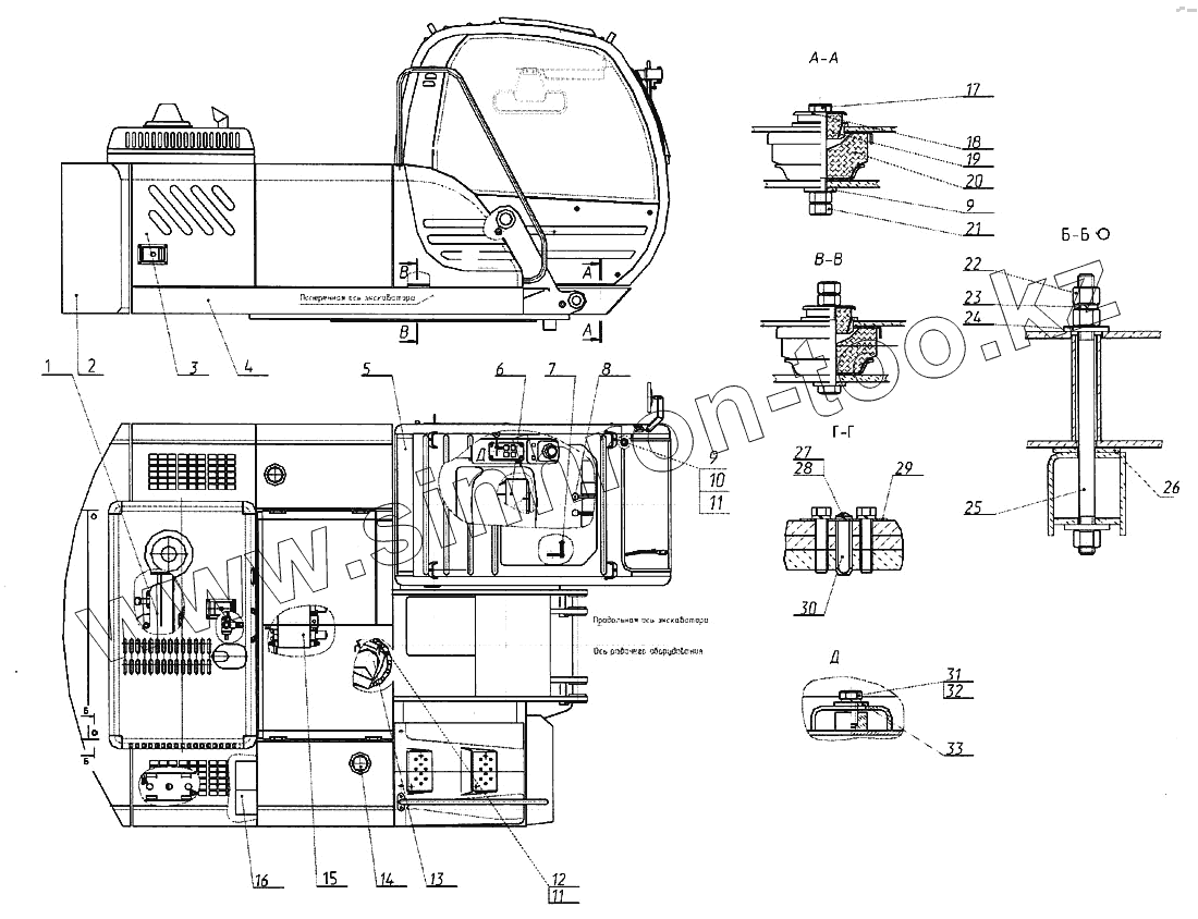
| Позиция на иллюстрации | Заводской номер детали | Название детали | |
|---|---|---|---|
| 1 | 314-02-03.00.000-30 | Установка силовая | |
| 1 | 314-02-03.00.000 | Установка силовая | |
| 1 | 314-60-04.00.000-20 | Установка силовая | |
| 2 | 314-20-20.15.000-40 | Противовес | |
| 3 | 314-20-10.10.000 | Капот | |
| 3 | 314-20-10.10.000-10 | Капот | |
| 4 | 314-20-01.00.000-40 | Платформа поворотная | |
| 4 | 314-20-01.00.000-50 | Платформа поворотная | |
| 4 | 314-20-01.00.000-70 | Платформа поворотная | |
| 5 | 312-20-02.00.000 | Кабина | |
| 6 | 314-02-87.13.000 | Установка отопителя | |
| 7 | 312-20-05.00.000 | Установка стопора | |
| 8 | 225-10-86.91.000-30 | Управление экскаватором | |
| 8 | 225-10-86.91.000-50 | Управление экскаватором | |
| 9 | 005-04-04.00.010 | Шайба | |
| 10 | 7798.М16-6gх35.109.40Х.016 | Болт | |
| 11 | 6402.16.65Г.016 | Шайба | |
| 12 | 7798.М16-6gх70.109.40Х.016 | Болт | |
| 13 | ЕК-14.07.00.000-02 | Механизм поворота | |
| 14 | 314-20-06.10.000 | Установка топливного бака | |
| 15 | 214-02-80.00.000 | Гидрооборудование на поворотной платформе | |
| 15 | 214-30-80.00.000-10 | Гидрооборудование на поворотной платформе | |
| 16 | 314-02-87.60.000 | Установка подогревателя | |
| 16 | 314-60-87.60.000 | Установка подогревателя и отопителя | |
| 17 | 7798.М16-6gх125.109.40Х.016 | Болт | |
| 18 | 005-04-04.00.009 | Крышка | |
| 19 | 005-04-04.00.008 | Амортизатор | |
| 20 | 005-04-04.00.007 | Амортизатор | |
| 21 | 5915.М16-7Н.5.016 | Гайка | |
| 22 | 15523.М24-7Н.10.40Х019 | Гайка | |
| 23 | 6402.24.65Г.019 | Шайба | |
| 24 | 314-02-20.00.002 | Шайба | |
| 25 | 314-02-20.00.030 | Болт | |
| 26 | 314-20-20.00.006 | Шайба | |
| 27 | 17473 .ВМ6-6gх14.58.016 | Винт | |
| 28 | 6402.6.65Г.016 | Шайба | |
| 29 | 13.01.00.002-85 | Планка | |
| 30 | 13.01.00.001-85 | Штифт | |
| 31 | 7798.М12-6gх30.58.016 | Болт | |
| 32 | 6402.12.65Г.016 | Шайба | |
| 33 | 11371.С12.01.08кп.019 | Шайба |
Содержащиеся в справочниках-каталогах запасные части и детали не предлагаются к продаже, а носят исключительно информационный характер