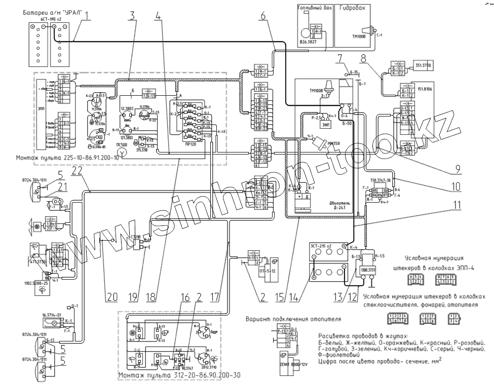
Каталог запасных частей к технике: ТВЭКС ЭОВ-3521. Схема электрическая соединений
1
1
2
3
4
5
5
5
6
7
8
9
10
11
12
13
14
15
16
17
18
19
20
21
22
| Позиция на иллюстрации | Заводской номер детали | Название детали | |
|---|---|---|---|
| 1 | 417-10-88.24.010 | Провод | |
| 2 | 314-02-88.01.150 | Провод | |
| 3 | 417-10-88.24.020 | Жгут проводов | |
| 4 | 417-10-88.24.080 | Жгут проводов | |
| 5 | 318-40-88.05.110 | Провод | |
| 6 | 417-10-88.24.040 | Жгут проводов | |
| 7 | 312-20-88.20.290 | Провод | |
| 8 | 417-10-88.24.090 | Жгут проводов | |
| 9 | 417-10-88.24.050 | Жгут проводов | |
| 10 | 312-20-88.20.130 | Жгут проводов | |
| 11 | 312-20-88.20.170 | Провод | |
| 12 | 312-20-88.20.270 | Провод | |
| 13 | 314-02-88.01.020 | Провод | |
| 14 | 312-20-88.20.280 | Провод | |
| 15 | 417-10-88.24.060 | Жгут проводов | |
| 16 | 312-20-88.20.090 | Провод | |
| 17 | 417-10-88.24.070 | Жгут проводов | |
| 18 | 214-02-88.01.080 | Провод | |
| 19 | 225-10-88.12.080 | Провод | |
| 20 | 312-20-88.20.240 | Провод | |
| 21 | 312-20-88.20.250 | Провод | |
| 22 | 312-20-88.20.020 | Жгут проводов |
Содержащиеся в справочниках-каталогах запасные части и детали не предлагаются к продаже, а носят исключительно информационный характер