Вернуться на главную
Поиск
Каталоги запчастей к технике
Спецтехника
ТВЭКС
ЭО-3326
09.59.03.000 Механизм включения переднего моста
Каталог запасных частей к технике: ТВЭКС ЭО-3326. 09.59.03.000 Механизм включения переднего моста
zoom-in
zoom-out
enlarge
shrink
circle-right
circle-left
file-text2
info
cart
Тип техники
Не выбрано
Легковые автомобили
Грузовые автомобили и прицепы
Автобусы
Сельхозтехника
Спецтехника
Двигатели
Мототехника
Марка
Не выбрано
Ammann
BOMAG
CARMIX
CASE IH
Changlin
ChengGong
Dimex
Doosan
DYNAPAC
Foton
HAMM
Hidromek
Hitachi
Hyundai
JCB
JLG
John Deere
Komatsu
LIEBHERR
LiuGong
Lonking (LongGong)
Luneng
MANITOU
Mitsuber
New Holland
PENGPU
RM-Terex
SANY
SDLG
SEM
Shantui
Shehwa HBXG
Soosan
TIGARBO
VOGELE
Volvo
WAY
WIRTGEN
XCMG
XGMA
Xiamen
YTO
Yuchai
Zoomlion
Автокран
АЗСМ
Алтайлесмаш
Амкодор
АОМЗ
Атек
АТЗ
Балканкар Рекорд
БелАЗ
Беловеж
Борекс
Брянский Арсенал
Булат
ВЭКС
ГАЗ
Геомаш
Гидромаш
Донекс
Дормаш
Дормашина
Дорэлектромаш
ДЭЗ
ЕлАЗ
ЗЗГТ
Ижнефтемаш
Канаш-электрокар
КЗКТ
ККЗ
Клевер
Клинцовский автокрановый завод
КМЗ
КМЗ 1 Мая
Ковровец
Коммаш
Кранэкс
КЭЗ
КЭМЗ
ЛЗА
МАЗ
МЗИК
МЗКМ
МЗКТ
Михневский РМЗ
МоАЗ
Мозырский МЗ
МТЗ
ОЗП
Онежец
ПАО "ТЗА"
ППС Детва
Промтрактор
ПТЗ
Раскат
СпецАгрегат
ТВЭКС
ТТМ
УВЗ
Угличмаш
УЗТМ
ХТЗ
ЧЗКМ
ЧСДМ
ЧТЗ
ЭКСКО
ЭКСМАШ
ЮрМаш
Модель
Не выбрано
5846ТМ (ЕА17) (2010)
E145W (ЕК-14)
E145W (ЕК-14) (2005)
E185W (ЕК-18)
E185W (ЕК-18) (2005)
E185W (ЕК-18) (2008)
E225LC (2022)
E225NLC (2022)
TLB 825 (2016)
TLB 825 (2017)
TLB 825 (2019)
TLB 935 (2020)
TLB 935 (2021)
TVEX-140W (2015)
TVEX-180i (2015)
TVEX-180W (2015)
TX220LC (2019)
TX220NLC (2019)
WX200 (2019)
WХ-200 (2015)
WХ-200 (2017) (2017)
ВП-03 (2005)
ВП-05
ВП-05 (2015)
ВП-05 (2005) (2005)
ВП-05 (вариант) (2005)
Е200СН (2018)
Е245СН (2018)
ЕК-12 (2005)
ЕК-12 (2007) (2007)
ЕК-12 (2013) (2013)
ЕК-14-20 (2013)
ЕК-14-90 (2011)
ЕК-14-90 (2015)
ЕК-18-20 (2010)
ЕК-18-40 (2005)
ЕК-18-45-60 (2008)
ЕК-18-90 (2012)
ЕК-18-90 (2015)
ЕК-20-20 (2010)
ЕТ-16 (2005)
ЕТ-16-20 (2007)
ЕТ-18-20 (2005)
ЕТ-20-20 (2012)
ЕТ-25
ЕТ-25-20 (2007)
ЕТ-26i (2010)
ЕТ-26i (2015)
ТХ-210 (2015)
ТХ-210 (2017)
ТХ-220 (2017)
ТХ-270 / 300 (2017)
ТЭП-18 (2012)
ЭО-3122
ЭО-3323
ЭО-3323А (2002)
ЭО-3326 (2000)
ЭОВ-3521 (2007)
ЭОВ-3521М-1 (2007)
ЭОВ-3521М-1 (2017)
ЭОВ-3521М-1 (2017)
Схема
>
Не выбрано
26.00.00.000 Зкскаватор одноковшовый
26.01.00.000 Поворотная платформа с механизмами
09.03.30.000 Механизм поворота
13.01.10.000 Установка отопителя 377-8101010
09.13.01.000 Установка насоса
26.23.00.000 Гидрооборудование на поворотной платформе
Гидрораспределитель ГГ 4.32Б-04В
26.23.15.000 Трубопроводы управления на поворотной платформе
26.04.00.000 Установка силовая
26.70.20.000, 26.70.32.000 Коробка перемены передач
26.70.20.000, 26.70.32.000 Коробка перемены передач
Коробка перемены передач
23.20.30.000 (26.70.31.000) Мост передний приводной (неприводной) управляемый
23.20.30.000 (26.70.31.000) Мост передний приводной (неприводной) управляемый
23.20.30.000 (26.70.31.000) Мост передний приводной (неприводной) управляемый
01.3-5200-00Б Мост передний
23.20.31.000 Передача главная
01.3-5101-00, 01.3-5202-00 Редуктор моста
09.59.03.000 Механизм включения переднего моста
01.3-5100-00 Мост задний
23.20.90.000 Мост задний (приводной неуправляемый)
23.20.30.000 Мост задний (приводной неуправляемый)
23.20.85.000 Коллектор
26.70.00.000, 26.70.30.000 Ход пневмоколесный
09.04.00.000 Ход пневмоколесный
Цилиндр поворота колес левый
09.64.02.700 Цилиндр поворота колес
Гидрооборудование ходовой части
Гидрооборудование на ходовой раме
26.07.00.000 Управление экскаватором
23.07.17.000 Гидроуправление в кабине экскаватора
Гидроаккумулятор с гидроклапанами
23.07.13.000 Установка руля гидравлического У245-006-002
Управление поворотом колес
09.64.08.000 Управление поворотом колес
Тормоз стояночный
26.00.70.000 (26.00.71.000) Электрооборудование
26.49.00.000 Рабочее оборудование обратной лопаты
Гидроцилиндр
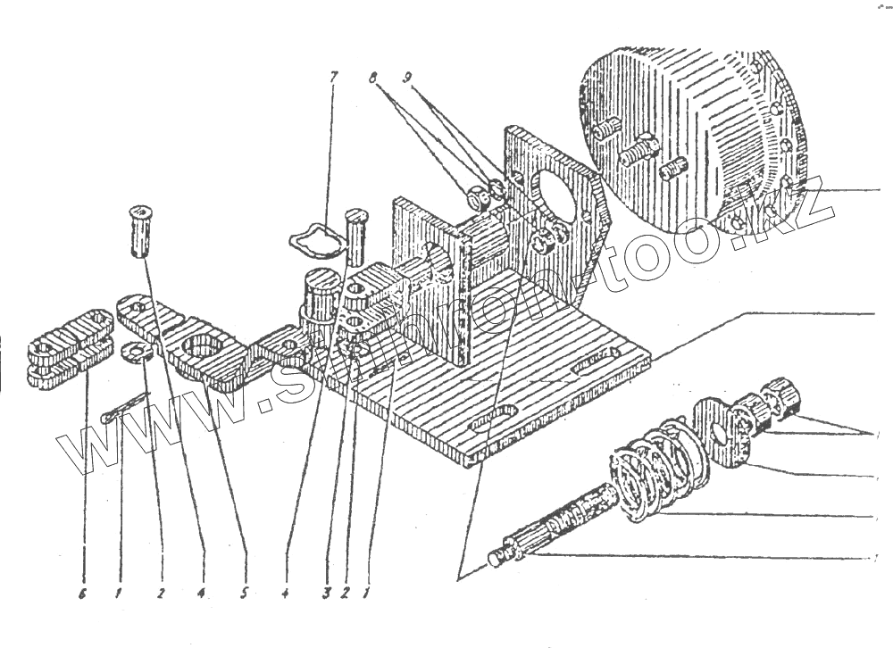
1
1
2
2
3
4
4
5
6
7
8
9
10
11
12
13
14
15
Позиция на иллюстрации
Заводской номер детали
Название детали
1
357.3,2x20
Шплинт
2
11371.12
Шайба
3
200-3504055-Б
Вилка тормозной камеры
4
6-12d11x40
Ось
5
09.59.02.100
Рычаг
6
08.06.00.008
Пластина
7
ШEЗ-30
Шайба
8
25015-H2
Гайка
9
252137-H2
Шайба пружин.
10
100-3519210-01
Камера тормозная
11
09.59.03.100
Кронштейн
12
22.23.02.003
Гайка
13
08.59.01.005
Шайба
14
08.59.01.006
Пружина
15
08.59.01.003A
Шток
Содержащиеся в справочниках-каталогах запасные части и детали не предлагаются к продаже, а носят исключительно информационный характер
Дополнительная информация
×
Название:
Номер:
Примечание: