Вернуться на главную
Поиск
Каталоги запчастей к технике
Спецтехника
ТВЭКС
ЭО-3323А
Агрегат насосный (333.3.56)
Каталог запасных частей к технике: ТВЭКС ЭО-3323А. Агрегат насосный (333.3.56)
zoom-in
zoom-out
enlarge
shrink
circle-right
circle-left
file-text2
info
cart
Тип техники
Не выбрано
Легковые автомобили
Грузовые автомобили и прицепы
Автобусы
Сельхозтехника
Спецтехника
Двигатели
Мототехника
Марка
Не выбрано
Ammann
BOMAG
CARMIX
CASE IH
Changlin
ChengGong
Dimex
Doosan
DYNAPAC
Foton
HAMM
Hidromek
Hitachi
Hyundai
JCB
JLG
John Deere
Komatsu
LIEBHERR
LiuGong
Lonking (LongGong)
Luneng
MANITOU
Mitsuber
New Holland
PENGPU
RM-Terex
SANY
SDLG
SEM
Shantui
Shehwa HBXG
Soosan
TIGARBO
VOGELE
Volvo
WAY
WIRTGEN
XCMG
XGMA
Xiamen
YTO
Yuchai
Zoomlion
Автокран
АЗСМ
Алтайлесмаш
Амкодор
АОМЗ
Атек
АТЗ
Балканкар Рекорд
БелАЗ
Беловеж
Борекс
Брянский Арсенал
Булат
ВЭКС
ГАЗ
Геомаш
Гидромаш
Донекс
Дормаш
Дормашина
Дорэлектромаш
ДЭЗ
ЕлАЗ
ЗЗГТ
Ижнефтемаш
Канаш-электрокар
КЗКТ
ККЗ
Клевер
Клинцовский автокрановый завод
КМЗ
КМЗ 1 Мая
Ковровец
Коммаш
Кранэкс
КЭЗ
КЭМЗ
ЛЗА
МАЗ
МЗИК
МЗКМ
МЗКТ
Михневский РМЗ
МоАЗ
Мозырский МЗ
МТЗ
ОЗП
Онежец
ПАО "ТЗА"
ППС Детва
Промтрактор
ПТЗ
Раскат
СпецАгрегат
ТВЭКС
ТТМ
УВЗ
Угличмаш
УЗТМ
ХТЗ
ЧЗКМ
ЧСДМ
ЧТЗ
ЭКСКО
ЭКСМАШ
ЮрМаш
Модель
Не выбрано
5846ТМ (ЕА17) (2010)
E145W (ЕК-14)
E145W (ЕК-14) (2005)
E185W (ЕК-18)
E185W (ЕК-18) (2005)
E185W (ЕК-18) (2008)
E225LC (2022)
E225NLC (2022)
TLB 825 (2016)
TLB 825 (2017)
TLB 825 (2019)
TLB 935 (2020)
TLB 935 (2021)
TVEX-140W (2015)
TVEX-180i (2015)
TVEX-180W (2015)
TX220LC (2019)
TX220NLC (2019)
WX200 (2019)
WХ-200 (2015)
WХ-200 (2017) (2017)
ВП-03 (2005)
ВП-05
ВП-05 (2015)
ВП-05 (2005) (2005)
ВП-05 (вариант) (2005)
Е200СН (2018)
Е245СН (2018)
ЕК-12 (2005)
ЕК-12 (2007) (2007)
ЕК-12 (2013) (2013)
ЕК-14-20 (2013)
ЕК-14-90 (2011)
ЕК-14-90 (2015)
ЕК-18-20 (2010)
ЕК-18-40 (2005)
ЕК-18-45-60 (2008)
ЕК-18-90 (2012)
ЕК-18-90 (2015)
ЕК-20-20 (2010)
ЕТ-16 (2005)
ЕТ-16-20 (2007)
ЕТ-18-20 (2005)
ЕТ-20-20 (2012)
ЕТ-25
ЕТ-25-20 (2007)
ЕТ-26i (2010)
ЕТ-26i (2015)
ТХ-210 (2015)
ТХ-210 (2017)
ТХ-220 (2017)
ТХ-270 / 300 (2017)
ТЭП-18 (2012)
ЭО-3122
ЭО-3323
ЭО-3323А (2002)
ЭО-3326 (2000)
ЭОВ-3521 (2007)
ЭОВ-3521М-1 (2007)
ЭОВ-3521М-1 (2017)
ЭОВ-3521М-1 (2017)
Схема
>
Не выбрано
Экскаватор пневмоколесный гидравлический ЭО-3323А (13.00.00.000)
Кабина (23.02.00.000)
Установка замка (23.02.15.300)
Замок (005-01-02.04.100)
Установка противосолнечного козырька (ЭО-3323А.02.07.000)
Сиденье машиниста (312-00-86.00.000-10)
Сиденье машиниста (312-00-86.00.000-10)
Щиток приборов (с двигателем Д-243) (ЭО-3323.07.02.100)
Щиток приборов (с двигателем Д-243Л, Д-75П1) (ЭО-3323.07.02.200)
Щиток приборов (ЭО-3323.07.04.100)
Щиток приборов блока сигнализации У4250.01 (ЭО-3323.07.04.200)
Установка отопителя 159-8101010 (13.01.12.000)
Платформа поворотная с механизмами (13.01.00.000, 16.01.00.000)
Установка силовая (с двигателем Д-243(Л)) (13.04.00.000)
Установка силовая (с двигателем Д75П1) (16.03.00.000-01)
Бак топливный (ЭО-3323.01.16.000)
Топливопроводы и управление подачей топлива (13.03.02.000)
Топливопроводы и управление подачей топлива (16.03.09.000)
Установка бензобачка (13.04.03.000)
Установка бензобачка (16.03.04.000)
Установка радиаторов и шторки (ЭО-3323.04.04.000)
Установка радиаторов и шторки (ЭО-3323.04.04.000)
Шторка (ЭО-3323.04.04.100)
Управление муфтой сцепления ручное (ЭО-3323.04.09.000)
Коробка перемены передач (ЭО-3323.20.50.000)
Коробка перемены передач (ЭО-3323.20.50.000)
Коробка перемены передач (314-02-72.51.000-01)
Коробка перемены передач (314-02-72.51.000-01)
Мост приводной неуправляемый (ЭО-3323.20.90.000)
Мост приводной неуправляемый (ЭО-3323.20.90.000)
Передача главная (ЭО-3323.20.31.000)
Мост приводной управляемый (ЭО-3323.20.30.000)
Мост приводной управляемый (ЭО-3323.20.30.000)
Мост приводной управляемый (ЭО-3323.20.30.000)
Ход пневмоколесный (ЭО-3323А.71.00.000)
Ход пневмоколесный (ЭО-3323А.71.00.000)
Опора поворотная роликовая (ОПРУ 1400.24.12.00, ОПРУ-1400.30.12.00, ОПРУ 1250.10.24.00)
Управление экскаватором (ЭО-3323.07.00.000)
Управление экскаватором (ЭО-3323.07.00.000)
Установка руля гидравлического (ЭО-3323А.07.22.000)
Гидроуправление экскаватором (ЭО-3323А.07.21.000)
Гидроуправление экскаватором (ЭО-3323А.07.21.000)
Монтажная схема гидроуправления
Блок управления (13.80.04.450)
Блок управления (13.80.04.400)
Блок управления (13.80.04.500)
Пульт правый (ЭО-3323.07.03.000)
Пульт правый (ЭО-3323.07.19.000)
Пневмоуправление на поворотной платформе (13.01.91.000)
Пневмоуправление на поворотной платформе (13.01.91.000)
Управление поворотом колес (ЭО-3323А.71.40.000)
Гидрораспределитель (ЭО-3323А.07.21.010)
Пневмогидроаккумулятор с гидроклапанами (64002.10.000)
Гидрооборудование на поворотной платформе (ЭО-3323А.08.07.000)
Блок «плавающего» положения стрелы (ЭО-3323А.08.07.065/300)
Клапан предохранительный (ЭО-3323А.08.07.110-10)
Клапан подпорный (ЭО-3323А.08.07.220)
Клапан (ЭО-3323А.08.07.960)
Блок переливных клапанов (ЭО-3323А.08.07.400)
Гидрораспределитель (ЭО-3323-520.00 ГР)
Гидрораспределитель (ЭО-3323-520.00 ГР)
Клапан подпиточный (520.20.01.000)
Бак гидравлический (ЭО-3323А.08.88.000)
Установка маслоохладительная (313-00-80.06.000)
Гидроцилиндр рукояти и ковша (34.64.00.800-01)
Гидроцилиндр стрелы (313-00-23.91.000)
Гидрооборудование на ходовой раме (ЭО-3323А.71.80.000)
Гидрооборудование на ходовой раме (ЭО-3323А.71.80.000)
Гидроклапан противообгонный (У4620.41.00.000)
Коллектор центральный (313-00-73.85.000)
Гидрозамок односторонний (13.71.80.610/620)
Гидрозамок двухсторонний (13.71.80.630/640)
Гидроцилиндр опоры - отвала (13.20.67.000)
Цилиндр поворота колес правый/ левый (ЭО-3323.71.80.300/ЭО-3323.71.80.400)
Гидроцилиндр выносных опор (08.20.77.000)
Клапан пневмогидравлический (ЭО-3322Б.60.05.000)
Установка педали тормоза хода (ЭО-3323.07.06.000)
Золотник дифференциальный (ЭО-3323.07.06.400)
Пневмоуправление на ходовой раме (ЭО-3323А.71.90.000)
Электрооборудование. Схема электрическая соединений (ЭО-3323.00.70.000 34)
Электрооборудование (ЭО-3323.00.70.000)
Электрооборудование (ЭО-3323.00.70.000)
Электрооборудование (ЭО-3323.00.70.000)
Электрооборудование (ЭО-3323.00.70.000)
Электрооборудование (ЭО-3323.00.70.000)
Установка аккумуляторов (ЭО-3323.00.70.600)
Установка насоса (13.03.01.000)
Установка насоса (13.03.01.000)
Насос строенный (333.20)
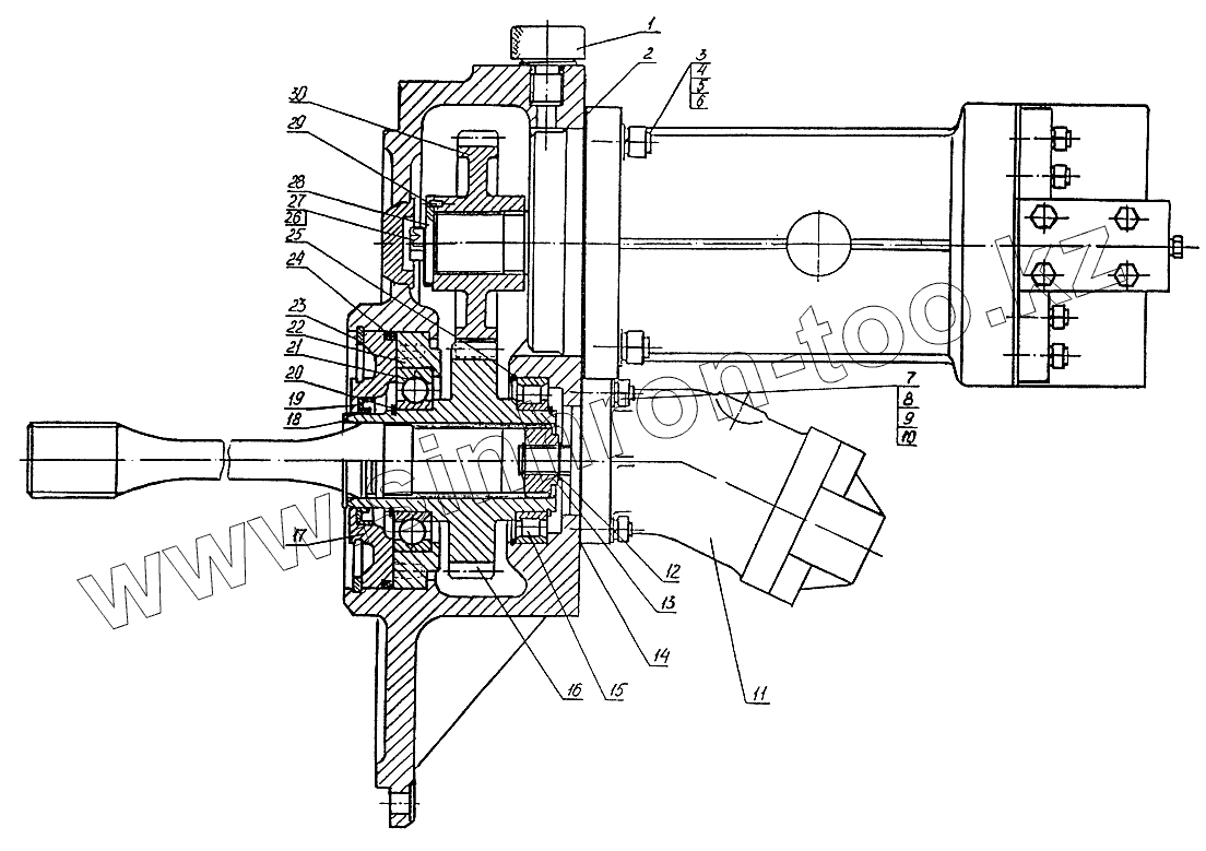
Агрегат насосный (333.3.56)
Установка насоса (16.03.01.000)
Механизм поворота (ЭО-3322Б.03.30.000)
Механизм поворота (ЕК-14.07.00.000)
Рабочее оборудование обратная лопата (313-00-23.00.000)
Рабочее оборудование обратная лопата (313-00-23.00.000)
Установка отвала (13.20.62.000)
1
2
3
4
5
6
7
8
9
10
11
12
13
14
15
16
17
18
19
20
21
22
23
24
25
26
27
28
29
30
Позиция на иллюстрации
Заводской номер детали
Название детали
1
333.1.56.020
Сапун
2
333.1.56.006
Прокладка
3
5915.М12-7Н.5.019
Гайка
4
6402.12.65Г.019
Шайба
5
11371.А.12х2,0
Шайба
6
22040.М12-6gх40
Шпилька
7
5915.М8-7Н.5.019
Гайка
8
6402.8.65Г.019
Шайба
9
11371.А.8х1,4
Шайба
10
22040.М8-8gх30
Шпилька
11
210.12.12.00Г
Гидромотор
12
13942.В16
Кольцо
13
333.2.56.923
Муфта
14
333.2.56.909
Прокладка
15
8328.2111
Подшипник
16
333.2.56.922
Шестерня ведущая
17
333.2.56.907
Крышка
18
333.1.56.022
Заглушка
19
8752.1.2-50х70-1
Манжета
20
13942.В55
Кольцо
21
8338.211
Подшипник
22
333.2.56.906
Стакан
23
333.2.56.912
Кольцо
24
18829.130-140-58-2-2
Кольцо
25
333.1.56.026
Кольцо стопорное
26
13463.12.01.019
Шайба
27
7798.М12-8gх25.58.019
Болт
28
333.1.56.019
Шайба
29
3128.3,4х12
Штифт
30
333.2.56.905
Шестерня
Содержащиеся в справочниках-каталогах запасные части и детали не предлагаются к продаже, а носят исключительно информационный характер
Дополнительная информация
×
Название:
Номер:
Примечание: