Вернуться на главную
Поиск
Каталоги запчастей к технике
Спецтехника
ТВЭКС
ЭО-3323
Унифицированное сиденье для строительных и дорожных машин
Каталог запасных частей к технике: ТВЭКС ЭО-3323. Унифицированное сиденье для строительных и дорожных машин
zoom-in
zoom-out
enlarge
shrink
circle-right
circle-left
file-text2
info
cart
Тип техники
Не выбрано
Легковые автомобили
Грузовые автомобили и прицепы
Автобусы
Сельхозтехника
Спецтехника
Двигатели
Мототехника
Марка
Не выбрано
Ammann
BOMAG
CARMIX
CASE IH
Changlin
ChengGong
Dimex
Doosan
DYNAPAC
Foton
HAMM
Hidromek
Hitachi
Hyundai
JCB
JLG
John Deere
Komatsu
LIEBHERR
LiuGong
Lonking (LongGong)
Luneng
MANITOU
Mitsuber
New Holland
PENGPU
RM-Terex
SANY
SDLG
SEM
Shantui
Shehwa HBXG
Soosan
TIGARBO
VOGELE
Volvo
WAY
WIRTGEN
XCMG
XGMA
Xiamen
YTO
Yuchai
Zoomlion
Автокран
АЗСМ
Алтайлесмаш
Амкодор
АОМЗ
Атек
АТЗ
Балканкар Рекорд
БелАЗ
Беловеж
Борекс
Брянский Арсенал
Булат
ВЭКС
ГАЗ
Геомаш
Гидромаш
Донекс
Дормаш
Дормашина
Дорэлектромаш
ДЭЗ
ЕлАЗ
ЗЗГТ
Ижнефтемаш
Канаш-электрокар
КЗКТ
ККЗ
Клевер
Клинцовский автокрановый завод
КМЗ
КМЗ 1 Мая
Ковровец
Коммаш
Кранэкс
КЭЗ
КЭМЗ
ЛЗА
МАЗ
МЗИК
МЗКМ
МЗКТ
Михневский РМЗ
МоАЗ
Мозырский МЗ
МТЗ
ОЗП
Онежец
ПАО "ТЗА"
ППС Детва
Промтрактор
ПТЗ
Раскат
СпецАгрегат
ТВЭКС
ТТМ
УВЗ
Угличмаш
УЗТМ
ХТЗ
ЧЗКМ
ЧСДМ
ЧТЗ
ЭКСКО
ЭКСМАШ
ЮрМаш
Модель
Не выбрано
5846ТМ (ЕА17) (2010)
E145W (ЕК-14)
E145W (ЕК-14) (2005)
E185W (ЕК-18)
E185W (ЕК-18) (2005)
E185W (ЕК-18) (2008)
E225LC (2022)
E225NLC (2022)
TLB 825 (2016)
TLB 825 (2017)
TLB 825 (2019)
TLB 935 (2020)
TLB 935 (2021)
TVEX-140W (2015)
TVEX-180i (2015)
TVEX-180W (2015)
TX220LC (2019)
TX220NLC (2019)
WX200 (2019)
WХ-200 (2015)
WХ-200 (2017) (2017)
ВП-03 (2005)
ВП-05
ВП-05 (2015)
ВП-05 (2005) (2005)
ВП-05 (вариант) (2005)
Е200СН (2018)
Е245СН (2018)
ЕК-12 (2005)
ЕК-12 (2007) (2007)
ЕК-12 (2013) (2013)
ЕК-14-20 (2013)
ЕК-14-90 (2011)
ЕК-14-90 (2015)
ЕК-18-20 (2010)
ЕК-18-40 (2005)
ЕК-18-45-60 (2008)
ЕК-18-90 (2012)
ЕК-18-90 (2015)
ЕК-20-20 (2010)
ЕТ-16 (2005)
ЕТ-16-20 (2007)
ЕТ-18-20 (2005)
ЕТ-20-20 (2012)
ЕТ-25
ЕТ-25-20 (2007)
ЕТ-26i (2010)
ЕТ-26i (2015)
ТХ-210 (2015)
ТХ-210 (2017)
ТХ-220 (2017)
ТХ-270 / 300 (2017)
ТЭП-18 (2012)
ЭО-3122
ЭО-3323
ЭО-3323А (2002)
ЭО-3326 (2000)
ЭОВ-3521 (2007)
ЭОВ-3521М-1 (2007)
ЭОВ-3521М-1 (2017)
ЭОВ-3521М-1 (2017)
Схема
>
Не выбрано
Кабина (части I..VII)
Кабина (части I..V)
Кабина (части V..VII)
Обшивка кабины
Металлоконструкция кабины
Металлоконструкция кабины (части I..IV)
Блок правый
Блок левый
Дверца съемная
Кран запорно-регулировочный
Установка стеклоочистителя
Установка табличек
Унифицированное сиденье для строительных и дорожных машин
Унифицированное сиденье для строительных и дорожных машин (части I..III)
Установка отопителя
Кран Кр29
Вентиль крана
Капот
Поворотная платформа с механизмами
Поворотная платформа с механизмами (часть I..IV)
Поворотная платформа с механизмами (часть V..X)
Удлиненная рукоять
Опора
Установка силовая
Установка силовая
Топливный бак
Установка подогревателя ПЖБ-200
Топливопровод и управление подачей топлива и экстренным остановом двигателя
Установка насоса
Отводка в сборе
Установка радиаторов и шторки
Установка радиаторов и шторки (части I..IV)
Шторка
Управление муфтой сцепления
Управление муфтой сцепления (части I..IV)
Цилиндр
Цилиндр
Установка разгрузочного устройства компрессора
Коробка перемены передач
Коробка перемены передач
Коробка перемены передач
Коробка перемены передач
Гидромотор
Узел качающий
Установка карданных валов
Карданный вал
Приводной управляемый мост
Приводной управляемый мост
Приводной управляемый мост
Тормозная колодка
Регулируемый рычаг
Главная передача
Главная передача
Ведущая шестерня
Приводной неуправляемый мост
Приводной неуправляемый мост
Приводной неуправляемый мост
Установка отвала
Пневмоколесный ход
Пневмоколесный ход (части I..V)
Пневмоколесный ход (часть VI)
Управление экскаватором
Управление экскаватором
Управление экскаватором
Пульт правый
Шланг
Шланг
Установка гидравлического руля
Руль гидравлический
Гидравлический руль
Гидромотор
Механизм поворота
Механизм поворота
Гидромотор
Управление поворотом колес
Поперечная тяга
Верхняя тяга
Поперечная буксировочная тяга
Цилиндр поворота колес
Цилиндр
Гидроуправление экскаватором ГГ4.20
Гидроуправление экскаватором ГГ4.20 (2)
Гидроуправление экскаватором (части I..IV)
Гидрораспределитель
Предохранительный гидроклапан
Предохранительный клапан
Блок дистанционного гидроуправления
Блок дистанционного гидроуправления
Блок дистанционного гидроуправления
Гидроуправление экскаватора ГГ4.32
Переоборудование экскаватора ГГ4.32
Гидрооборудование экскаватора ГГ4.32 (части I..IV)
Шланг
Установка педали тормоза хода
Дифференциальный пневматический золотник
Пневмооборудование на поворотной платформе
Пневмооборудование на поворотной платформе (части I..IV)
Пневмооборудование на ходовой раме
Шланг прицепа
Клапан быстрого оттормаживания
Электрооборудование
Электрооборудование (части I..VIII)
Электрооборудование (части IX..XII)
Электрооборудование (части XIII..XVIII)
Электрооборудование (части XIX..XXII)
Установка аккумуляторов
Щиток приборов (Д-240)
Щиток приборов (Д-240Л)
Щиток приборов
Гидрооборудование на поворотной платформе ГГ4.20 (части IXV)
Гидрооборудование на поворотной платформе ГГ4.20 (части I..IV)
Гидрооборудование на поворотной платформе ГГ4.20 (часть V..VIII)
Гидрооборудование на поворотной платформе ГГ4.20 (часть IX..XII)
Гидрооборудование на поворотной платформе ГГ4.20 (часть XIII..XVI)
Шунт напорного золотника
Клапан обратный
Установка гидрораспределителя
Парораспределитель
Золотник (ГГ420-01.000)
Золотник (ГГ420-07.000)
Обратный гидроклапан
Предохранительный гидроклапан
Кран
Гидравлический бак
Гидравлический бак (часть I..III)
Заглушка
Маслоохладительная установка
Блок плавающего положения стрелы
Включатель манометра
Магистральный Фильтр
Пневмогидроаккумулятор
Ручной насос «Родник»
Переоборудование на поворотной платформе ГГ4.32 (части I..XVI)
Гидрооборудование на поворотной платформе ГГ4.32 (части I..IV)
Гидрооборудование на поворотной платформе ГГ4.32 (части V..VIII)
Гидрооборудование на поворотной платформе ГГ4.32 (части IX..XII)
Гидрооборудование на поворотной платформе ГГ4.32 (части XIII..XVI)
Блок плавающего положения стрелы
Кран
Предохранительный клапан
Односторонний гидрозамок
Парораспределитель
Гидрооборудование на ходовой раме
Гидрооборудование на ходовой раме (части I..V)
Гидрооборудование на ходовой раме (части VI..IX)
Пневмогидравлический клапан
Коллектор
Трубопроводы рабочего оборудования обратной лопаты
Трубопроводы рабочего оборудования обратной лопаты (части I..IV)
Гидроцилиндр
Гидроцилиндр
Оборудование прямого копания
Оборудование прямого копания (части I..IV)
Оборудование прямого копания (части V..VII)
Трубопроводы рабочего оборудования прямого копания
Трубопроводы рабочего оборудования грейфера
Удлинитель к грейферу
Трубопровод удлинителя
Ковш прямого копания емкостью 0,63 м. куб
Грейфер 0,5 м. куб
Рабочее оборудование обратной лопаты
Рабочее оборудование обратной лопаты (части I..IV)
Рабочее оборудование обратной лопаты (части V..VIII)
Одноковшовый пневмоколесный экскаватор с гидроприводом
1
2
3
4
5
6
7
7
8
9
10
11
12
13
14
15
15
16
17
18
18
19
20
20
21
22
23
24
25
26
27
28
29
30
31
32
33
34
35
36
37
38
39
Позиция на иллюстрации
Заводской номер детали
Название детали
Унифицированное сиденье для строительных
Унифицированное сиденье для строительных
Унифицированное сиденье для строительных и дорожных машин (части I..III)
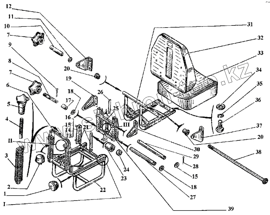
1
У7920.01.00.013
Заглушка
2
У7920.01.00.015
Упор
3
У7920.01.00.014
Пружина
4
У7920.01.00.012
Тяга
5
У7920.01.00.120
Ручка пружины
6
У7920.01.00.020-1
Рама
7
У 7920.01.00.130-1
Ручка
8
У7920.01.00.006-1
Палец резьбовой
9
397 3,2-20
Шплинт
10
У 7920.01.00.002-1
Втулка упорная
11
11371 12
Шайба
12
У7920.01.00.018-1
Кронштейн поворотный
13
7798 М10-25
Болт
14
5915 М10
Гайка
15
11371 10
Шайба
16
6402 10.65Г
Шайба
17
У7920.01.00.005-1
Втулка упорная
18
У7920.01.00.019-1
Шайба
19
У7920.01.00.017-1
Кронштейн опорный
20
У7920.01.00.016-1
Втулка
21
У7920.01.00.080
Кронштейн ролика
22
У7920.01.00.010
Основание
23
У7920.01.00.004
Ролик
24
У7920.01.00.008
Подпятник
25
У7920.01.00.030-1
Опора подвесная
26
У7920.01.00.043-1
Планка стопорная
27
9650 2-10h 11-50
Ось
28
397 2,5-20
Шплинт
29
9650 2101111-55
Ось
30
У7920.01.00.017-1-01
Кронштейн опорный
31
У7920.01.00.050-1
Рама подвижная
32
У7920.01.00.100-1
Спинка
33
У7920.01.00.110-1
Сиденье
34
11371 8
Шайба
35
6402 8.65Г
Шайба
36
7798 М8-20
Болт
37
У7920.01.00.018-1-01
Кронштейн поворотный
38
У 7920.01.00.070-1
Стержень стяжной
39
У7920.01.00.090Е
Амортизатор
Содержащиеся в справочниках-каталогах запасные части и детали не предлагаются к продаже, а носят исключительно информационный характер
Дополнительная информация
×
Название:
Номер:
Примечание: