Каталог запасных частей к технике: ТВЭКС ЭО-3323. Щиток приборов (Д-240Л)
1
2
2
2
2
3
3
3
3
4
5
5
6
6
6
6
7
8
9
10
10
10
11
12
13
13
14
15
16
17
17
18
19
20
21
22
23
24
25
26
27
28
29
29
30
31
32
33
34
35
36
37
38
39
40
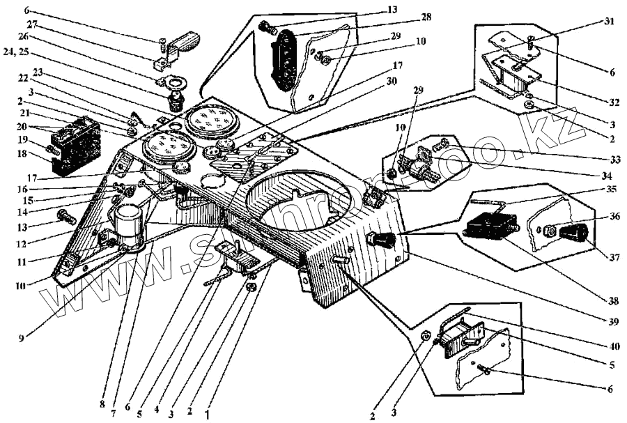
| Позиция на иллюстрации | Заводской номер детали | Название детали | |
|---|---|---|---|
| 1 | ЭО-3322А.12.20.100 | Перемычка | |
| 2 | 5916 М4 | Гайка | |
| 3 | 6402 4.65Г | Шайба | |
| 4 | ЭО-3323.07.02.170 | Провод | |
| 5 | П-57 | Переключатель | |
| 6 | 17473 М4-12 | Винт | |
| 7 | ЭО-3323.07.02.120 | Провод | |
| 8 | ЭО-3323.07.02.160 | Провод | |
| 9 | РС410В | Реле-прерыватель | |
| 10 | 5915 М6 | Гайка | |
| 11 | 11371 6 | Шайба | |
| 12 | ЭО-3323.07.02.160 | Провод | |
| 13 | 17473 М6-25 | Винт | |
| 14 | 5916 М5 | Гайка | |
| 15 | 6402 5.65 Г | Шайба | |
| 16 | Э-302-1-1602-04 | Провод щитка распределительного | |
| 17 | ПД20-Д | Фонарь контрольных ламп | |
| 18 | ПР11 | Блок предохранительный | |
| 19 | 17473 М5-16 | Винт | |
| 20 | ЭО-3323.07.02.104 | Перемычка | |
| 21 | Амперметр | Амперметр | |
| 22 | ПД20-Е | Фонарь контрольных ламп | |
| 23 | УК-133М | Указатель температуры | |
| 24 | 2023 А12-1 | Лампа | |
| 25 | ПП1-200 | Патрон лампы | |
| 26 | ЭО-3323.07.02.103 | Кронштейн лампы | |
| 27 | ЭО-3323.07.02.101 | Козырек | |
| 28 | ПС1-А2 | Панель соединительная | |
| 29 | 6402 6.65 Г | Шайба | |
| 30 | ЭО-3323.07.02.102 | Табличка-указатель | |
| 31 | Э-302-1-1602-05 | Провод щитка распределителя | |
| 32 | ВК-57 | Включатель | |
| 33 | 17473 М6-12 | Винт | |
| 34 | 3-302-1-1600-046 | Скоба | |
| 35 | ЭО-3323.07.02.170 | Провод | |
| 36 | ЭО-3322А .12.20.011 | Гайка | |
| 37 | ЭО-3322А.12.20.012 | Кнопка | |
| 38 | П305 | Переключатель | |
| 39 | ЭО-3323.07.02.110 | Каркас щитка | |
| 40 | ЭО-3323.07.02.140 | Провод |
Содержащиеся в справочниках-каталогах запасные части и детали не предлагаются к продаже, а носят исключительно информационный характер