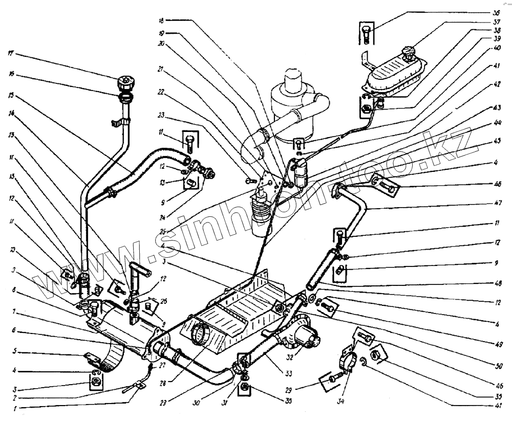
Каталог запасных частей к технике: ТВЭКС ЭО-3122. Установка подогревателя ПЖБ-200В
1
2
3
3
4
4
4
4
5
6
7
8
9
9
9
9
10
11
11
11
11
12
12
12
12
12
13
13
13
14
15
16
17
18
19
20
21
22
23
24
25
26
27
28
29
29
30
31
32
33
34
35
35
36
37
38
39
40
41
41
42
43
44
45
46
46
47
48
49
50
| Позиция на иллюстрации | Заводской номер детали | Название детали | |
|---|---|---|---|
| 1 | ЭО-3323.00.60.005 | Скоба | |
| 2 | ЭО-3323.00.60.070 | Трубка дренажная | |
| 3 | 5915.M8 | Гайка | |
| 4 | 6402.8.65Г | Шайба | |
| 5 | ЭО-3323.00.60.015 | Скоба | |
| 6 | ЭО-3322А.09.01.004 | Штуцер | |
| 7 | ПЖБ-200В-1015010 | Котел пускового подогревателя в сборе | |
| 8 | 7795.M8х40 | Болт | |
| 9 | ЭО-3322А 04.00.003 | Бонка | |
| 10 | 32-80-3 | Рукав | |
| 11 | ЭО-3322А.04.00.213 | Болт | |
| 12 | 11371.8 | Шайба | |
| 13 | A.04.31.005 | Хомут | |
| 14 | ЭО-3323.00.60.050 | Труба | |
| 15 | 32-520-3 | Рукав | |
| 16 | ЭО-3323.00.60.012 | Прокладка | |
| 17 | ЭО-3323.00.60.011 | Крышка | |
| 18 | 5915.М4 | Гайка | |
| 19 | 5402.4.65 Г | Шайба | |
| 20 | ПЖБ-200-1015425 | Переключатель с ручкой в сборе | |
| 21 | ЭО-3323.00.60.004 | Пульт | |
| 22 | П100-4050А | Выключатель свечи | |
| 23 | 17473.В1М1-8gх12 | Винт | |
| 24 | ЭО-3323.00.60.002 | Штуцер | |
| 25 | ОВ-65-2000 | Спираль контрольная в сборе | |
| 26 | 32-60-3 | Рукав | |
| 27 | ЭО-3323.00.60.014 | Штуцер | |
| 28 | ЭО-3323.00.60.030 | Кожух | |
| 29 | 17473.B1M6-8gх25 | Винт | |
| 30 | Э-302 1-3900-06 | Хомут | |
| 31 | 11371.6 | Шайба | |
| 32 | ПЖБ-300-1015200 | Вентилятор с заслонкой | |
| 33 | 45-240-3 | Рукав, деталь | |
| 34 | ЭО-3323.00.60.090 | Кронштейн | |
| 35 | 5915.M6 | Гайка | |
| 36 | 7808.М10х25 | Болт | |
| 37 | Т40М-1119010 | Установка бензобака | |
| 38 | 6402.10.65Г | Шайба | |
| 39 | 5915.M10 | Гайка | |
| 40 | 7805.М6х14 | Болт | |
| 41 | 6402.6.65Г | Шайба | |
| 42 | ЭМК-12 | Клапан электромагнитный в сборе | |
| 43 | ЭО-3323.00.60.100 | Жгут | |
| 44 | ЭО-3323.00.60.080 | Трубопровод | |
| 45 | ЭО-3323.00.60.003 | Прокладка | |
| 46 | 7808.M8х20 | Болт | |
| 47 | ЭО-3323.00.60.040 | Труба | |
| 48 | 32-240-3 | Рукав | |
| 49 | 7808.M8х16 | Болт | |
| 50 | ЭО-3323.00.60.000 | Установка подогревателя |
Содержащиеся в справочниках-каталогах запасные части и детали не предлагаются к продаже, а носят исключительно информационный характер