Каталог запасных частей к технике: ТВЭКС ЭО-3122. Установка отопителя
1
2
3
3
4
5
6
7
8
9
9
9
10
11
11
12
13
13
14
14
14
15
15
16
16
17
18
19
20
21
22
23
24
25
26
26
27
28
29
30
31
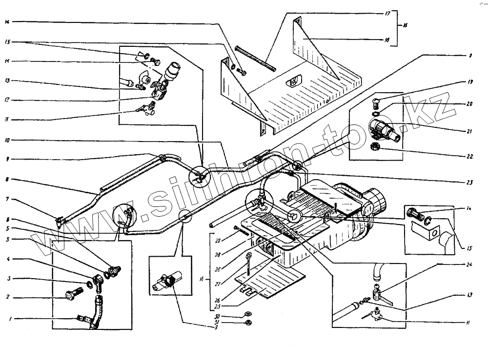
| Позиция на иллюстрации | Заводской номер детали | Название детали | |
|---|---|---|---|
| 1 | ЭО-3323.01.05.014 | Скоба | |
| 2 | ЭО-3323.01.05.012 | Болт поворотного угольника | |
| 3 | 23358.M18 | Прокладка | |
| 4 | ЭО-3323.01.05.013 | Угольник поворотный | |
| 5 | ЭО-3323.01.05.003 | Переходник | |
| 6 | 16698.БГ(111)-10-16-28-9 | Рукав, L=2300±15 | |
| 7 | Кр29-8101000 | Краник запорный отопителя | |
| 8 | 18698.ВГ(111)-10-16-23-9 | Рукав, L=1440±10 | |
| 9 | 3302-1600-14 | Хомутик | |
| 10 | 18698.ВГ(111)-10-16-28-9 | Рукав, L=1285±I0 | |
| 11 | Кр2-1305010 | Краник | |
| 12 | ЭО-3323.01.07.200 | Тройник | |
| 13 | ЭО-3322А.04.30.008 | Штуцер | |
| 14 | 7808.M10-8gx20 | Болт | |
| 15 | 6402.10.65Г | Шайба | |
| 16 | ЭО-3323.01.07.100 | Блок отопительный | |
| 17 | 81-8101017 | Палец | |
| 18 | ЭО-3323.01.07.110 | Кронштейн | |
| 19 | 17473.В1M6-8gx22 | Винт | |
| 20 | 11371.6 | Шайба | |
| 21 | Э-302-1-3900-07 | Хомут | |
| 22 | 5915. М6 | Гайка | |
| 23 | 18698.ВГ(112)-10-16-28-9 | Рукав, L=300±5 | |
| 24 | ЭО-3323.01.07.300 | Тройник | |
| 25 | ЭО-3322А.21.00.008 | Крышка | |
| 26 | 258038П29 | Шплинт | |
| 27 | 81-8101016 | Тяга | |
| 28 | 81-8101010 | Отопитель автомобильный | |
| 29 | 260043-П29 | Палец | |
| 30 | 11371.8 | Шайба | |
| 31 | 5915.М8 | Гайка |
Содержащиеся в справочниках-каталогах запасные части и детали не предлагаются к продаже, а носят исключительно информационный характер