Вернуться на главную
Поиск
Каталоги запчастей к технике
Спецтехника
ТВЭКС
ЭО-3122
Трубопроводы рабочего оборудования обратная лопата
Каталог запасных частей к технике: ТВЭКС ЭО-3122. Трубопроводы рабочего оборудования обратная лопата
zoom-in
zoom-out
enlarge
shrink
circle-right
circle-left
file-text2
info
cart
Тип техники
Не выбрано
Легковые автомобили
Грузовые автомобили и прицепы
Автобусы
Сельхозтехника
Спецтехника
Двигатели
Мототехника
Марка
Не выбрано
Ammann
BOMAG
CARMIX
CASE IH
Changlin
ChengGong
Dimex
Doosan
DYNAPAC
Foton
HAMM
Hidromek
Hitachi
Hyundai
JCB
JLG
John Deere
Komatsu
LIEBHERR
LiuGong
Lonking (LongGong)
Luneng
MANITOU
Mitsuber
New Holland
PENGPU
RM-Terex
SANY
SDLG
SEM
Shantui
Shehwa HBXG
Soosan
TIGARBO
VOGELE
Volvo
WAY
WIRTGEN
XCMG
XGMA
Xiamen
YTO
Yuchai
Zoomlion
Автокран
АЗСМ
Алтайлесмаш
Амкодор
АОМЗ
Атек
АТЗ
Балканкар Рекорд
БелАЗ
Беловеж
Борекс
Брянский Арсенал
Булат
ВЭКС
ГАЗ
Геомаш
Гидромаш
Донекс
Дормаш
Дормашина
Дорэлектромаш
ДЭЗ
ЕлАЗ
ЗЗГТ
Ижнефтемаш
Канаш-электрокар
КЗКТ
ККЗ
Клевер
Клинцовский автокрановый завод
КМЗ
КМЗ 1 Мая
Ковровец
Коммаш
Кранэкс
КЭЗ
КЭМЗ
ЛЗА
МАЗ
МЗИК
МЗКМ
МЗКТ
Михневский РМЗ
МоАЗ
Мозырский МЗ
МТЗ
ОЗП
Онежец
ПАО "ТЗА"
ППС Детва
Промтрактор
ПТЗ
Раскат
СпецАгрегат
ТВЭКС
ТТМ
УВЗ
Угличмаш
УЗТМ
ХТЗ
ЧЗКМ
ЧСДМ
ЧТЗ
ЭКСКО
ЭКСМАШ
ЮрМаш
Модель
Не выбрано
5846ТМ (ЕА17) (2010)
E145W (ЕК-14)
E145W (ЕК-14) (2005)
E185W (ЕК-18)
E185W (ЕК-18) (2005)
E185W (ЕК-18) (2008)
E225LC (2022)
E225NLC (2022)
TLB 825 (2016)
TLB 825 (2017)
TLB 825 (2019)
TLB 935 (2020)
TLB 935 (2021)
TVEX-140W (2015)
TVEX-180i (2015)
TVEX-180W (2015)
TX220LC (2019)
TX220NLC (2019)
WX200 (2019)
WХ-200 (2015)
WХ-200 (2017) (2017)
ВП-03 (2005)
ВП-05
ВП-05 (2015)
ВП-05 (2005) (2005)
ВП-05 (вариант) (2005)
Е200СН (2018)
Е245СН (2018)
ЕК-12 (2005)
ЕК-12 (2007) (2007)
ЕК-12 (2013) (2013)
ЕК-14-20 (2013)
ЕК-14-90 (2011)
ЕК-14-90 (2015)
ЕК-18-20 (2010)
ЕК-18-40 (2005)
ЕК-18-45-60 (2008)
ЕК-18-90 (2012)
ЕК-18-90 (2015)
ЕК-20-20 (2010)
ЕТ-16 (2005)
ЕТ-16-20 (2007)
ЕТ-18-20 (2005)
ЕТ-20-20 (2012)
ЕТ-25
ЕТ-25-20 (2007)
ЕТ-26i (2010)
ЕТ-26i (2015)
ТХ-210 (2015)
ТХ-210 (2017)
ТХ-220 (2017)
ТХ-270 / 300 (2017)
ТЭП-18 (2012)
ЭО-3122
ЭО-3323
ЭО-3323А (2002)
ЭО-3326 (2000)
ЭОВ-3521 (2007)
ЭОВ-3521М-1 (2007)
ЭОВ-3521М-1 (2017)
ЭОВ-3521М-1 (2017)
Схема
>
Не выбрано
Кабина
Кабина
Металлоконструкция кабины
Обшивка кабины
Установка стеклоочистителя
Кран запорно-регулировочный
Установка замка двери
Сиденье унифицированное
Сиденье унифицированное
Установка отопителя
Краник запорный отопителя
Вентиль крана
Установка табличек
Установка противосолнечного козырька
Капот
Установка силовая
Установка силовая
Установка подогревателя ПЖБ-200В
Топливопровод, управление подачей топлива дизеля
Бак топливный
Установка радиаторов и шторки
Установка радиаторов и шторки
Шторка
Установка насоса и муфты сцепления
Отводка в сборе
Управление муфтой сцепления
Управление муфтой сцепления
Цилиндр
Цилиндр
Установка разгрузочного устройства компрессора
Платформа поворотная с механизмами
Платформа поворотная с механизмами
Платформа поворотная с механизмами
Пневмоуправление на поворотной платформе
Пневмоуправление на поворотной платформе
Тележка гусеничная
Привод гусеницы левый
Редуктор
Редуктор
Привод гусеницы правый
Механизм хода экскаватора левый
Механизм хода экскаватора правый
Колесо направляющее с натяжным механизмом
Колесо направляющееSteering wheel
Гидроцилиндр
Ввод
Трубопроводы гусеничной тележки
Коллектор
Каток поддерживающий
Гусеница
Каток опорный
Опора
Управление экскаватором
Управление экскаватором
Управление экскаватором
Шланг
Управление плавающим положением стрелы
Гидроуправление экскаватором
Гидроуправление экскаватором
Гидроуправление экскаватором
Блок клапанов
Гидрораспределитель
Клапан предохранительный
Клапан предохранительный
Клапан предохранительный
Включатель манометра
Блок дистанционного гидроуправления
Блок дистанционного гидроуправления
Блок дистанционного гидроуправления
Гидроуправление экскаватором
Гидроуправление экскаватором
Блок клапанов
Гидрораспределитель
Клапан логических функций
Блок правый
Блок левый
Дверца съемная
Механизм поворота
Механизм поворота
Гидромотор
Механизм поворота экскаваторов
Механизм поворота экскаваторов
Модуль планетарный
Модуль планетарный
Электрооборудование
Электрооборудование
Электрооборудование
Электрооборудование
Установка аккумуляторов
Щиток приборов
Щиток приборов
Щиток приборов
Гидрооборудование на поворотной платформе
Гидрооборудование на поворотной платформе
Гидрооборудование на поворотной платформе
Установка гидрозамков
Гидрозамок
Установка гидрораспределителей
Гидрораспределитель
Золотник
Золотник
Гидрокрапан обратный
Гидролапан предохранительный
Кран
Бак гидравлический
Бак гидравлический
Заглушка
Установка маслоохладительная
Гидромотор
Насос ручной "Родник"Hand pump "RODNIC"
Фильтр магистральный
Гидрооборудование на поворотной платформе
Гидрооборудование на поворотной платформе
Гидрооборудование на поворотной платформе
Кран
Гидрораспределитель
Гидроцилиндр
Гидроцилиндр ковша (грейфера, прямой и обратной лопаты)
Рабочее оборудование обратная лопата
Рабочее оборудование обратная лопата
Рабочее оборудование обратная лопата
Трубопроводы рабочего оборудования обратная лопата
Трубопроводы рабочего оборудования обратная лопата
Рукоять удлиненная
Оборудование прямого копания
Оборудование прямого копания
Трубопроводы рабочего оборудования прямого копания
Ковш прямого копания емкостью 0,63 м куб.
Грейфер 0,5 куб. м
Трубопроводы рабочего оборудования грейфер
Удлинитель к грейферу
Трубопроводы удлинителя
Экскаватор одноковшовый 3-ей размерной группы гусеничный с гидравлическим приводом
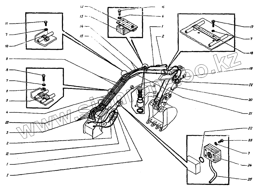
1
1
2
2
3
4
4
5
6
7
7
7
7
8
9
10
11
12
13
14
15
16
17
18
19
20
21
22
22
23
24
25
26
27
Позиция на иллюстрации
Заводской номер детали
Название детали
1
ЭО-3323.41.08.130
Трубопровод
2
ЭО-3323.41.06.090
Трубопровод
3
РВД25х1180-250У
Рукав
4
ЭО-3323.41.08.040
Трубопровод
5
ЭО-3323.41.08.004
Скоба
6
11371.12
Шайба
7
6402.12.65Г
Шайба
8
7808.М12х40
Болт
9
ЭО-3323.41.08.050
Трубопровод
10
ЭO-3323.41.08.001
Скоба
11
7808.М12х45
Болт
12
ЭО-3323.41.08.003
Планка
13
ЭО-3323.41.08.080
Фланец
14
РВД25х630-250У
Рукав
15
ЭО-3323.41.08.070
Трубопровод
16
7795.M12х65
Болт
17
7808.М12х25
Болт
18
ЭО-3323.41.08.170
Кронштейн
19
ЭО-3323.41.08.100
Трубопровод
20
ЭО-3323.41.08.110
Трубопровод
21
ЭО-3323.41.08.060
Трубопровод
22
9833.038-044-36-2-2
Кольцо
23
7793.М12х60
Болт
24
ЭO-3323.41.08.140
Фланец
25
ЭО-3323.41.08.120
Трубопровод
26
ЭО-3322А.25.10.003
Штуцер
27
23358.M42
Прокладка
Содержащиеся в справочниках-каталогах запасные части и детали не предлагаются к продаже, а носят исключительно информационный характер
Дополнительная информация
×
Название:
Номер:
Примечание: