Вернуться на главную
Поиск
Каталоги запчастей к технике
Спецтехника
ТВЭКС
ЕК-20-20
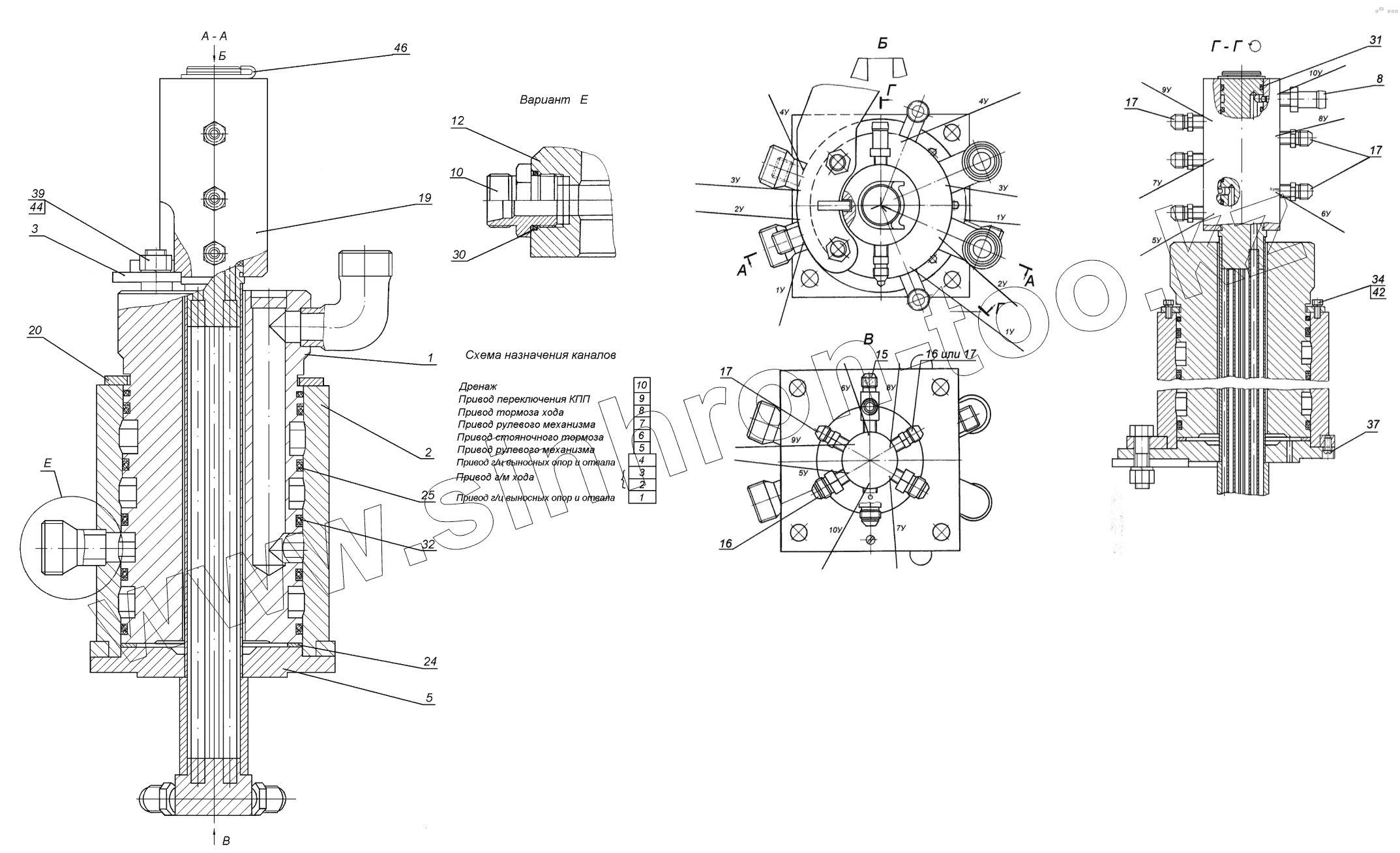
313-00-73.85.000 Коллектор
Каталог запасных частей к технике: ТВЭКС ЕК-20-20. 313-00-73.85.000 Коллектор
zoom-in
zoom-out
enlarge
shrink
circle-right
circle-left
file-text2
info
cart
Тип техники
Не выбрано
Легковые автомобили
Грузовые автомобили и прицепы
Автобусы
Сельхозтехника
Спецтехника
Двигатели
Мототехника
Марка
Не выбрано
Ammann
BOMAG
CARMIX
CASE IH
Changlin
ChengGong
Dimex
Doosan
DYNAPAC
Foton
HAMM
Hidromek
Hitachi
Hyundai
JCB
JLG
John Deere
Komatsu
LIEBHERR
LiuGong
Lonking (LongGong)
Luneng
MANITOU
Mitsuber
New Holland
PENGPU
RM-Terex
SANY
SDLG
SEM
Shantui
Shehwa HBXG
Soosan
TIGARBO
VOGELE
Volvo
WAY
WIRTGEN
XCMG
XGMA
Xiamen
YTO
Yuchai
Zoomlion
Автокран
АЗСМ
Алтайлесмаш
Амкодор
АОМЗ
Атек
АТЗ
Балканкар Рекорд
БелАЗ
Беловеж
Борекс
Брянский Арсенал
Булат
ВЭКС
ГАЗ
Геомаш
Гидромаш
Донекс
Дормаш
Дормашина
Дорэлектромаш
ДЭЗ
ЕлАЗ
ЗЗГТ
Ижнефтемаш
Канаш-электрокар
КЗКТ
ККЗ
Клевер
Клинцовский автокрановый завод
КМЗ
КМЗ 1 Мая
Ковровец
Коммаш
Кранэкс
КЭЗ
КЭМЗ
ЛЗА
МАЗ
МЗИК
МЗКМ
МЗКТ
Михневский РМЗ
МоАЗ
Мозырский МЗ
МТЗ
ОЗП
Онежец
ПАО "ТЗА"
ППС Детва
Промтрактор
ПТЗ
Раскат
СпецАгрегат
ТВЭКС
ТТМ
УВЗ
Угличмаш
УЗТМ
ХТЗ
ЧЗКМ
ЧСДМ
ЧТЗ
ЭКСКО
ЭКСМАШ
ЮрМаш
Модель
Не выбрано
5846ТМ (ЕА17) (2010)
E145W (ЕК-14)
E145W (ЕК-14) (2005)
E185W (ЕК-18)
E185W (ЕК-18) (2005)
E185W (ЕК-18) (2008)
E225LC (2022)
E225NLC (2022)
TLB 825 (2016)
TLB 825 (2017)
TLB 825 (2019)
TLB 935 (2020)
TLB 935 (2021)
TVEX-140W (2015)
TVEX-180i (2015)
TVEX-180W (2015)
TX220LC (2019)
TX220NLC (2019)
WX200 (2019)
WХ-200 (2015)
WХ-200 (2017) (2017)
ВП-03 (2005)
ВП-05
ВП-05 (2015)
ВП-05 (2005) (2005)
ВП-05 (вариант) (2005)
Е200СН (2018)
Е245СН (2018)
ЕК-12 (2005)
ЕК-12 (2007) (2007)
ЕК-12 (2013) (2013)
ЕК-14-20 (2013)
ЕК-14-90 (2011)
ЕК-14-90 (2015)
ЕК-18-20 (2010)
ЕК-18-40 (2005)
ЕК-18-45-60 (2008)
ЕК-18-90 (2012)
ЕК-18-90 (2015)
ЕК-20-20 (2010)
ЕТ-16 (2005)
ЕТ-16-20 (2007)
ЕТ-18-20 (2005)
ЕТ-20-20 (2012)
ЕТ-25
ЕТ-25-20 (2007)
ЕТ-26i (2010)
ЕТ-26i (2015)
ТХ-210 (2015)
ТХ-210 (2017)
ТХ-220 (2017)
ТХ-270 / 300 (2017)
ТЭП-18 (2012)
ЭО-3122
ЭО-3323
ЭО-3323А (2002)
ЭО-3326 (2000)
ЭОВ-3521 (2007)
ЭОВ-3521М-1 (2007)
ЭОВ-3521М-1 (2017)
ЭОВ-3521М-1 (2017)
Схема
>
Не выбрано
320-20-00.00.000-14 Экскаватор пневмоколесный гидравлический ЕК20-20
320-30-20.00.000 Платформа поворотная с механизмами
320-00-03.00.000-30 Установка силовая
320-00-03.07.000 Установка компрессора
320-00-03.08.000 Установка глушителя
320-00-03.09.000 Установка насоса
220-00-03.02.000-10 Установка радиаторов
220-00-03.03.000-40 Управление двигателем
220-00-03.05.000 Система питания
320-10-20.15.000 Установка противовеса
320-00-06.20.000 Установка топливного бака
320-20-80.00.000 Гидрооборудование на поворотной платформе
320-30-80.01.000 Трубопроводы на поворотной платформе
314-02-80.01.600 Клапан предохранительный
320-01-520.00 ГР Гидрораспределитель
520.20.20.000 Секция рабочая (ход)
520.20.50.000 Секция рабочая (опоры)
520.20.50.100 Секция рабочая (добавка хода/ гидромолот)
520.20.50.300 Секция рабочая (добавка рукояти)
520.20.51.000 Секция рабочая (поворот)
520.20.01.000 Клапан подпиточный
520.20.53.100 Секция рабочая (ковш)
520.20.53.200 Секция рабочая (рукоять)
520.20.53.400 Секция рабочая (стрела)
520.21.85.000 Секция напорно-сливная
520.21.75.000 Напорно-сливная секция
520.32.00.000-20 Блок клапанов “ИЛИ”
320-26-80.04.000-ХХ Гидроуправление на поворотной платформе
ЭО-3323А.07.21.010 Гидрораспределитель
ЭО-3323А.07.15.020 Клапан “ИЛИ”
312-04-80.04.200 Блок управления педальный
13.80.04.940 Блок управления
64002.10.000-10 Пневмогидроаккумулятор с гидроклапанами
64011.10.000-10 Блок гидроклапанов
320-30-80.06.000 Установка маслоохладительная
320-00-80.08.000 Бак гидравлический
312-40-86.90.000-37 Управление экскаватором
312-40-86.90.100 Колонка рулевая
312-40-86.90.200 Пульт левый (без электрооборудования)
312-40-86.90.400 Пульт правый (без электрооборудования)
312-40-86.90.500 Установка педали тормоза
312-40-87.26.000-10 Система отопления и вентиляции
312-40-88.26.000-10 Электрооборудование системы отопления и вентиляции
312-40-02.00.000-21 Кабина
312-40-02.30.000 Рамка верхняя
312-40-02.40.000 Дверь в сборе
312-20-02.42.000 Установка замков
312-20-02.50.000 Установка люка
312-40-02.60.000 Установка стекол
312-40-02.70.000 Установка противосолнечного козырька
312-40-02.80.000 Установка зеркала заднего вида
312-20-05.00.000 Установка стопора
320-10-07.00.000 Механизм поворота c гидромотором “Bosch-Rexroth”
320-00-22.20.000 Рабочее оборудование ЕК 20-20
320-00-22.80.000 Трубопроводы рабочего оборудования ЕК 20-20
320-00-22.24.000 Трубопроводы централизованной смазки
320-00.21.07.200 Ковш обратной лопаты (V=1,0 м3)
140-10-15.00.000-15 Гидроцилиндр рукояти
125-80-11.05.000-13 Гидроцилиндр стрелы
125-80-11.08.000-01 Гидроцилиндр ковша
320-00-50.00.000 Ход пневмоколесный
320-10-50.72.000 Гидрооборудование на ходовой раме
318-02-72.00.300, 318-02-72.00.300 Гидроцилиндр выносных опор (правый, левый)
ЭО-3323А.71.82.000-13 (125х80х400) Гидроцилиндр аутригеров
13.71.80.670-10, 13.71.80.680-10 Гидрозамок двухсторонний
3323А.71.80.300-10, ЭО-3323А.71.80.400-10 Гидроцилиндр поворота колес (правый, левый)
ЭО-3322Д.60.05.000 Клапан пневмогидравлический
313-00-73.85.000 Коллектор
320-00-88.60.000-10 Электросхема
1
2
3
5
8
15
16
16
17
17
17
17
19
20
24
25
31
32
34
37
39
42
44
46
Позиция на иллюстрации
Заводской номер детали
Название детали
1
313-00-73.85.200
Колонка сварная
2
313-00-73.85.100
Гильза сварная
3
ЭО-3323.20.85.300
Кронштейн
5
ЭО-3322.55.09.00
Цапфа в сборе
8
ЭО-3323.20.85.002
Штуцер
15
ЭО-3322А.09.60.003
Тройник
16
ЭО-3322А.11.00.004
Штуцер
17
ЭО-3322А.23.03.004
Штуцер
19
ЭО-3322.55.01.006
Корпус
20
ЭО-3322.55.01.007
Полукольцо
24
Э5015-02.1900-008
Шайба
25
Э5015-02.1900-013
Шайба защитная
31
037-045-46-1-2
Кольцо
32
130-140-58-2-3
Кольцо
34
M6-6gx16.58.016
Болт
37
B.M6-6gx12.58.016
Винт
39
М16-6Н.5.016
Гайка
42
6.65Г.016
Шайба
44
16.65Г.016
Шайба
46
МН-787-60
Шайба
Содержащиеся в справочниках-каталогах запасные части и детали не предлагаются к продаже, а носят исключительно информационный характер
Дополнительная информация
×
Название:
Номер:
Примечание: