Вернуться на главную
Поиск
Каталоги запчастей к технике
Спецтехника
ТВЭКС
ЕК-18-90
314-90-88.72.000 Электооборудование
Каталог запасных частей к технике: ТВЭКС ЕК-18-90. 314-90-88.72.000 Электооборудование
zoom-in
zoom-out
enlarge
shrink
circle-right
circle-left
file-text2
info
cart
Тип техники
Не выбрано
Легковые автомобили
Грузовые автомобили и прицепы
Автобусы
Сельхозтехника
Спецтехника
Двигатели
Мототехника
Марка
Не выбрано
Ammann
BOMAG
CARMIX
CASE IH
Changlin
ChengGong
Dimex
Doosan
DYNAPAC
Foton
HAMM
Hidromek
Hitachi
Hyundai
JCB
JLG
John Deere
Komatsu
LIEBHERR
LiuGong
Lonking (LongGong)
Luneng
MANITOU
Mitsuber
New Holland
PENGPU
RM-Terex
SANY
SDLG
SEM
Shantui
Shehwa HBXG
Soosan
TIGARBO
VOGELE
Volvo
WAY
WIRTGEN
XCMG
XGMA
Xiamen
YTO
Yuchai
Zoomlion
Автокран
АЗСМ
Алтайлесмаш
Амкодор
АОМЗ
Атек
АТЗ
Балканкар Рекорд
БелАЗ
Беловеж
Борекс
Брянский Арсенал
Булат
ВЭКС
ГАЗ
Геомаш
Гидромаш
Донекс
Дормаш
Дормашина
Дорэлектромаш
ДЭЗ
ЕлАЗ
ЗЗГТ
Ижнефтемаш
Канаш-электрокар
КЗКТ
ККЗ
Клевер
Клинцовский автокрановый завод
КМЗ
КМЗ 1 Мая
Ковровец
Коммаш
Кранэкс
КЭЗ
КЭМЗ
ЛЗА
МАЗ
МЗИК
МЗКМ
МЗКТ
Михневский РМЗ
МоАЗ
Мозырский МЗ
МТЗ
ОЗП
Онежец
ПАО "ТЗА"
ППС Детва
Промтрактор
ПТЗ
Раскат
СпецАгрегат
ТВЭКС
ТТМ
УВЗ
Угличмаш
УЗТМ
ХТЗ
ЧЗКМ
ЧСДМ
ЧТЗ
ЭКСКО
ЭКСМАШ
ЮрМаш
Модель
Не выбрано
5846ТМ (ЕА17) (2010)
E145W (ЕК-14)
E145W (ЕК-14) (2005)
E185W (ЕК-18)
E185W (ЕК-18) (2005)
E185W (ЕК-18) (2008)
E225LC (2022)
E225NLC (2022)
TLB 825 (2016)
TLB 825 (2017)
TLB 825 (2019)
TLB 935 (2020)
TLB 935 (2021)
TVEX-140W (2015)
TVEX-180i (2015)
TVEX-180W (2015)
TX220LC (2019)
TX220NLC (2019)
WX200 (2019)
WХ-200 (2015)
WХ-200 (2017) (2017)
ВП-03 (2005)
ВП-05
ВП-05 (2015)
ВП-05 (2005) (2005)
ВП-05 (вариант) (2005)
Е200СН (2018)
Е245СН (2018)
ЕК-12 (2005)
ЕК-12 (2007) (2007)
ЕК-12 (2013) (2013)
ЕК-14-20 (2013)
ЕК-14-90 (2011)
ЕК-14-90 (2015)
ЕК-18-20 (2010)
ЕК-18-40 (2005)
ЕК-18-45-60 (2008)
ЕК-18-90 (2012)
ЕК-18-90 (2015)
ЕК-20-20 (2010)
ЕТ-16 (2005)
ЕТ-16-20 (2007)
ЕТ-18-20 (2005)
ЕТ-20-20 (2012)
ЕТ-25
ЕТ-25-20 (2007)
ЕТ-26i (2010)
ЕТ-26i (2015)
ТХ-210 (2015)
ТХ-210 (2017)
ТХ-220 (2017)
ТХ-270 / 300 (2017)
ТЭП-18 (2012)
ЭО-3122
ЭО-3323
ЭО-3323А (2002)
ЭО-3326 (2000)
ЭОВ-3521 (2007)
ЭОВ-3521М-1 (2007)
ЭОВ-3521М-1 (2017)
ЭОВ-3521М-1 (2017)
Схема
>
Не выбрано
Базовое исполнение экскаватора ЕК 18-90
Перечень сборочных единиц
318-90-00.00.000 Экскаватор одноковшовый пневмоколесный ЕК18-90
318-90-00.00.000 Экскаватор одноковшовый пневмоколесный ЕК18-90
318-90-20.00.000 Платформа поворотная с механизмами
318-90-20.00.000 Платформа поворотная с механизмами
312-20-02.00.000-50 Кабина
312-20-02.00.000-50 Кабина
312-20-02.00.000-50 Кабина
312-20-02.00.000-50 Кабина
312-20-02.00.000-50 Кабина
312-20-02.30.000 Рамка верхняя
312-20-02.40.000 Дверь в сборе
312-20-02.42.000 Установка замков
312-20-02.50.000 Установка люка
314-22-04.00.000-10 Установка силовая
314-22-04.00.000-10 Установка силовая
314-22-04.00.000-10 Установка силовая
314-22-04.05.000 Установка радиаторов
314-22-04.05.000 Установка радиаторов
314-22-04.05.000 Установка радиаторов
314-22-04.06.000 Установка агрегата насосного
314-22-04.07.000 Установка воздухоочистителя
314-22-04.07.000 Установка воздухоочистителя
314-22-04.08.000-30 Установка глушителя
314-22-04.08.000-30 Установка глушителя
314-22-04.09.000 Управление двигателем
312-20-05.00.000 Установка стопора
314-20-06.40.000 Установка бака топливного
ЭО-3322Б.03.30.000-30 Механизм поворота
ЭО-3322Б.03.30.000-30 Механизм поворота
314-90-80.00.000-10 Гидрооборудование на поворотной платформе
314-90-80.01.000-10 Трубопроводы на поворотной платформе
314-90-80.01.000-10 Трубопроводы на поворотной платформе
402.90.00.030 Гидрораспределитель
18.15.01.010-10 Гидрораспределитель
314-90-80.04.000-10 Гидроуправление экскаватором
314-30-80.04.020 Клапан «ИЛИ»
13.80.04.940-10 Блок управления
64002.10.000-10 Пневмогидроаккумулятор с гидроклапанами
64011.10.000-10 Блок гидроклапанов
314-20-80.06.000 Установка маслоохладительная
314-90-80.08.000 Бак гидравлический
314-90-80.08.000 Бак гидравлический
318-90-21.00.000 Рабочее оборудование обратной лопаты
318-90-21.00.000 Рабочее оборудование обратной лопаты
318-14-22.07.100 Ковш обратной лопаты V=1м3
318-90-23.80.000 Трубопроводы рабочего оборудования
318-90-23.80.000 Трубопроводы рабочего оборудования
125-80-11.09.000 Гидроцилиндр ковша
318-00-21.91.000-13 Гидроцилиндр стрелы
125-90-14.03.000 Гидроцилиндр рукояти
314-23-81.00.000 Пневмооборудование на поворотной платформе
314-23-81.00.000 Пневмооборудование на поворотной платформе
312-20-86.90.000-10 Управление экскаватором
312-20-86.90.000-10 Управление экскаватором
312-20-86.90.000-10 Управление экскаватором
312-20-86.90.100 Колонка рулевая
312-20-86.90.100 Колонка рулевая
312-20-86.90.200-60 Пульт левый
312-20-86.90.400-70 Пульт правый
314-20-87.61.000 Установка отопителя и подогревателя
314-20-87.61.000 Установка отопителя и подогревателя
312-30-50.00.000-18 Ход пневмоколесный
312-30-50.00.000-18 Ход пневмоколесный
312-30-50.00.000-18 Ход пневмоколесный
312-30-50.00.000-18 Ход пневмоколесный
312-04-50.70.000 Установка отвала
314-02-70.40.000 Управление поворотом колес
ЕК-18.20.30.000 Мост приводной управляемый
ЕК-18.20.30.000 Мост приводной управляемый
ЕК-18.20.90.000 Мост приводной неуправляемый
ЕК-18.20.90.000 Мост приводной неуправляемый
ЭО-3323.20.31.000 Передача главная
314-30-72.00.000 Гидрооборудование на ходовой раме
314-30-72.00.000 Гидрооборудование на ходовой раме
312-04-71.00.300 Гидроцилиндр отвала правый
312-04-71.00.400 Гидроцилиндр отвала левый
318-02-72.00.300 Гидроцилиндр выносных опор (правый), 318-02-72.00.400 Гидроцилиндр выносных опор (левый)
ЭО-3323А.71.82.000-13 Гидроцилиндр
13.71.80.670-10, 13.71.80.680-10 Гидрозамок двухсторонний
314-02-71.00.450 Кран буксировочный
314-02-71.00.850 Коллектор центральный
314-02-71.00.850 Коллектор центральный
ЭО-3323А.71.80.300-10 Гидроцилиндр поворота колес (правый), ЭО-3323А.71.80.400-10 Гидроцилиндр поворота колес (левый)
318-30-72.51.000-10 Коробка перемены передач
318-30-72.51.000-10 Коробка перемены передач
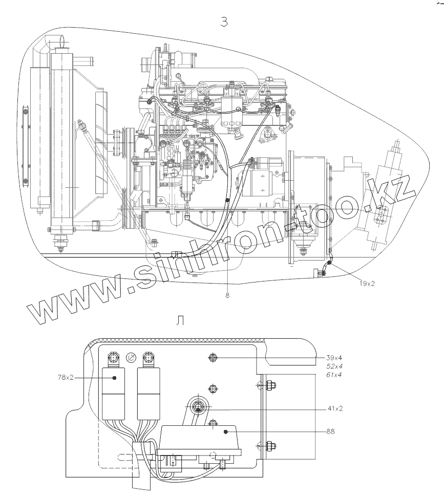
314-90-88.72.000 Электооборудование
314-90-88.72.000 Электооборудование
314-90-88.72.000 Электооборудование
314-90-88.72.000 Электооборудование
314-90-88.72.000 Электооборудование
19
39
41
52
61
78
88
Позиция на иллюстрации
Заводской номер детали
Название детали
1
314-90-88.72.100
Электооборудование кабины
6
314-20-88.68.070
Кронштейн
8
314-20-88.68.030
Жгут проводов
9
314-20-88.68.040
Жгут проводов
10
314-02-88.01.170
Жгут проводов прицепа
11
314-02-88.01.190
Провод стрелы
12
314-02-88.59.040
Жгут проводов
13
314-02-88.59.060
Жгут проводов
14
312-20-88.20.170
Провод
15
312-20-88.20.270
Провод
16
312-20-88.20.280
Провод
17
312-20-88.20.290
Провод
18
225-10-88.12.080
Провод
19
225-10-88.12.130
Провод
26
422-00-88.66.001
Кронштейн
27
320-00-88.60.002
Кожух
28
314-02-88.01.005
Переходник
30
040-01-88.35.004
Крышка аккумуляторов
31
040-01-88.35.005
Балка
32
040-01-88.35.006
Шпилька
34
003-03-88.31.005
Пластина 1Ф-1-ТМКЩ-С-2 ГОСТ 7338-90 30х100
35
26.00.70.008
Прокладка
36
13.06.20.002
Переходник
37
В1М4-6gх8.58.016
Винт
38
В1М4-6gх20.58.016
Винт
39
В1М5-6gх20.58.016
Винт
40
В1М6-6gх12.58.016
Винт
41
В1М6-6gх22.58.016
Винт
46
М8-6gх20.58.016
Болт
47
М8-6gх30.58.016
Болт
48
М10-6gх30.58.016
Болт
51
М4-6Н.5.016
Гайка
52
М5-6Н.5.016
Гайка
53
М6-6Н.5.016
Гайка
54
М8-6Н.5.016
Гайка
55
М10-6Н.5.016
Гайка
57
4.65Г.016
Шайба
58
6.65Г.016
Шайба
59
8.65Г.016
Шайба
60
10.65Г.019
Шайба
61
5.65Г.019
Шайба
62
А4.01.08кп.019
Шайба
63
А5.01.08кп.019
Шайба
64
А6.01.08кп.019
Шайба
65
А8.01.08кп.019
Шайба
66
А10.01.08кп.019
Шайба
69
6СТ-90
Аккумуляторная батарея
70
423.3711010
Фара
71
В26.3827
Датчик
72
ТМ-100В
Датчик
73
ММ358
Датчик
74
2602.3829
Датчик
75
8724..304/013
Фара рабочая
76
С314-01
Сигнал звуковой
77
738.3747-20
Реле
78
901.3747
Реле
79
1410.3737
Выключатель
80
111.3722
Блок предохранительный
81
25314
Кабельный хомут
82
ТМ111-02
Аварийный датчик температуры
83
УП115-В
Указатель поворота
84
УП101-В
Повторитель указателя поворота
85
УП115-Г
Указатель поворота задний
86
ФП116-В
Фонарь задний
87
ФП115-В
Фонарь задний
88
252.3763
Блок управления свечами накаливания
89
12.3717-02
Фонарь
90
4573739011
Колодка соединительная
91
4573739012
Колодка соединительная
92
ФП310Е
Световозвращатель
93
АКГ24-75+70
Лампа
94
АМН24-4
Лампа
95
4573739003
Колодка соединительная
96
4573739004
Колодка соединительная
99
Труба12х1
Труба
101
Р3-Ц-Х-Ш-15
Металлорукав
Содержащиеся в справочниках-каталогах запасные части и детали не предлагаются к продаже, а носят исключительно информационный характер
Дополнительная информация
×
Название:
Номер:
Примечание: