Вернуться на главную
Поиск
Каталоги запчастей к технике
Спецтехника
ТВЭКС
ЕК-14-90
314-20-80.06.000 Установка маслоохладительная
Каталог запасных частей к технике: ТВЭКС ЕК-14-90. 314-20-80.06.000 Установка маслоохладительная
zoom-in
zoom-out
enlarge
shrink
circle-right
circle-left
file-text2
info
cart
Тип техники
Не выбрано
Легковые автомобили
Грузовые автомобили и прицепы
Автобусы
Сельхозтехника
Спецтехника
Двигатели
Мототехника
Марка
Не выбрано
Ammann
BOMAG
CARMIX
CASE IH
Changlin
ChengGong
Dimex
Doosan
DYNAPAC
Foton
HAMM
Hidromek
Hitachi
Hyundai
JCB
JLG
John Deere
Komatsu
LIEBHERR
LiuGong
Lonking (LongGong)
Luneng
MANITOU
Mitsuber
New Holland
PENGPU
RM-Terex
SANY
SDLG
SEM
Shantui
Shehwa HBXG
Soosan
TIGARBO
VOGELE
Volvo
WAY
WIRTGEN
XCMG
XGMA
Xiamen
YTO
Yuchai
Zoomlion
Автокран
АЗСМ
Алтайлесмаш
Амкодор
АОМЗ
Атек
АТЗ
Балканкар Рекорд
БелАЗ
Беловеж
Борекс
Брянский Арсенал
Булат
ВЭКС
ГАЗ
Геомаш
Гидромаш
Донекс
Дормаш
Дормашина
Дорэлектромаш
ДЭЗ
ЕлАЗ
ЗЗГТ
Ижнефтемаш
Канаш-электрокар
КЗКТ
ККЗ
Клевер
Клинцовский автокрановый завод
КМЗ
КМЗ 1 Мая
Ковровец
Коммаш
Кранэкс
КЭЗ
КЭМЗ
ЛЗА
МАЗ
МЗИК
МЗКМ
МЗКТ
Михневский РМЗ
МоАЗ
Мозырский МЗ
МТЗ
ОЗП
Онежец
ПАО "ТЗА"
ППС Детва
Промтрактор
ПТЗ
Раскат
СпецАгрегат
ТВЭКС
ТТМ
УВЗ
Угличмаш
УЗТМ
ХТЗ
ЧЗКМ
ЧСДМ
ЧТЗ
ЭКСКО
ЭКСМАШ
ЮрМаш
Модель
Не выбрано
5846ТМ (ЕА17) (2010)
E145W (ЕК-14)
E145W (ЕК-14) (2005)
E185W (ЕК-18)
E185W (ЕК-18) (2005)
E185W (ЕК-18) (2008)
E225LC (2022)
E225NLC (2022)
TLB 825 (2016)
TLB 825 (2017)
TLB 825 (2019)
TLB 935 (2020)
TLB 935 (2021)
TVEX-140W (2015)
TVEX-180i (2015)
TVEX-180W (2015)
TX220LC (2019)
TX220NLC (2019)
WX200 (2019)
WХ-200 (2015)
WХ-200 (2017) (2017)
ВП-03 (2005)
ВП-05
ВП-05 (2015)
ВП-05 (2005) (2005)
ВП-05 (вариант) (2005)
Е200СН (2018)
Е245СН (2018)
ЕК-12 (2005)
ЕК-12 (2007) (2007)
ЕК-12 (2013) (2013)
ЕК-14-20 (2013)
ЕК-14-90 (2011)
ЕК-14-90 (2015)
ЕК-18-20 (2010)
ЕК-18-40 (2005)
ЕК-18-45-60 (2008)
ЕК-18-90 (2012)
ЕК-18-90 (2015)
ЕК-20-20 (2010)
ЕТ-16 (2005)
ЕТ-16-20 (2007)
ЕТ-18-20 (2005)
ЕТ-20-20 (2012)
ЕТ-25
ЕТ-25-20 (2007)
ЕТ-26i (2010)
ЕТ-26i (2015)
ТХ-210 (2015)
ТХ-210 (2017)
ТХ-220 (2017)
ТХ-270 / 300 (2017)
ТЭП-18 (2012)
ЭО-3122
ЭО-3323
ЭО-3323А (2002)
ЭО-3326 (2000)
ЭОВ-3521 (2007)
ЭОВ-3521М-1 (2007)
ЭОВ-3521М-1 (2017)
ЭОВ-3521М-1 (2017)
Схема
>
Не выбрано
314-90-00.00.000 Экскаватор пневмоколесный гидравлический ЕК14-90
314-90-20.00.000 Платформа поворотная с механизмами
312-20-02.00.000-50 Кабина
312-20-02.30.000 Рамка верхняя
312-20-02.40.000 Дверь в сборе
312-20-02.42.000 Установка замков
312-20-02.50.000 Установка люка
314-20-87.61.000 Установка отопителя и подогревателя
314-22-04.00.000-10 Установка силовая
314-22-04.05.000 Установка радиаторов
314-22-04.06.000 Установка агрегата насосного
314-22-04.07.000 Установка воздухоочистителя
314-22-04.08.000 Установка глушителя
314-22-04.09.000 Управление двигателем
312-20-05.00.000 Установка стопора
314-20-06.40.000 Установка бака топливного
314-30-72.51.000 Коробка перемены передач
ЕК-18.20.30.000 Мост приводной управляемый
ЕК-18.20.90.000 Мост приводной неуправляемый
ЭО-3323.20.31.000 Передача главная
312-30-50.00.000-14 Ход пневмоколесный
ЕК-14.07.00.000-32 Механизм поворота
314-90-80.00.000 Гидрооборудование на поворотной платформе
314-90-80.01.000 Трубопроводы на поворотной платформе
402.90.00.030 Гидрораспределитель
18.15.01.010-10 Гидрораспределитель
314-90-80.04.000 Гидроуправление экскаватором
314-30-80.04.020 Клапан «ИЛИ»
13.80.04.940 Блок управления
64002.10.000-10 Пневмогидроаккумулятор с гидроклапанами
64011.10.000-10 Блок гидроклапанов
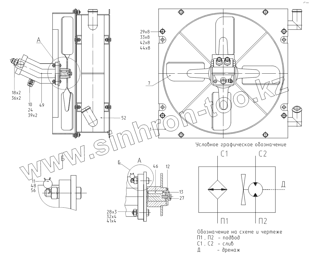
314-20-80.06.000 Установка маслоохладительная
314-90-80.08.000 Бак гидравлический
314-30-72.00.000 Гидрооборудование на ходовой раме
312-04-71.00.300, 312-04-71.00.400 Гидроцилиндр отвала правый (левый)
318-02-72.00.300, 318-02-72.00.400 Гидроцилиндр выносных опор правый (левый)
ЭО-3323А.71.82.000-13 Гидроцилиндр
13.71.80.670-10, 13.71.80.680-10 Гидрозамок двухсторонний
314-02-71.00.450 Кран буксировочный
314-02-71.00.850 Коллектор центральный
ЭО-3323А.71.80.300-10, ЭО-3323А.71.80.400-10 Гидроцилиндр поворота колес правый (левый)
314-90-23.00.000 Рабочее оборудование обратной лопаты
314-03-23.21.100 Ковш обратной лопаты V=0,8 м куб.
314-90-23.80.000 Трубопроводы рабочего оборудования
110-70-09.01.000 Гидроцилиндр ковша
313-00-23.95.000-13 Гидроцилиндр стрелы
125-90-11.02.000 Гидроцилиндр рукояти
314-23-81.00.000 Пневмооборудование на поворотной платформе
312-04-50.70.000 Установка отвала
312-20-86.90.000-10 Управление экскаватором
312-20-86.90.100 Колонка рулевая
312-20-86.90.200-60 Пульт левый
312-20-86.90.400-70 Пульт правый
314-02-70.40.000 Управление поворотом колес
314-90-88.72.000 Электооборудование
1
7
10
11
12
13
18
24
27
28
29
32
33
36
39
41
42
44
46
48
49
52
56
Позиция на иллюстрации
Заводской номер детали
Название детали
1
314-20-80.06.010
Диффузор
7
ЭО-3322А.02.04.200
Крыльчатка
10
003-50-80.04.010-10
Втулка
11
314-20-80.06.102
Болт
12
313-00-80.06.002
Шайба
13
313-00-80.06.003
Шайба
18
ЭО-3323.07.13.005
Штуцер
24
003-50-80.04.001
Болт
27
М6-6gх14.58.016
Болт
28
М8-6gх30.58.016
Болт
29
М10-6gх25.58.016
Болт
32
М8-6Н.5.016
Гайка
33
М10-6Н.5.016
Гайка
36
018-022-25-2-3
Кольцо
39
12М3
Прокладка
41
8.65Г.016
Шайба
42
10.65Г.016
Шайба
44
С10.01.08кп.019
Шайба
46
2-6х6х32
Шпонка
48
10/6.5
Пломба
49
310.12.01.03
Гидромотор
52
КМ313-00-80.06.700-10
Калорифер
56
1-О-С
Проволока
Содержащиеся в справочниках-каталогах запасные части и детали не предлагаются к продаже, а носят исключительно информационный характер
Дополнительная информация
×
Название:
Номер:
Примечание: