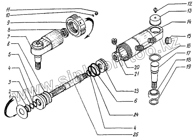
Каталог запасных частей к технике: ТВЭКС ЕК-12. Цилиндр поворота колес левый
1
2
3
4
4
5
6
6
7
8
9
10
11
12
13
14
14
15
15
16
17
18
19
20
21
23
24
25
| Позиция на иллюстрации | Заводской номер детали | Название детали | |
|---|---|---|---|
| 1 | ЭО-3323А.71.80.106 | Шайба | |
| 2 | Э-302-2-0000-06 | Грязесъемнпк | |
| 3 | ЭО-3323А.71.80.112 | Шайба защитная | |
| 4 | 9833.030-035-30-2-3 | Кольцо | |
| 5 | ЭО-3323А.71.80.111 | Крышка | |
| 6 | 9833.055-060-30-2-3 | Кольцо | |
| 7 | ЭО-3323А.71.80.114 | Наконечник | |
| 8 | ЭО-3323А.71.80.113 | Гайка | |
| 9 | ЭО-3323А.71.80.104 | Гайка | |
| 10 | 495.ДПРНМ.М3 | Лист 1,5х600х1500 | |
| 11 | ЭО-3323.20.30.509 | Винт | |
| 12 | 19853.1.3Ц6хр | Масленка | |
| 13 | ЭО-3322Б.64.02.301 | Крышка | |
| 14 | ЭО-3323.71.80.450-20 | Цилиндр | |
| 14 | ЭО-3323.71.80.350-20 | Цилиндр | |
| 15 | В24 | Заглушка | |
| 15 | Н-М22х1,5 | Заглушка | |
| 16 | 13941.2В55 | Кольцо | |
| 17 | ЭО-3322Б.70.50.103 | Палец | |
| 18 | 3635.ШС35 | Подшипник | |
| 19 | ЭО-3322А.68.00.005 | Кольцо упорное | |
| 20 | 1476.ВМ8-6gх8.14Н.019 | Винт | |
| 21 | ЭО-3323А.71.80.301 | Гайка | |
| 23 | 060-40-03.00.006 | Поршень | |
| 24 | ЭО-3323А.71.80.109 | Кольцо защитное | |
| 25 | ЭО-3323А.71.80.505 | Шток |
Содержащиеся в справочниках-каталогах запасные части и детали не предлагаются к продаже, а носят исключительно информационный характер