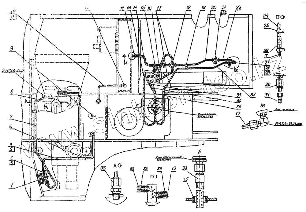
Каталог запасных частей к технике: ТВЭКС ЕК-12. Пневмоуправление на поворотной платформе
1
2
3
4
5
6
7
7
8
9
10
11
11
12
13
13
14
15
16
17
17
18
19
20
21
22
23
24
25
26
27
28
29
30
31
32
33
33
33
33
33
34
34
35
36
| Позиция на иллюстрации | Заводской номер детали | Название детали | |
|---|---|---|---|
| 1 | 100-3512010 | Регулятор давления | |
| 2 | ЭО-3322А.66.01.005 | Штуцер | |
| 3 | 23358.22М3 | Прокладка | |
| 4 | 312-04-81.10.080 | Трубопровод | |
| 5 | ЭО-3322А.23.02.002 | Штуцер | |
| 6 | ЭО-3322В.47.20.002 | Хомут | |
| 7 | 312-04-81.10.060 | Трубопровод | |
| 8 | 13.01.91.110 | Трубопровод | |
| 9 | ГОСТ 37.001.240-81 ПС-7 | Кран сливной | |
| 10 | 312-04-81.10.010 | Трубопровод | |
| 11 | ЭО-3322А.09.30.001 | Штуцер | |
| 12 | ЭО-3322А.24.03.003 | Угольник | |
| 13 | 312-04-81.10.100 | Шланг | |
| 14 | 312-04-81.10.090 | Шланг | |
| 15 | ЭО-3322А.24.01.004 | Тройник | |
| 16 | 312-04-81.10.040 | Трубопровод | |
| 17 | 312-04-81.10.110 | Шланг | |
| 18 | ЭО-3323А.07.21.003 | Крестовина | |
| 19 | Э302-1-2200-06 | Скоба | |
| 20 | 312-04-81.10.020 | Трубопровод | |
| 21 | ЭО-3322А.23.03.006 | Тройник | |
| 22 | 18.3829 | Датчик | |
| 23 | 312-04-81.10.030 | Трубопровод | |
| 24 | 13.01.91.110 | Трубопровод | |
| 25 | ЭО-3323.01.90.005 | Хомут | |
| 26 | 312-04-81.10.001 | Рукав 12х20-1,6В ГОСТ 10362-76 L=110+/-5 мм | |
| 27 | 005-04-81.10.001 | Тройник | |
| 28 | 23358.12М3 | Прокладка | |
| 29 | 2802.3829010 | Датчик | |
| 30 | 13.01.91.250 | Кран отбора воздуха | |
| 31 | ЭО-3322А.09.30.800 | Шланг для накачивания шин | |
| 32 | 312-04-81.10.050 | Трубопровод | |
| 33 | 312-04-81.10.130 | Шланг | |
| 34 | 312-04-81.10.120 | Шланг | |
| 35 | Э302-1-1200-40 | Втулка предохранительная | |
| 36 | Э302Б-1-6150-03 | Штуцер |
Содержащиеся в справочниках-каталогах запасные части и детали не предлагаются к продаже, а носят исключительно информационный характер