Каталог запасных частей к технике: ТВЭКС ЕК-12. Платформа поворотная с механизмами
1
2
3
4
5
6
7
8
9
10
11
12
13
14
15
15
16
17
18
19
20
21
22
23
24
25
26
27
28
29
30
31
32
33
34
35
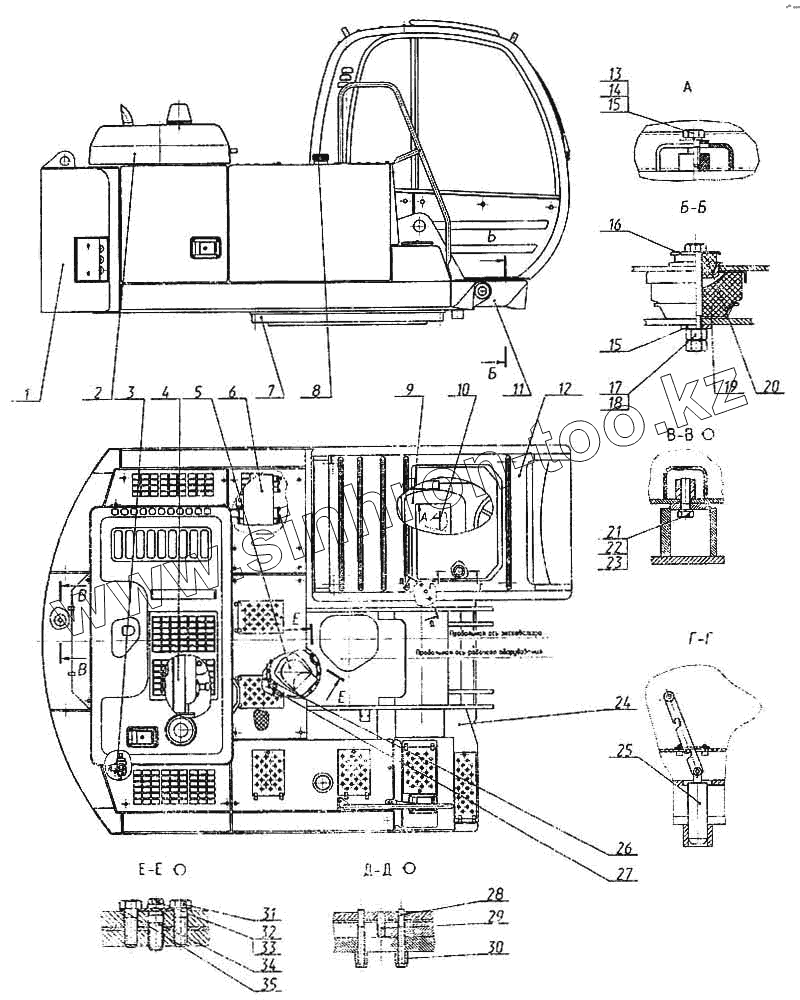
| Позиция на иллюстрации | Заводской номер детали | Название детали | |
|---|---|---|---|
| 1 | 312-20-20.15.000-10 | Противовес | |
| 2 | 312-20-11.00.000 | Капот | |
| 3 | 312-04-81.10.000 | Пневмоуправление на поворотной платформе | |
| 4 | 312-04-03.51.000 | Установка силовая | |
| 5 | 312-04-07.00.000 | Механизм поворота | |
| 6 | 312-04-80.00.000 | Гидрооборудование на поворотной платформе | |
| 7 | 1250-01-10.24.00 | Опора поворотная роликовая | |
| 8 | 312-04-06.00.000 | Бак топливный | |
| 9 | 312-20-86.90.000 | Управление экскаватором | |
| 10 | 312-20-87.17.000 | Установка отопителя | |
| 11 | 312-20-06.00.000 | Установка фарных блоков и щитов | |
| 12 | 312-20-02.00.000 | Кабина | |
| 13 | 7798 | Болт М16-8gх35.58.019 | |
| 14 | 6402 | Шайба 16.65Г.05 | |
| 15 | 005-04-04.00.010 | Шайба | |
| 16 | 005-04-04.00.009 | Крышка | |
| 17 | 7798 | Болт М16-8gх35.58.019 | |
| 18 | 5915 | Гайка М16-7Н.5.019 | |
| 19 | 005-04-04.00.007 | Амортизатор | |
| 20 | 005-04-04.00.008 | Амортизатор | |
| 21 | 7798 | Болт М16-8gх35.58.019 | |
| 22 | 6402 | Шайба 16.65Г.05 | |
| 23 | 222-00-20.001 | Шайба | |
| 24 | 312-20-01.00.000 | Платформа поворотная | |
| 25 | 312-20-05.00.000 | Установка стопора | |
| 26 | 312-04-20.00.003 | Штифт | |
| 27 | 312-04-20.00.001 | Штифт | |
| 28 | 7798 | Болт М16-8gх35.58.019 | |
| 29 | 312-04-20.00.002 | Штифт | |
| 30 | 312-04-20.00.006 | Втулка | |
| 31 | 7798 | Болт М16-8gх35.58.019 | |
| 32 | 7798 | Болт М16-8gх35.58.019 | |
| 33 | 11371.10.01.08кп.019 | Шайба | |
| 34 | 312-04-20.00.004 | Штифт | |
| 35 | 312-04-20.00.005 | Накладка | |
| 36 | 312-20-87.18.000 | Установка подогревателя |
Содержащиеся в справочниках-каталогах запасные части и детали не предлагаются к продаже, а носят исключительно информационный характер