Вернуться на главную
Поиск
Каталоги запчастей к технике
Спецтехника
ТВЭКС
E225NLC
202250000000 00 Подключение отопителя
Каталог запасных частей к технике: ТВЭКС E225NLC. 202250000000 00 Подключение отопителя
zoom-in
zoom-out
enlarge
shrink
circle-right
circle-left
file-text2
info
cart
Тип техники
Не выбрано
Легковые автомобили
Грузовые автомобили и прицепы
Автобусы
Сельхозтехника
Спецтехника
Двигатели
Мототехника
Марка
Не выбрано
Ammann
BOMAG
CARMIX
CASE IH
Changlin
ChengGong
Dimex
Doosan
DYNAPAC
Foton
HAMM
Hidromek
Hitachi
Hyundai
JCB
JLG
John Deere
Komatsu
LIEBHERR
LiuGong
Lonking (LongGong)
Luneng
MANITOU
Mitsuber
New Holland
PENGPU
RM-Terex
SANY
SDLG
SEM
Shantui
Shehwa HBXG
Soosan
TIGARBO
VOGELE
Volvo
WAY
WIRTGEN
XCMG
XGMA
Xiamen
YTO
Yuchai
Zoomlion
Автокран
АЗСМ
Алтайлесмаш
Амкодор
АОМЗ
Атек
АТЗ
Балканкар Рекорд
БелАЗ
Беловеж
Борекс
Брянский Арсенал
Булат
ВЭКС
ГАЗ
Геомаш
Гидромаш
Донекс
Дормаш
Дормашина
Дорэлектромаш
ДЭЗ
ЕлАЗ
ЗЗГТ
Ижнефтемаш
Канаш-электрокар
КЗКТ
ККЗ
Клевер
Клинцовский автокрановый завод
КМЗ
КМЗ 1 Мая
Ковровец
Коммаш
Кранэкс
КЭЗ
КЭМЗ
ЛЗА
МАЗ
МЗИК
МЗКМ
МЗКТ
Михневский РМЗ
МоАЗ
Мозырский МЗ
МТЗ
ОЗП
Онежец
ПАО "ТЗА"
ППС Детва
Промтрактор
ПТЗ
Раскат
СпецАгрегат
ТВЭКС
ТТМ
УВЗ
Угличмаш
УЗТМ
ХТЗ
ЧЗКМ
ЧСДМ
ЧТЗ
ЭКСКО
ЭКСМАШ
ЮрМаш
Модель
Не выбрано
5846ТМ (ЕА17) (2010)
E145W (ЕК-14)
E145W (ЕК-14) (2005)
E185W (ЕК-18)
E185W (ЕК-18) (2005)
E185W (ЕК-18) (2008)
E225LC (2022)
E225NLC (2022)
TLB 825 (2016)
TLB 825 (2017)
TLB 825 (2019)
TLB 935 (2020)
TLB 935 (2021)
TVEX-140W (2015)
TVEX-180i (2015)
TVEX-180W (2015)
TX220LC (2019)
TX220NLC (2019)
WX200 (2019)
WХ-200 (2015)
WХ-200 (2017) (2017)
ВП-03 (2005)
ВП-05
ВП-05 (2015)
ВП-05 (2005) (2005)
ВП-05 (вариант) (2005)
Е200СН (2018)
Е245СН (2018)
ЕК-12 (2005)
ЕК-12 (2007) (2007)
ЕК-12 (2013) (2013)
ЕК-14-20 (2013)
ЕК-14-90 (2011)
ЕК-14-90 (2015)
ЕК-18-20 (2010)
ЕК-18-40 (2005)
ЕК-18-45-60 (2008)
ЕК-18-90 (2012)
ЕК-18-90 (2015)
ЕК-20-20 (2010)
ЕТ-16 (2005)
ЕТ-16-20 (2007)
ЕТ-18-20 (2005)
ЕТ-20-20 (2012)
ЕТ-25
ЕТ-25-20 (2007)
ЕТ-26i (2010)
ЕТ-26i (2015)
ТХ-210 (2015)
ТХ-210 (2017)
ТХ-220 (2017)
ТХ-270 / 300 (2017)
ТЭП-18 (2012)
ЭО-3122
ЭО-3323
ЭО-3323А (2002)
ЭО-3326 (2000)
ЭОВ-3521 (2007)
ЭОВ-3521М-1 (2007)
ЭОВ-3521М-1 (2017)
ЭОВ-3521М-1 (2017)
Схема
>
Не выбрано
Перечень сборочных единиц
225ХХХХХХХХХ ХХ- Экскаватор одноковшовый гусеничный гидравлический
211000000000 ХХ Ходовая тележка в сборе (ТВЭКС)
211000000000 ХХ Ходовая тележка в сборе (ТВЭКС)
211030000000 00 Гидрооборудование тележки (устанавливается марки «Bosch-Rexroth»), 211030000000 10 Гидрооборудование тележки (устанавливается марки Sungbo)
222-00-60.00.000-10 Ходовая тележка (ЭКСМАШ)
222-00-60.00.000-10 Ходовая тележка (ЭКСМАШ)
222-00-60.00.000-10 Ходовая тележка (ЭКСМАШ)
222-00-60.00.000-10 Ходовая тележка (ЭКСМАШ)
222-00-60.00.000-10 Ходовая тележка (ЭКСМАШ)
222-00-61.00.000 Гидрооборудование тележки гусеничной
222-00-61.00.000 Гидрооборудование тележки гусеничной
211040000000 ХХ Установка приводов хода
201010200000 00 Установка ОПУ
212000000000 ХХ Платформа поворотная с механизмами
212000000000 ХХ Платформа поворотная с механизмами
202000000100 00 Установка стопора
202020000000 00 Установка кабины
202020200000 00 Установка интерьера кабины
202020300000 00 Установка верхней решетки
202020100000 00 Кабина в сборе
202020100000 00 Кабина в сборе
202020100000 00 Кабина в сборе
202020100000 00 Кабина в сборе
202020100000 00 Кабина в сборе
202020100000 00 Кабина в сборе
202020100000 00 Кабина в сборе
202020120000 00 Дверь в сборе
202020130000 00 Установка передней рамки
202020131000 00 Рамка передняя
202020140000 00 Дверца задняя в сборе
202020150000 00 Форточка задняя
202020100500 00 Установка фиксатора двери
202020100600 00 Установка нижнего стекла
Пост управления экскаватором
Пост управления экскаватором
Пост управления экскаватором
225.03.03.00.000-25 Установка пультов
225.03.03.00.000-25 Установка пультов
225.03.03.00.000-25 Установка пультов
202030300000 00 Установка климатической системы
001426220100 00 Регулятор воздуха
202130000000 00 Установка стеклоочистителя
202130000000 00 Установка стеклоочистителя
206000000000 01 Установка аудиосистемы
206000000000 08 Установка камеры заднего вида и фары на противовес
202170000000 00 Установка зеркал с подогревом
202180000000 00 Установка опор кабины
202200000000 01 Установка сиденья оператора
225-05-42.21.000 Гидроуправление экскаватора
225-05-42.21.000 Гидроуправление экскаватора
225-05-42.21.000 Гидроуправление экскаватора
225-05-30.30.000-01 Электроуправление в кабине
202040000000 10 Установка баков
202040100000 00 Бак топливный
202040200000 10 Бак гидравлический
202050000000 00 Установка противовеса
202070000000 ХХ Установка механизма поворота
225-05-40.00.000-10 Гидрооборудование на поворотной платформе
225-05-41.00.000-10 Трубопроводы на поворотной платформе
225-05-41.50.000 Трубопроводы блока радиаторов
225-05-42.20.000 Гидроуправление на поворотной платформе
202090000000 01 Электрооборудование на поворотной платформе
Установка АКБ
Кронштейн реле на бак
Подсветка номерного знака
Плафон капота
Сигнал
Жгуты поворотной платформы
202110000000 01 Установка кондицонера
202110100000 00 Установка конденсатора
225-05-28.00.000 Установка силовая ЯМЗ 536
225-05-28.00.000 Установка силовая ЯМЗ 536
225-05-28.00.000 Установка силовая ЯМЗ 536
225-05-28.01.000-01 Установка глушителя
225-05-28.01.000-01 Установка глушителя
225-05-28.01.000-01 Установка глушителя
225-05-28.02.000-10 Установка агрегата насосного
202.12.10.02.000-20 Установка радиатора
202.12.10.02.000-20 Установка радиатора
202.12.10.02.000-20 Установка радиатора
202.12.10.02.000-20 Установка радиатора
202.12.10.06.000 Установка воздухоочистителя
202.12.10.06.000 Установка воздухоочистителя
202130000000 01 Установка поддонов
202190000000 00 Установка ступени
202064000000 00 Установка капота
202064000000 00 Установка капота
202064000000 00 Установка капота
202064000000 00 Установка капота
202064000000 00 Установка капота
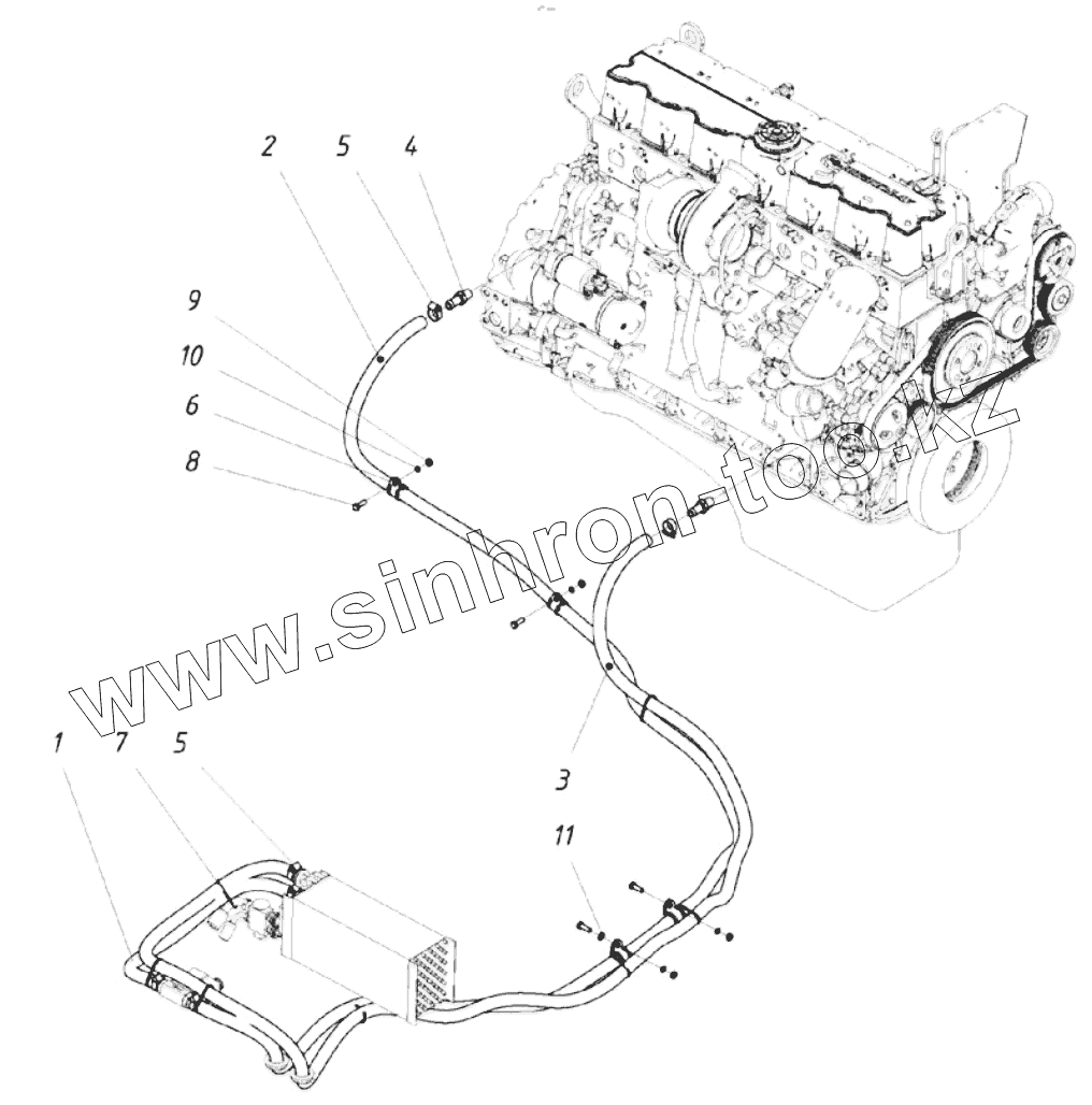
202250000000 00 Подключение отопителя
203000000000 00 Установка рабочего оборудования
203ХХ0000000 ХХ Исполнения рабочего оборудования
203020000000 20 Гидроцилиндр стрелы
203040000000 20 Гидроцилиндр рукояти
203030000000 00 Гидроразводка стрелы с разводкой под гидромолот
203030000000 01 Гидроразводка стрелы с тормозными клапанами
203080000000 00 Установка рукояти 2920 с разводкой под гидромолот
203060000000 00 Установка рукояти 2400 с разводкой под гидромолот
203080200000 00 Гидроразводка рукояти 2920 с разводкой под гидромолот
203060200000 00 Гидроразводка рукояти 2400 с разводкой под гидромолот
203080200000 01 Гидроразводка рукояти 2920 без разводки под гидромолот
203060200000 01 Гидроразводка рукояти 2400 без разводки под гидромолот
203060400000 20 Гидроцилиндр ковша
204000000000 02 Установка ковша
204000000000 03 Установка ковша
206000000000 00 Комплект опций
206020000000 02 Установка четырех фар на крыше
206040000000 04 Установка гидроразводки на грейфер с ротатором с рукоятью 2400, 206200000000 20 Установка гидроразводки на грейфер с ротатором с рукоятью 2920
206040000000 04 Установка гидроразводки на грейфер с ротатором (гидравлика)
206090000000 09 Установка фары на противовес
206110000000 11 Установка стабилизации стрелы
1
2
3
4
5
5
6
7
Позиция на иллюстрации
Заводской номер детали
Название детали
1
202250000001 00
Рукав
2
202250000002 00
Рукав
3
202250000003 00
Рукав
4
225408725003 00
Ниппель
5
000923820303 01
Хомут
6
000923820305 01
Хомут
7
000923820105 01
Кабельный хомут
26
000026400125 01
Болт
34
000026410608 01
Гайка
41
000026440205 01
Шайба
46
000026440608 01
Шайба
Содержащиеся в справочниках-каталогах запасные части и детали не предлагаются к продаже, а носят исключительно информационный характер
Дополнительная информация
×
Название:
Номер:
Примечание: