Вернуться на главную
Поиск
Каталоги запчастей к технике
Спецтехника
ТВЭКС
E185W (ЕК-18)
Установка маслоохладительная
Каталог запасных частей к технике: ТВЭКС E185W (ЕК-18). Установка маслоохладительная
zoom-in
zoom-out
enlarge
shrink
circle-right
circle-left
file-text2
info
cart
Тип техники
Не выбрано
Легковые автомобили
Грузовые автомобили и прицепы
Автобусы
Сельхозтехника
Спецтехника
Двигатели
Мототехника
Марка
Не выбрано
Ammann
BOMAG
CARMIX
CASE IH
Changlin
ChengGong
Dimex
Doosan
DYNAPAC
Foton
HAMM
Hidromek
Hitachi
Hyundai
JCB
JLG
John Deere
Komatsu
LIEBHERR
LiuGong
Lonking (LongGong)
Luneng
MANITOU
Mitsuber
New Holland
PENGPU
RM-Terex
SANY
SDLG
SEM
Shantui
Shehwa HBXG
Soosan
TIGARBO
VOGELE
Volvo
WAY
WIRTGEN
XCMG
XGMA
Xiamen
YTO
Yuchai
Zoomlion
Автокран
АЗСМ
Алтайлесмаш
Амкодор
АОМЗ
Атек
АТЗ
Балканкар Рекорд
БелАЗ
Беловеж
Борекс
Брянский Арсенал
Булат
ВЭКС
ГАЗ
Геомаш
Гидромаш
Донекс
Дормаш
Дормашина
Дорэлектромаш
ДЭЗ
ЕлАЗ
ЗЗГТ
Ижнефтемаш
Канаш-электрокар
КЗКТ
ККЗ
Клевер
Клинцовский автокрановый завод
КМЗ
КМЗ 1 Мая
Ковровец
Коммаш
Кранэкс
КЭЗ
КЭМЗ
ЛЗА
МАЗ
МЗИК
МЗКМ
МЗКТ
Михневский РМЗ
МоАЗ
Мозырский МЗ
МТЗ
ОЗП
Онежец
ПАО "ТЗА"
ППС Детва
Промтрактор
ПТЗ
Раскат
СпецАгрегат
ТВЭКС
ТТМ
УВЗ
Угличмаш
УЗТМ
ХТЗ
ЧЗКМ
ЧСДМ
ЧТЗ
ЭКСКО
ЭКСМАШ
ЮрМаш
Модель
Не выбрано
5846ТМ (ЕА17) (2010)
E145W (ЕК-14)
E145W (ЕК-14) (2005)
E185W (ЕК-18)
E185W (ЕК-18) (2005)
E185W (ЕК-18) (2008)
E225LC (2022)
E225NLC (2022)
TLB 825 (2016)
TLB 825 (2017)
TLB 825 (2019)
TLB 935 (2020)
TLB 935 (2021)
TVEX-140W (2015)
TVEX-180i (2015)
TVEX-180W (2015)
TX220LC (2019)
TX220NLC (2019)
WX200 (2019)
WХ-200 (2015)
WХ-200 (2017) (2017)
ВП-03 (2005)
ВП-05
ВП-05 (2015)
ВП-05 (2005) (2005)
ВП-05 (вариант) (2005)
Е200СН (2018)
Е245СН (2018)
ЕК-12 (2005)
ЕК-12 (2007) (2007)
ЕК-12 (2013) (2013)
ЕК-14-20 (2013)
ЕК-14-90 (2011)
ЕК-14-90 (2015)
ЕК-18-20 (2010)
ЕК-18-40 (2005)
ЕК-18-45-60 (2008)
ЕК-18-90 (2012)
ЕК-18-90 (2015)
ЕК-20-20 (2010)
ЕТ-16 (2005)
ЕТ-16-20 (2007)
ЕТ-18-20 (2005)
ЕТ-20-20 (2012)
ЕТ-25
ЕТ-25-20 (2007)
ЕТ-26i (2010)
ЕТ-26i (2015)
ТХ-210 (2015)
ТХ-210 (2017)
ТХ-220 (2017)
ТХ-270 / 300 (2017)
ТЭП-18 (2012)
ЭО-3122
ЭО-3323
ЭО-3323А (2002)
ЭО-3326 (2000)
ЭОВ-3521 (2007)
ЭОВ-3521М-1 (2007)
ЭОВ-3521М-1 (2017)
ЭОВ-3521М-1 (2017)
Схема
>
Не выбрано
Экскаватор пневмоколесный гидравлический с подъемной кабиной ЕК-18-44 (ЕК-18-40)
Платформа поворотная с механизмами
Гидрооборудование на поворотной платформе
Трубопроводы на поворотной платформе
Клапан предохранительный
Клапан подпорный
Клапан подпорный
Гидрораспределитель с гидромотором производства ПСМ
Гидрораспределитель c гидромотором производства Bosch-Rexroth
Секция рабочая (ход)
Секция рабочая (опоры)
Секция рабочая (добавка рукояти, подъём кабины) для гидрораспределителей 318-40-520.00, 318-40-520.00-20 и 318-40-521.00
Секция рабочая (грейфер, ротатор) для гидрораспределителей 318-40-520.00, 318-40-520.00-20 и 318-40-521.00
Секция рабочая (рукоять)
Секция рабочая (стрела)
Секция рабочая (поворот) гидрораспределителя 318-40-520.00
Секция рабочая (поворот) гидрораспределителя 318-40-520.00-20
Секция рабочая (добавка хода, подъём кабины - ротатор)
Секция напорно-сливная
Напорно-сливная секция
Блок клапанов ИЛИ
Клапан подпиточный
Гидрораспределитель
Гидроуправление на поворотной платформе (монтажная схема)
Гидрораспределитель
Клапан ИЛИ
Блок управления педальный (левый)
Блок управления
Блок управления
Блок управления
Пневмогидроаккумулятор с гидроклапанами
Блок гидроклапанов
Бак гидравлический
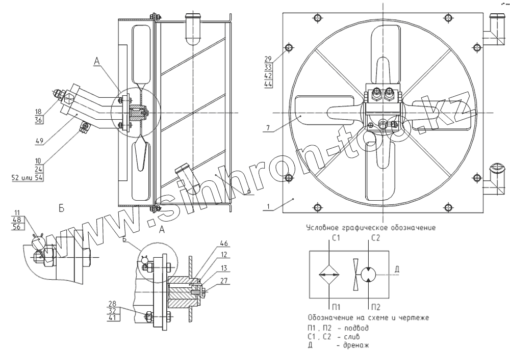
Установка маслоохладительная
Установка маслоохладительная
Подъемный механизм
Подкабинник
Рама выдвижная
Барабан в сборе
Гидроцилиндр подъёма (с уплотнениями ГидраПак, с уплотнениями Элконт)
Пневмоуправление на поворотной платформе
Установка отопителя
Установка подогревателя
Установка силовая
Управление двигателем
Установка радиаторов
Установка глушителя
Установка насоса
Кабина
Установка люка
Дверь
Установка замков
Установка зеркала заднего вида
Рамка верхняя
Управление экскаватором
Колонка рулевая
Установка руля
Пульт левый
Пульт правый
Установка педали тормоза хода
Механизм поворота c гидромотором Bosch-Rexroth (с 1.07.2007 г.)
Механизм поворота c гидромотором Bosch-Rexroth и ПСМ (до 1.07.2007 г.)
Рабочее оборудование ЕК-18-44 и ЕК-18-40
Трубопроводы централизованной смазки
Трубопроводы рабочего оборудования
Грейфер ГП-554 с ротатором Baltrotors GR16A8
Грейфер ГП-554 с ротатором Archimedes AB1000-42
Грейфер ГП-554 с ротатором 318-00-40.31.000
Грейфер ГП-554 с ротатором РУ-80
Металлоконструкция грейфера ГП-554
Гидроцилиндр
Гидроцилиндр стрелы (с уплотнениями Элконт)
Гидроцилиндр стрелы (с уплотнениями ГидраПак)
Гидроцилиндр стрелы (с уплотнениями Элконт)
Гидроцилиндр рукояти (с уплотнениями Элконт)
Гидроцилиндр рукояти (с уплотнениями ГидраПак)
Гидроцилиндр рукояти (с уплотнениями Элконт)
Ход пневмоколесный
Управление поворотом колес
Коробка перемены передач
Пневмоуправление на ходовой раме
Мост приводной неуправляемый
Мост приводной управляемый
Передача главная
Гидрооборудование на ходовой раме
Гидроцилиндр выносных опор (правый, левый)
Гидроцилиндр (с уплотнениями Элконт, ГидраПак)
Гидрозамок двухсторонний
Гидроцилиндр поворота колес (правый, левый)
Клапан пневмогидравлический
Гидроклапан противообгонный
Коллектор
Электрооборудование
Схема электрическая соединений
1
6
7
10
11
12
13
18
24
27
28
29
32
33
36
41
42
44
46
48
49
52
54
56
Позиция на иллюстрации
Заводской номер детали
Название детали
1
313-00-80.06.100-20
Диффузор (с гидромотором 310.12)
6
313-00-80.06.700-10
Калорифер
7
ЭО-3322А.02.04.200
Крыльчатка
10
003-50-80.04.010-10
Втулка
11
314-20-80.06.102
Болт
12
313-00-80.06.002
Шайба
13
313-00-80.06.003
Шайба
18
ЭО-3323.07.13.005
Штуцер
24
003-50-80.04.001
Болт
27
М6-6gх14.58.016
Болт
28
М8-6gх30.58.016
Болт
29
М10-6gх25.58.016
Болт
32
М8-6Н.5.016
Гайка
33
М10-6Н.5.016
Гайка
36
018-022-25-2-3
Кольцо
41
8.65Г.016
Шайба
42
10.65Г.016
Шайба
44
С10.01.08кп.019
Шайба
46
2-6х6х32
Шпонка
48
10/6.5
Пломба
49
310.12.01.03
Гидромотор
52
400-765-5590
Прокладка
54
14Е223YО/М12/
Уплотнение Guardex
56
1-О-С
Проволока
Содержащиеся в справочниках-каталогах запасные части и детали не предлагаются к продаже, а носят исключительно информационный характер
Дополнительная информация
×
Название:
Номер:
Примечание: