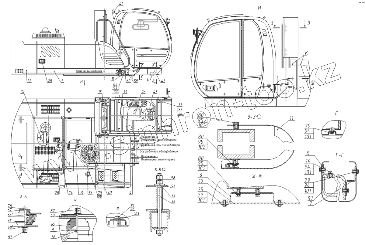
Каталог запасных частей к технике: ТВЭКС E185W (ЕК-18). Платформа поворотная с механизмами
1
4
6
7
8
9
10
11
13
15
20
22
24
26
28
31
36
38
39
41
42
43
47
47
47
52
59
60
65
65
66
67
68
68
68
70
73
75
77
78
78
79
79
79
79
80
80
80
81
85
87
87
91
93
94
94
94
95
95
95
96
97
98
98
100
101
101
101
101
102
102
102
103
| Позиция на иллюстрации | Заводской номер детали | Название детали | |
|---|---|---|---|
| 1 | 318-40-01.00.000-20 | Платформа поворотная | |
| 4 | 318-40-05.00.000 | Стопор | |
| 6 | 318-40-20.00.090 | Кронштейн | |
| 7 | 318-40-20.00.110 | Кронштейн | |
| 8 | 318-40-20.00.120 | Уголок | |
| 9 | 318-40-20.00.130 | Опора | |
| 10 | 318-40-20.00.140-20 | Кожух | |
| 11 | 318-40-20.00.150 | Кожух верхний | |
| 13 | 318-40-31.00.000 | Подъемный механизм | |
| 15 | 318-40-80.00.000-60 | Гидрооборудование на поворотной платформе | |
| 20 | 314-20-10.10.000 | Капот | |
| 22 | 318-20-20.15.000-40 | Противовес | |
| 24 | 318-40-81.10.000 | Пневмоуправление на поворотной платформе | |
| 26 | 318-40-87.18.000 | Установка отопителя | |
| 28 | 318-40-87.60.000 | Установка подогревателя | |
| 31 | 314-02-03.00.000-45 | Установка силовая | |
| 36 | 314-20-06.10.000 | Установка топливного бака | |
| 38 | 314-02-20.00.030 | Болт | |
| 39 | 312-20-02.00.000-10 | Кабина | |
| 41 | 312-20-06.10.000 | Блок фары левый | |
| 42 | 314-20-20.00.100 | Установка кронштейна номерного знака | |
| 43 | 312-20-86.90.000-30 | Управление экскаватором | |
| 47 | 225-18-07.00.000 | Механизм поворота | |
| 47 | 225-10-07.00.000-18 | Механизм поворота | |
| 47 | 225-01-07.00.000-18 | Механизм поворота | |
| 52 | 318-40-20.00.001 | Кожух | |
| 59 | 314-20-20.00.003 | Блок фары правый | |
| 60 | 314-20-20.00.004 | Обечайка | |
| 65 | 005-04-04.00.007 | Амортизатор | |
| 66 | 005-04-04.00.008 | Амортизатор | |
| 67 | 005-04-04.00.009 | Крышка | |
| 68 | 005-04-04.00.010 | Шайба | |
| 70 | 225-00-20.00.001 | Болт | |
| 73 | 314-02-20.00.002 | Шайба | |
| 75 | ЭО-3323.04.04.018 | Шайба | |
| 77 | М16-6gх35.58.016 | Болт | |
| 78 | М16-6gх125.109.40Х.016 | Болт | |
| 79 | М8-6gх20.58.016 | Болт | |
| 80 | М10-6gх20.58.016 | Болт | |
| 81 | М12-6gх30.58.016 | Болт | |
| 85 | ВМ6-6gx14.58.016 | Винт | |
| 87 | М16-6Н.5.016 | Гайка | |
| 91 | М24-6Н.10.40Х.016 | Гайка | |
| 93 | 6.65Г.016 | Шайба | |
| 94 | 8.65Г.016 | Шайба | |
| 95 | 10.65Г.016 | Шайба | |
| 96 | 12.65Г.016 | Шайба | |
| 97 | 16.65Г.016 | Шайба | |
| 98 | 24.65Г.016 | Шайба | |
| 100 | С6.01.08кп.019 | Шайба | |
| 101 | С8.01.08кп.019 | Шайба | |
| 102 | С10.01.08кп.019 | Шайба | |
| 103 | С12.01.08кп.019 | Шайба |
Содержащиеся в справочниках-каталогах запасные части и детали не предлагаются к продаже, а носят исключительно информационный характер