Каталог запасных частей к технике: ТВЭКС E185W (ЕК-18). Гидроцилиндр (с уплотнениями Элконт, ГидраПак)
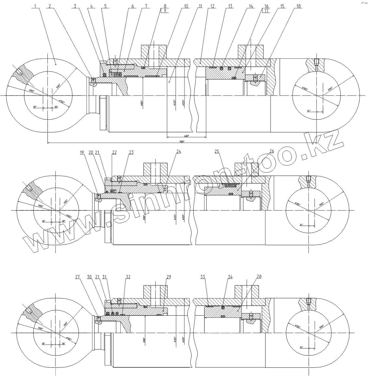
1
2
3
3
3
3
4
5
6
7
8
9
10
10
11
12
12
13
13
14
16
17
18
19
20
21
21
22
23
24
25
26
27
28
29
30
31
32
33
34
| Позиция на иллюстрации | Заводской номер детали | Название детали | |
|---|---|---|---|
| 1 | ЭО-3323А.71.82.001-11 | Проушина | |
| 2 | В.М8-6gх12.14Н.016 | Винт | |
| 3 | 01.080 | Кольцо | |
| 3 | ГСВ-80 | Грязесъемник | |
| 3 | Шнур | Шнур | |
| 3 | Е52-080 | Грязесъемник | |
| 4 | ЭО-3323А.71.82.002 | Гайка наружная | |
| 5 | ЭО-3323А.71.82.003-01 | Кольцо | |
| 6 | Е3-080-4 | Манжета | |
| 7 | ЭО-3323А.71.82.004-01 | Букса | |
| 8 | ЭО-3323А.71.82.013 | Кольцо защитное | |
| 9 | 115-125-58-2-2 | Кольцо | |
| 10 | Е22-080-30-3.0 | Опорно-направляющее кольцо | |
| 10 | 00.00.12.080 | Опорно-направляющее кольцо | |
| 11 | ЭО-3323А.71.82.005-10 | Шток | |
| 12 | ЭО-3323А.71.82.100 | Цилиндр | |
| 12 | ЭО-3323А.71.82.200 | Цилиндр | |
| 13 | Е21-125-15-3.0 | Опорно-направляющее кольцо | |
| 13 | 00.00.11.125 | Опорно-направляющее кольцо | |
| 14 | Е13М-125-5 | Уплотнение | |
| 16 | ЭО-3323А.71.82.012 | Кольцо защитное | |
| 17 | 070-080-58-2-3 | Кольцо | |
| 18 | ЭО-3323А.71.82.020 | Гайка | |
| 19 | В.М8-6gх12.14Н.016 | Винт | |
| 20 | PW80 | Грязесъемник | |
| 21 | ЭО-3323А.71.82.002-11 | Гайка наружная | |
| 22 | TS809511.5/LA | Уплотнение штока | |
| 23 | 1/GT80х84-8.1/102 | Направляющая штока | |
| 24 | ЭО-3323А.71.82.004-11 | Букса | |
| 25 | ЭО-3323А.71.82.006-11 | Поршень | |
| 26 | DPS125108 | Уплотнение поршня | |
| 27 | В.М8-6gх12.14Н.016 | Винт | |
| 28 | ЭО-3323А.71.82.006-12 | Поршень | |
| 29 | ЭО-3323А.71.82.004-12 | Букса | |
| 30 | Е50-А-080-5 | Грязесъемник | |
| 31 | Е06-080-5 | Уплотнение | |
| 32 | Е20-080-085 | Кольцо | |
| 33 | Е20-120-125 | Кольцо | |
| 34 | Е15М-125-5 | Уплотнение |
Содержащиеся в справочниках-каталогах запасные части и детали не предлагаются к продаже, а носят исключительно информационный характер