Каталог запасных частей к технике: ТВЭКС E185W (ЕК-18). Электрооборудование
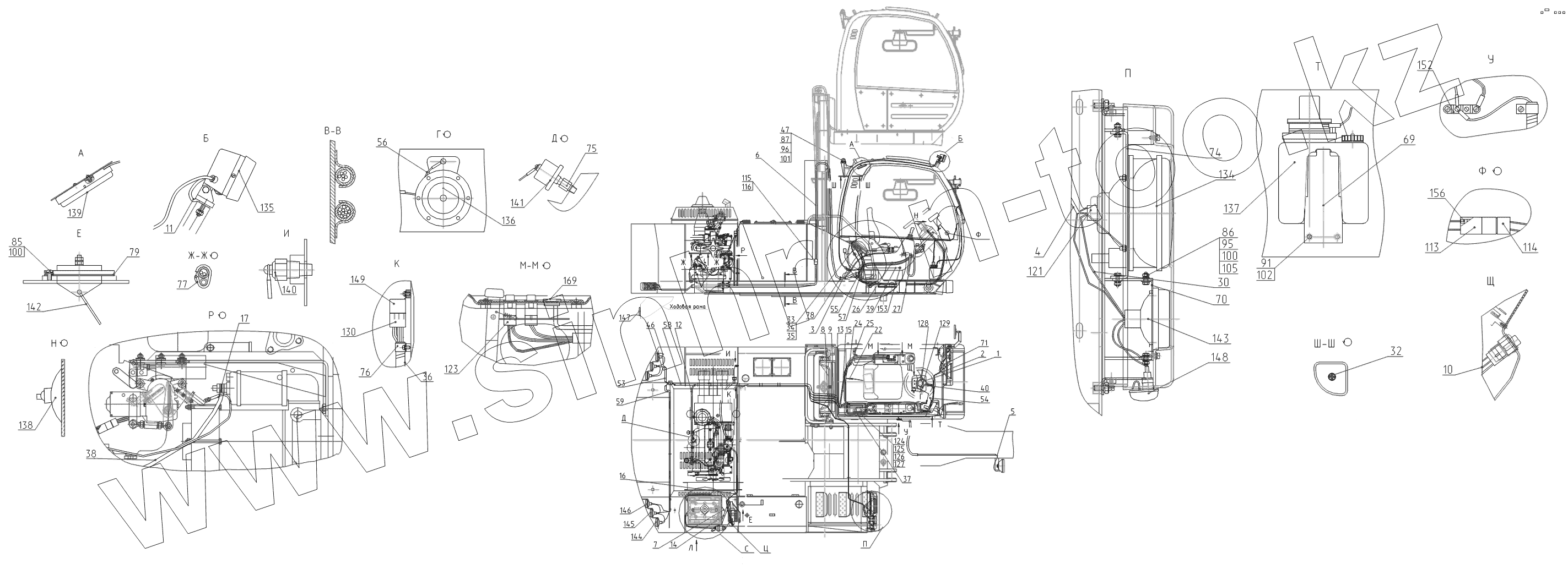
1
2
3
4
5
7
9
10
11
12
14
15
16
17
22
24
25
27
30
32
33
34
35
36
37
38
39
40
46
47
53
54
55
56
57
59
69
70
71
74
75
76
77
79
85
86
87
91
95
96
100
100
101
102
105
113
114
115
116
121
123
124
125
126
127
128
129
130
134
135
136
137
138
139
140
141
142
143
144
145
146
147
148
149
152
153
156
169
| Позиция на иллюстрации | Заводской номер детали | Название детали | |
|---|---|---|---|
| 1 | 318-40-88.05.010 | Жгут проводов | |
| 2 | 318-40-88.05.020 | Жгут проводов | |
| 3 | 312-20-88.20.070-10 | Жгут проводов | |
| 4 | 318-40-88.05.300 | Жгут проводов | |
| 5 | 318-40-88.05.050 | Провод стрелы | |
| 7 | 318-40-88.05.070 | Провод | |
| 9 | 318-40-88.05.320 | Жгут проводов | |
| 10 | 318-40-88.05.100 | Провод | |
| 11 | 318-40.88.05.110 | Провод | |
| 12 | 318-40-88.05.310 | Жгут проводов | |
| 14 | 318-40-88.05.140 | Жгут проводов | |
| 15 | 318-40-88.05.150 | Жгут проводов | |
| 16 | 318-40-88.05.330 | Жгут проводов | |
| 17 | 318-40-88.05.170 | Жгут проводов | |
| 22 | 318-40-88.05.220 | Жгут проводов | |
| 23 | 318-40.88.05.240 | Провод | |
| 24 | 318-40.88.05.250 | Провод | |
| 25 | 318-40-88.05.260 | Жгут проводов | |
| 27 | 318-40-88.05.280 | Жгут проводов | |
| 28 | 318-40-88.05.290 | Жгут проводов | |
| 30 | 314-20-88.27.020 | Жгут проводов | |
| 32 | 312-20-88.20.020 | Жгут проводов | |
| 33 | 312-20-88.20.050 | Провод | |
| 34 | 312-20-88.20.060 | Провод | |
| 35 | 312-20-88.20.090 | Провод | |
| 36 | 312-20-88.20.130 | Жгут проводов | |
| 37 | 312-20-88.20.160 | Провод | |
| 38 | 312-20-88.20.170 | Провод | |
| 39 | 312-20-88.20.180 | Провод | |
| 40 | 312-20-88.20.220 | Жгут проводов | |
| 41 | 312-20-88.20.240 | Провод | |
| 42 | 314-20-88.27.110 | Провод | |
| 43 | 312-20-88.20.280 | Провод | |
| 44 | 312-20-88.20.290 | Провод | |
| 46 | КС-3372.80.230 | Провод | |
| 47 | 225-10-88.12.080 | Провод | |
| 52 | 314-02-88.01.020 | Провод | |
| 53 | 314-02-88.01.090 | Жгут проводов | |
| 54 | 314-02-88.01.100 | Жгут проводов | |
| 55 | 314-02-88.01.120 | Жгут проводов | |
| 56 | 314-20-88.27.150 | Провод | |
| 57 | 314-02-88.01.160 | Жгут проводов | |
| 59 | 314-02-88.01.230 | Жгут проводов | |
| 62 | 312-04-88.10.010 | Рамка аккумуляторов | |
| 65 | 318-40-88.05.005 | Кронштейн | |
| 68 | 314-02-88.01.003 | Перемычка | |
| 69 | 312-20-88.20.001 | Кронштейн омывателя | |
| 70 | 312-20-88.20.002 | Кронштейн | |
| 71 | 312-20-88.20.002-10 | Кронштейн | |
| 72 | 312-20-88.20.003 | Крышка аккумуляторов | |
| 73 | 005-04-02.05.004 | Шайба | |
| 74 | 314-02-88.01.001 | Кронштейн фар | |
| 75 | 13.06.20.002 | Переходник | |
| 76 | Э-302-1-1600-04Б | Скоба | |
| 77 | Э302-1-1600-14 | Хомутик | |
| 79 | 26.00.70.008 | Прокладка | |
| 81 | 314-20-88.27.005 | Пластина 1Ф-1-ТМКЦ-С-2 30х340 | |
| 82 | 314-04-88.10.031 | Шпилька | |
| 85 | В.М4-6gx8.58.016 | Винт | |
| 86 | В.М4-6gx20.58.016 | Винт | |
| 87 | В.М6-6gx12.58.016 | Винт | |
| 88 | В.М6-6gx22.58.016 | Винт | |
| 90 | М6-6gx16.58.016 | Болт | |
| 91 | М8-6gx20.58.016 | Болт | |
| 92 | М8-6gx30.58.016 | Болт | |
| 93 | М10-6gx20.58.016 | Болт | |
| 95 | М4-6Н.04.016 | Гайка | |
| 96 | М6-6Н.5.016 | Гайка | |
| 97 | М8-6Н.5.016 | Гайка | |
| 98 | М10-6Н.5.016 | Гайка | |
| 100 | 4.65Г.016 | Шайба | |
| 101 | 6.65Г.016 | Шайба | |
| 102 | 8.65Г.016 | Шайба | |
| 103 | 10.65Г.016 | Шайба | |
| 105 | C4.01.08кn.019 | Шайба | |
| 106 | C6.01.08кn.019 | Шайба | |
| 107 | C8.01.08кn.019 | Шайба | |
| 108 | C10.01.08кn.019 | Шайба | |
| 111 | 4573739001 | Колодка соединительная | |
| 112 | 4573739002 | Колодка соединительная | |
| 113 | 4573739003 | Колодка соединительная | |
| 114 | 4573739004 | Колодка соединительная | |
| 115 | 4573739007 | Колодка соединительная | |
| 116 | 4573739008 | Колодка соединительная | |
| 117 | 4573739009 | Колодка соединительная | |
| 118 | 4573739011 | Колодка соединительная | |
| 119 | 4573739012 | Колодка соединительная | |
| 120 | 4573739013 | Колодка соединительная | |
| 121 | 4573739015 | Колодка соединительная | |
| 122 | 4573739025 | Колодка соединительная | |
| 123 | 4573739026 | Колодка гнездовая | |
| 124 | 4573739031 | Колодка соединительная | |
| 125 | 4573739032 | Колодка соединительная | |
| 126 | 4573739033 | Колодка соединительная | |
| 127 | 4573739034 | Колодка соединительная | |
| 128 | 4573739039 | Колодка соединительная | |
| 129 | 4573739041 | Колодка соединительная | |
| 130 | 469.59.00-00 | Колодка соединительная | |
| 132 | СЦ5.601.202 | Розетка | |
| 134 | 42.3711 | Фара | |
| 135 | 8724.304/011 | Фара | |
| 136 | 20.3721-01 | Сигнал | |
| 137 | 1102.5208-25 | Стеклоомыватель (с форсункой и трубой L=1200 мм) | |
| 138 | Вентилятор | Вентилятор автомобильный на присоске | |
| 139 | 16.3714-01 | Плафон | |
| 140 | ТМ100-В | Датчик | |
| 141 | ММ358 | Датчик | |
| 142 | В26.3827 | Датчик | |
| 143 | УП115 | Указатель поворота | |
| 144 | УП115-Б | Указатель поворота | |
| 145 | ФП115 | Фонарь задний | |
| 146 | ФП116 | Фонарь задний | |
| 147 | ФП310 | Световозвращатель | |
| 148 | 27.3726 | Указатель поворота | |
| 149 | 738.3747-30 | Реле | |
| 150 | 3СТ-215А | Батарея аккумуляторная | |
| 151 | 1300.3737 | Выключатель | |
| 152 | 14,3723 | Панель соединительная | |
| 153 | ПС500 | Розетка | |
| 156 | 4573738004 | Наконечник | |
| 159 | 221000328800 | Таймер | |
| 160 | 251774890300 | Датчик температуры | |
| 161 | 20431004 | Колодка предохранительная | |
| 162 | 20431005 | Крышка | |
| 163 | 20400081 | Предохранитель | |
| 164 | 20400079 | Предохранитель | |
| 165 | 2040008950 | Предохранитель | |
| 167 | Блок отопительный | Отопительный блок | |
| 168 | Штекер | Штекерный разъем | |
| 169 | Мини-регулятор | Мини-регулятор | |
| 180 | P3-Ц-Х-Ш-15 | Металлорукав (L=1000мм) ТУ22-2173-71 | |
| 185 | ГОСТ8734-75 | Труба | |
| 185 | ГОСТ8733-74 | Труба | |
| 188 | 305ТВ-40,16 | Трубка белая | |
| 189 | 305ТВ-40,16 | Трубка белая |
Содержащиеся в справочниках-каталогах запасные части и детали не предлагаются к продаже, а носят исключительно информационный характер