Каталог запасных частей к технике: ТВЭКС E145W (ЕК-14). Агрегат насосный
1
2
3
4
5
6
7
8
9
10
11
12
13
14
15
16
17
18
19
20
21
22
23
24
25
26
27
28
29
30
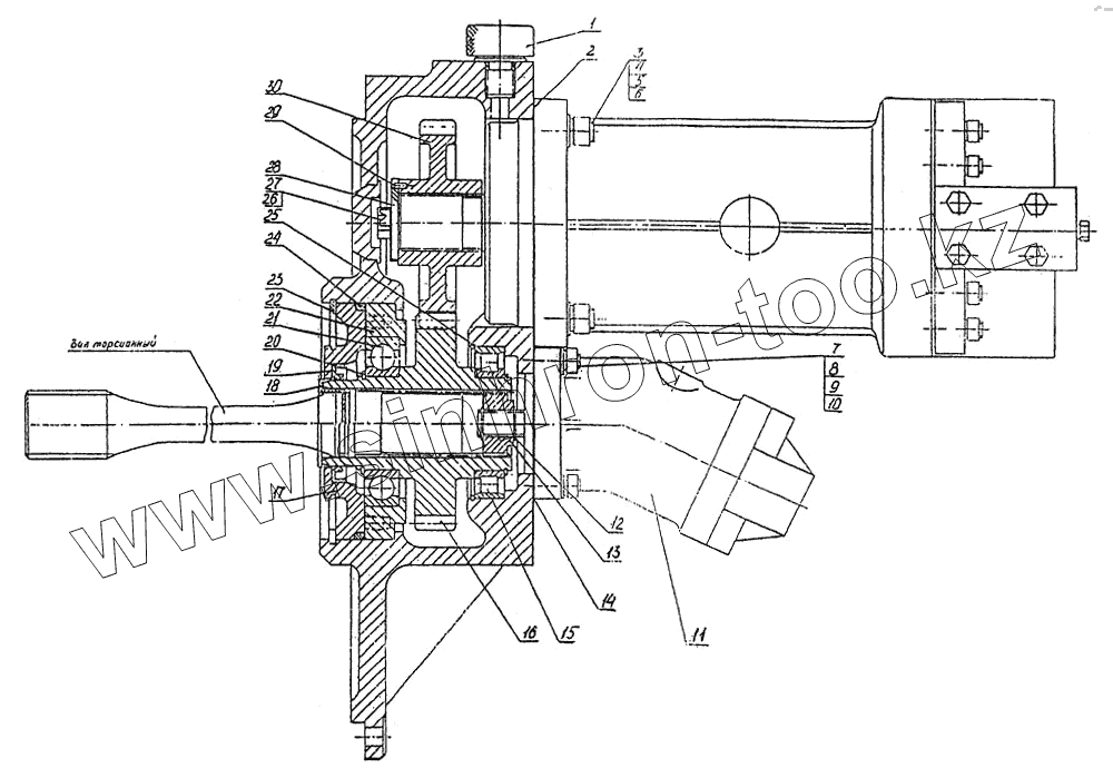
| Позиция на иллюстрации | Заводской номер детали | Название детали | |
|---|---|---|---|
| 1 | 333.1.56.020 | Сапун | |
| 2 | 333.1.56.006 | Прокладка | |
| 3 | 5915 | Гайка М16-7Н.5.019 | |
| 4 | 6402 | Шайба 16.65Г.05 | |
| 5 | 11371А | Шайба 12х2,0 | |
| 6 | 22040 | Шпилька М12-6gх40 | |
| 7 | 5915 | Гайка М16-7Н.5.019 | |
| 8 | 6402 | Шайба 16.65Г.05 | |
| 9 | 11371.А | Шайба 8х1,4 | |
| 10 | 22040 | Шпилька М12-6gх40 | |
| 11 | 210.12.12.00Г | Гидромотор | |
| 12 | 13942.В16 | Кольцо | |
| 13 | 333.2.56.923 | Муфта | |
| 14 | 333.2.56.909 | Прокладка | |
| 15 | 8328.2111 | Подшипник | |
| 16 | 333.2.56.922 | Шестерня ведущая | |
| 17 | 333.2.56.907 | Крышка | |
| 18 | 333.1.56.022 | Заглушка | |
| 19 | 8752.1.2-56х70-1 | Манжета | |
| 20 | 13942.В55 | Кольцо | |
| 21 | 8338.211 | Подшипник | |
| 22 | 333.2.56.906 | Стакан | |
| 23 | 333.2.56.912 | Кольцо | |
| 24 | 18829.130-140-58-2-2 | Кольцо | |
| 25 | 333.1.56.026 | Кольцо стопорное | |
| 26 | 13463.12 | Шайба | |
| 27 | 7798.М12 | Болт М12 | |
| 28 | 333.1.56.019 | Шайба | |
| 29 | 3128 | Штифт 3,4х12 | |
| 30 | 333.2.56.905 | Шестерня |
Содержащиеся в справочниках-каталогах запасные части и детали не предлагаются к продаже, а носят исключительно информационный характер