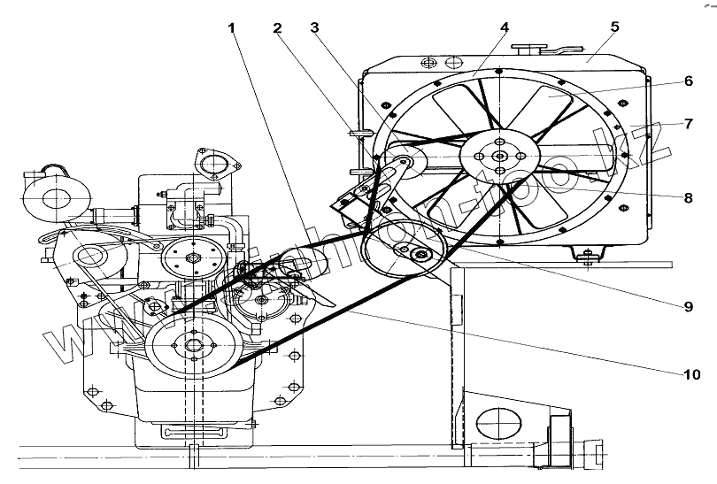
Каталог запасных частей к технике: ТТМ-3902 "Тайга". Вентилятор и его привод
1
2
3
4
5
6
7
8
9
10
| Позиция на иллюстрации | Заводской номер детали | Название детали | |
|---|---|---|---|
| 3205-1013010.01 | 3205-1013010.01 | Радиатор масляный | |
| 250-1172010 | 250-1172010 | Охладитель наддувочного воздуха | |
| 2101-1311014 | 2101-1311014 | Бачок расширительный | |
| 2101-1311065 | 2101-1311065 | Пробка бачка | |
| 652-1304052 | 652-1304052 | Пробка горловины радиатора | |
| 1 | 53-1308067-03 | Ролик натяжной в сборе | |
| 2 | 3205-1308261 | Кронштейн крепления натяжного ролика | |
| 3 | 53-1308080-12 | Ролик натяжной в сборе | |
| 4 | 3205-1309003 | Корпус с валиком вентилятора | |
| 5 | 3205-1301010 | Радиатор водяной | |
| 6 | 3205-1308010 | Вентилятор | |
| 7 | 3205-1309019 | Кожух вентилятора | |
| 8 | 1-11х10-1280 | Ремень | |
| 9 | 3205-1308140 | Промежуточная опора привода вентилятора | |
| 10 | 1-11х10-1775 | Ремень привода вентилятора |
Содержащиеся в справочниках-каталогах запасные части и детали не предлагаются к продаже, а носят исключительно информационный характер