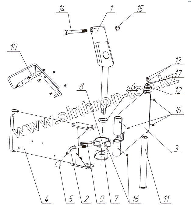
Каталог запасных частей к технике: TIGARBO АБС TIGARBO. Лотковая система
1
1
2
3
4
5
6
7
8
9
10
11
12
13
14
15
16
16
17
| Позиция на иллюстрации | Заводской номер детали | Название детали | |
|---|---|---|---|
| 42184-27.16.00.00.000 | 42184-27.16.00.00.000 | Опора лотка | |
| 1 | 42184-27.16.01.000 | Кронштейн | |
| 1 | 42184-27.16.01.000-01 | Кронштейн | |
| 2 | 42184-27.16.02.000 | Рукоятка | |
| 3 | 42184-27.16.03.000 | Кронштейн | |
| 4 | 42184-27.16.04.000 | Кронштейн | |
| 5 | 42184-27.06.00.001 | Ручка | |
| 6 | 42184-27.16.00.002 | Втулка | |
| 7 | 42184-27.16.00.003 | Шайба тормозная | |
| 8 | 42184-27.16.00.004 | Хомут | |
| 9 | 42184-27.16.00.005 | Штифт | |
| 10 | 4119.000 | Кронштейн | |
| 11 | 42184-27.00.03.000 | Ось | |
| 12 | 42184-27.00.00.006 | Шайба | |
| 13 | Болт М8-6gx20.88 | Болт М8-6gx20.88 | |
| 14 | Болт М20-6gx160.48 | Болт М20-6gx160.48 | |
| 15 | Гайка М20 | Гайка М20 | |
| 16 | Масленка 1.2ц6 | Масленка 1.2ц6 | |
| 17 | Шайба8.65Г.106 | Шайба 8 65Г.106 |
Содержащиеся в справочниках-каталогах запасные части и детали не предлагаются к продаже, а носят исключительно информационный характер