Каталог запасных частей к технике: TIGARBO АБС TIGARBO. Гидроразводка (ДО)
11С.04.00.000
1
2
2
3
4
5
6
12
13
14
15
16
16
16
16
17
18
19
25
26
27
28
29
30
31
32
33
34
35
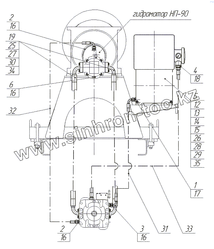
| Позиция на иллюстрации | Заводской номер детали | Название детали | |
|---|---|---|---|
| 11С.04.00.000 | 11С.04.00.000 | Гидроразводка | |
| 1 | 11С.02.00.002 | Штуцер | |
| 2 | 11С.03.00.001 | Штуцер | |
| 3 | 11С.03.00.002 | Штуцер | |
| 4 | 11С.03.00.003 | Штуцер | |
| 5 | 11С.04.00.001 | Трубка | |
| 6 | 5300.08.00.009 | Пробка | |
| 12 | Болт М10-6gх40.88.106 | Болт М10-6gх40.88.106 | |
| 13 | Болт М12х1.25-6gх75.88.106 | Болт М12х1.25-6gх75.88.106 | |
| 14 | Гайка М10-6Н.8.NF | Гайка М10-6Н.8.NF | |
| 15 | Гайка М12х1,25-6Н.8.NF | Гайка М12х1,25-6Н.8.NF | |
| 16 | Кольцо 020-025-30 | Кольцо 020-025-30 | |
| 17 | Кольцо 025-030-30 | Кольцо 025-030-30 | |
| 18 | Кольцо 034-042-46 | Кольцо 034-042-46 | |
| 19 | Шайба10.65Г.106 | Шайба 10.65Г.106 | |
| 25 | ГСТ 90-00.002 | Болт | |
| 26 | 2101-2905450 | Втулка | |
| 27 | ГСТ 90-00-003 | Кольцо уплотнительное | |
| 28 | SL 367303 | Мановакуумметр | |
| 29 | АКG 1053.127.0000 | Маслоохладитель | |
| 30 | ГСТ 90-00-001 | Полуфланец | |
| 31 | Полуфланец | Полуфланец | |
| 32 | Полуфланец | Полуфланец | |
| 33 | Полуфланец | Полуфланец | |
| 34 | Полуфланец | Полуфланец | |
| 35 | 2101-5487521 | Шайба |
Содержащиеся в справочниках-каталогах запасные части и детали не предлагаются к продаже, а носят исключительно информационный характер