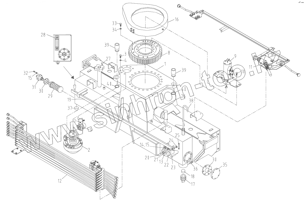
Каталог запасных частей к технике: Soosan SCS746L. FRAME ASSEMBLY (REVISED AUGUST 2008)
1
2
3
4
5
6
7
8
9
10
11
12
13
14
15
15
16
17
18
19
20
21
22
23
24
25
26
27
28
29
30
30
31
32
33
34
35
36
37
38
39
39
40
40
| Позиция на иллюстрации | Заводской номер детали | Название детали | |
|---|---|---|---|
| 1 | J13131 | Frame | |
| 2 | J17250 | Swing r/g set | |
| 3 | 4002265 | Hex. Bolt | |
| 4 | 4210014 | Spring washer | |
| 5 | B17302 | Swing motor | |
| 6 | 4002204 | Hex. Bolt | |
| 7 | 4210012 | Spring washer | |
| 8 | J17290 | Swing bearing | |
| 9 | J17450 | Rotary joint assy | |
| 10 | 4004361 | Hex. Bolt | |
| 11 | B19400 | Acc.l system part | |
| 12 | J13450 | Operation assy | |
| 13 | B17609 | Diverter valve | |
| 14 | 4010059 | Socket bolt | |
| 15 | 4210011 | Spring washer | |
| 16 | J13600 | Gear cover set | |
| 17 | A73145 | Screw plug | |
| 18 | A73146 | Sliding plate | |
| 19 | A73138 | Diverter lever | |
| 20 | A73141 | Knob | |
| 21 | A73142 | Handle bar | |
| 22 | A73143 | Clip | |
| 23 | A73144 | Pin | |
| 24 | 4200005 | Plane washer | |
| 25 | 4320004 | Snap pin | |
| 26 | A57504 | Line filter | |
| 27 | B93177 | Air breather | |
| 28 | A86247 | Level gauge | |
| 29 | B13179 | Suction strainer | |
| 30 | B13239 | Gasket | |
| 31 | B13240 | Suction pipe | |
| 32 | 4002174 | Hex. Bolt | |
| 33 | 4004353 | Hex. Bolt | |
| 34 | 4210017 | Spring washer | |
| 35 | B13226 | Oil cover | |
| 36 | 4040059 | Set screw | |
| 37 | 2702294 | Hollow hex plug | |
| 38 | J13611 | Air breather | |
| 39 | J13612 | Bush | |
| 40 | 4400037 | Snap ring |
Содержащиеся в справочниках-каталогах запасные части и детали не предлагаются к продаже, а носят исключительно информационный характер