Каталог запасных частей к технике: Soosan SCS746L. CRANE ASSEMBLY (REVISED DECEMBER 2008)
14
14
14
8
8
9
10
11
12
13
8
8
15
15
15
15
16
17
18
19
20
21
22
23
24
25
26
27
28
29
4
1
2
3
4
5
5
6
7
7
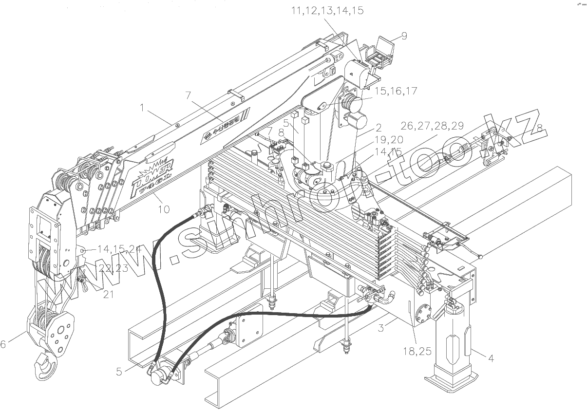
| Позиция на иллюстрации | Заводской номер детали | Название детали | |
|---|---|---|---|
| 14 | 4010060 | Socket bolt | |
| 8 | J16035 | Mounting assy | |
| 8-1 | A56448 | P.t.o and pump part | |
| 8-1 | A56177 | P.t.o and pump part | |
| 8-2 | J16104 | R/a m/t part | |
| 8-2 | J16107 | R/a m/t part | |
| 8-3 | A56113 | Acc.l system part | |
| 8-3 | A56165 | Acc.l system part | |
| 8-4 | J16112 | R/a m/t piping part | |
| 8-5 | B16115 | Loading box part | |
| 8-6 | A56234 | M/t piping part | |
| 9 | B12521 | Top seat assy | |
| 10 | B10601 | Wire rope | |
| 11 | J10100 | Pin | |
| 12 | 4111013 | Lock nut | |
| 13 | 4230011 | Lock washer | |
| 8 | J16025 | Mounting assy | |
| 15 | 4211011 | Spring washer | |
| 16 | 4010059 | Socket bolt | |
| 17 | J10103 | Pin | |
| 18 | J10107 | Pin | |
| 19 | J10105 | Stopper | |
| 20 | J10106 | Cover | |
| 21 | 4500002 | Wire clip | |
| 22 | A50110 | Open socket | |
| 23 | A00110 | Wedge | |
| 24 | A21380 | Shaft | |
| 25 | 4400009 | Snap ring | |
| 26 | J10108 | Pin | |
| 27 | J10109 | Pin holder | |
| 28 | 4101212 | Hex. Nut | |
| 29 | 4210010 | Spring washer | |
| 4 | J14002 | Outrigger assy | |
| J10005 | J10005 | Crane assy | |
| 1 | J11000 | Boom assy | |
| 1-1 | J17100 | Telescopic cyl. Assy | |
| 1-1-1 | TELESCOPICCYL.ASSY | Telescopic cyl. Assy | |
| 1-1-2 | TELESCOPICCYL.ASSY | Telescopic cyl. Assy | |
| 1-1-3 | TELESCOPICCYL.ASSY | Telescopic cyl. Assy | |
| 2 | J12000 | Swing post assy | |
| 2-1 | A57200 | Winch reduction gear assy | |
| 2-2 | J17150 | Derrick cyl. Assy | |
| 3 | J13005 | Frame assy | |
| 3-1 | J17250 | Swing r/g set | |
| 3-2 | J17450 | Rotary joint assy | |
| 3-3 | B19400 | Acc.l system part | |
| 3-4 | B13327 | Operation assy | |
| 3-5 | J13600 | Gear cover set | |
| J10004 | J10004 | Crane assy | |
| 4 | J14003 | Outrigger assy | |
| 4-1 | A57130 | Jack cyl. Assy | |
| 4-1 | A57131 | Jack cyl. Assy | |
| 4-2 | J17121 | Expanding cyl. Assy | |
| 5 | J15003 | Piping assy | |
| 5-1 | J15110 | Distributor piping | |
| 5-2 | J15115 | Sub winch piping | |
| 5-3 | J15111 | Main winch piping | |
| 5-4 | J15112 | Telescopic piping | |
| 5-5 | J15113 | Derrick piping | |
| 5-6 | J15105 | Outrigger piping | |
| 5-7 | J15114 | Swing piping | |
| 6 | A59200 | Hook assy | |
| 7 | J19102 | Sticker assy |
Содержащиеся в справочниках-каталогах запасные части и детали не предлагаются к продаже, а носят исключительно информационный характер