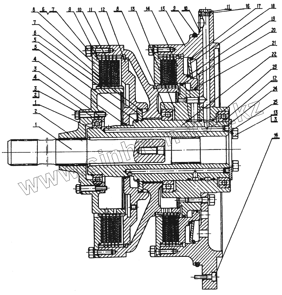
Каталог запасных частей к технике: Shehwa HBXG SD7. 0Т04000 Бортовой и тормозной фрикционы
1
2
3
4
5
6
7
8
9
10
11
12
13
14
15
16
17
18
19
20
21
22
23
24
25
31
32
33
33
34
35
36
37
38
39
40
41
42
43
44
| Позиция на иллюстрации | Заводской номер детали | Название детали | |
|---|---|---|---|
| 1 | 0Т04001 | Вводный вал | |
| 2 | 0Т04002 | Ведущая ступица | |
| 3 | 0Т04003 | Упорное кольцо подшипника | |
| 4 | 0Т04004 | Уплотнительное кольцо | |
| 5 | 0Т04005 | Поршень муфты | |
| 6 | 0Т04006 | Уплотнительное кольцо | |
| 7 | 0Т04007 | Маслоотбойное кольцо | |
| 8 | 0Т04008 | Нажимной диск | |
| 9 | 0Т04009 | Диск трения с внутренними зубами | |
| 10 | 0Т04012 | Диск с внешними зубами | |
| 11 | 0Т04013 | Ведомый барабан | |
| 12 | 0Т04014 | Нажимной диск муфты | |
| 13 | 0Т04015 | Гнездо подшипника | |
| 14 | 0Т04016 | Нажимной диск тормоза | |
| 15 | 0Т04017 | Корпус тормоза | |
| 16 | 0Т04018 | Пробка | |
| 17 | 0Т04019 | Проволочное кольцо | |
| 18 | 0Т04020 | Тарелочная пружина | |
| 19 | 0Т04021 | Проволочное кольцо | |
| 20 | 0Т04022 | Уплотнительное кольцо | |
| 21 | 0Т04023 | Уплотнительное кольцо | |
| 22 | 0Т04024 | Выводной вал | |
| 23 | 0Т04027 | Уплотнительное кольцо | |
| 24 | 0Т04025 | Масляная пробка | |
| 25 | 0Т04026 | Упорное кольцо | |
| 31 | GB894.1-86 | Кольцо упорное | |
| 32 | GB5782-86 | Болт | |
| 33 | GB93-76 | Шайба | |
| 34 | GB276-89 | Подшипник | |
| 35 | GB894.1-86 | Кольцо упорное | |
| 36 | GB5782-86 | Болт | |
| 37 | GB93-76 | Шайба | |
| 38 | GB276-89 | Подшипник | |
| 39 | GB3452.1-82 | О-образное уплотнительное кольцо | |
| 40 | GB3452.1-82 | О-образное уплотнительное кольцо | |
| 41 | GB3452.1-82 | О-образное уплотнительное кольцо | |
| 42 | GB276-89 | Подшипник | |
| 43 | GB5782-86 | Болт | |
| 44 | GB70-85 | Болт |
Содержащиеся в справочниках-каталогах запасные части и детали не предлагаются к продаже, а носят исключительно информационный характер