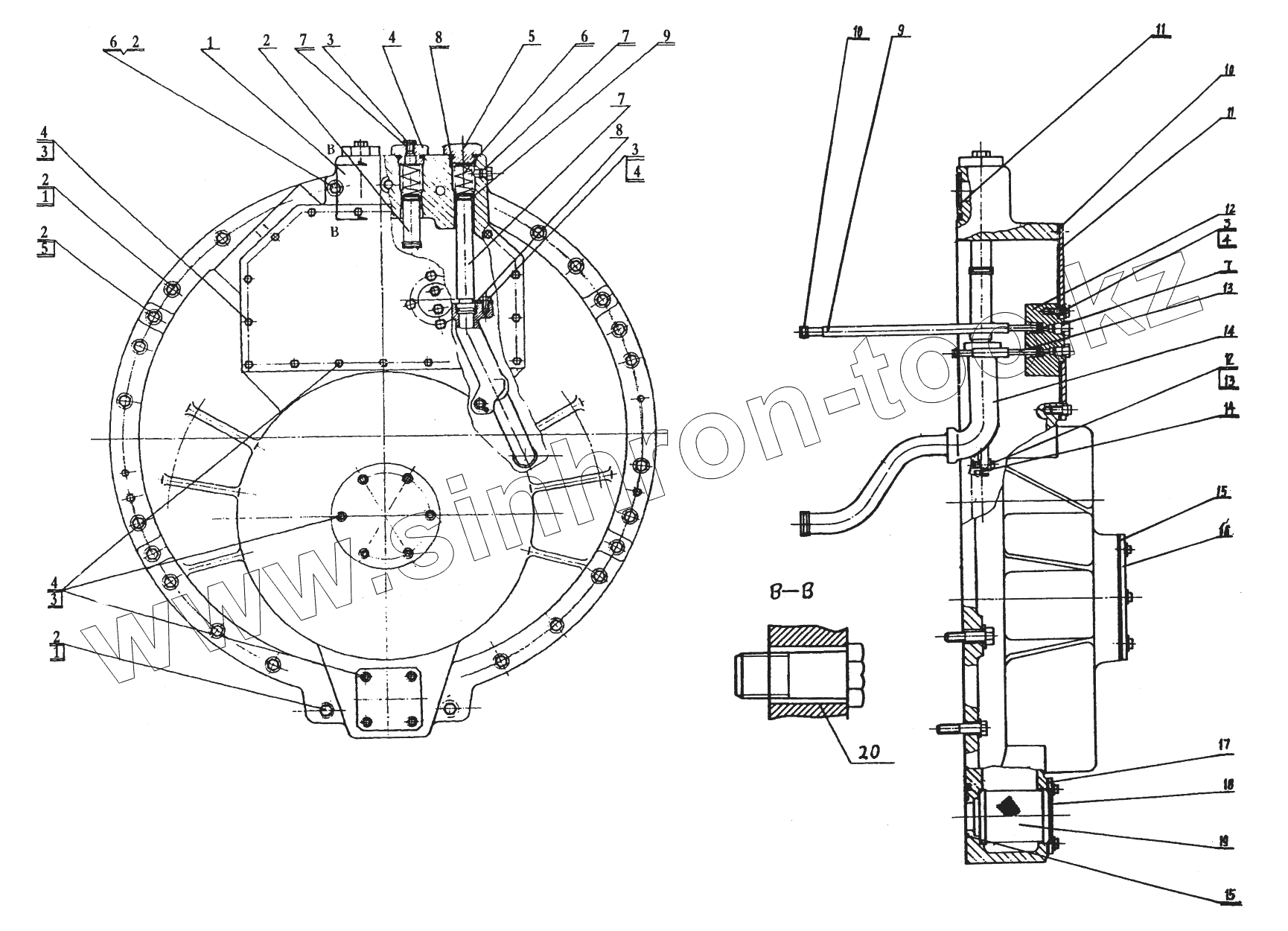
Каталог запасных частей к технике: Shehwa HBXG SD7. 0Т03300 Задняя крышка в сборе
1
2
3
4
5
6
7
8
9
10
10
11
12
13
14
15
16
17
18
19
20
21
21
22
22
22
22
23
23
23
23
24
24
24
24
25
26
26
27
27
27
28
29
30
31
32
33
34
35
| Позиция на иллюстрации | Заводской номер детали | Название детали | |
|---|---|---|---|
| 1 | 0Т03301 | Задняя крышка | |
| 2 | 0Т03302 | Короткая масляная труба | |
| 3 | 0T03303 | Малый болт | |
| 4 | 0Т03304 | Большой болт для короткой масляной трубы | |
| 5 | 0Т03305 | Большой болт для длинной масляной трубы | |
| 6 | 0Т03306 | Пружина | |
| 7 | 0Т03307 | Длинная масляная труба | |
| 8 | 0Т03308 | Планка | |
| 9 | 0Т03309 | Длинная труба для измерения давления | |
| 10 | 0Т03312 | Прокладка для заднего окна | |
| 11 | 0Т03313 | Планка для заднего окна | |
| 12 | 0Т03314 | Гнездо трубы измерения давления | |
| 13 | 0Т03315 | Короткая труба для измерения давления | |
| 14 | 0Т03317 | Колено в сборе | |
| 15 | 0Т03320 | Прокладка для задней крышки | |
| 16 | 0Т03321 | Задняя крышка | |
| 17 | 0Т03323 | Прокладка для крышки фильтрующей сетки | |
| 18 | 0Т03324 | Планка для крышки фильтрующей сетки | |
| 19 | 0Т03325 | Фильтрующая сетка в сборе | |
| 20 | 0Т03329 | Втулка | |
| 21 | GB5782-86 | Болт | |
| 22 | GB97.1-87 | Шайба | |
| 23 | GB5783-86 | Болт | |
| 24 | GB97.1-87 | Шайба | |
| 25 | GB5783-86 | Болт | |
| 26 | GB5782-86 | Болт | |
| 27 | GB3452.1-82 | О-образное уплотнительное кольцо | |
| 28 | GB3452.1-82 | О-образное уплотнительное кольцо | |
| 29 | GB3452.1-82 | О-образное уплотнительное кольцо | |
| 30 | GB3452.1-82 | О-образное уплотнительное кольцо | |
| 31 | GB3452.1-82 | О-образное уплотнительное кольцо | |
| 32 | GB5783-86 | Болт | |
| 33 | GB93-76 | Шайба | |
| 34 | GB119-86 | Палец | |
| 35 | GB3452.1-82 | О-образное уплотнительное кольцо |
Содержащиеся в справочниках-каталогах запасные части и детали не предлагаются к продаже, а носят исключительно информационный характер